0
UCD74111
  • UCD74111
  • UCD74111

UCD74111

ACTIVE

14 V, 15 A synchronous buck power stage with output current monitoring

Texas Instruments UCD74111 Product Info

1 April 2026 1

Parameters

Rating

Catalog

Operating temperature range (°C)

-40 to 125

Package

LQFN-CLIP (RVF)-40-35 mm² 7 x 5

Features

  • Integrates Synchronous Buck Driver and NexFET Power MOSFET Technology for High Power Density and High Efficiency
  • 15-A Output Current Capability for DSP and ASIC
  • 4.7-V to 14-V Input Voltage Range
  • Operational Switching Frequency Up to 2 MHz
  • Built-In High-Side Current Protection
  • DCR Current Sensing for Overcurrent Protection and Output Current Monitoring
  • Voltage Proportional to Load Current Monitor Output
  • Tri-State PWM Input for Power Stage Shutdown
  • UVLO Housekeeping Circuit
  • Integrated Thermal Shutdown
  • 40-Pin, 5 mm x 7 mm, PQFN PowerStack Package
  • Integrates Synchronous Buck Driver and NexFET Power MOSFET Technology for High Power Density and High Efficiency
  • 15-A Output Current Capability for DSP and ASIC
  • 4.7-V to 14-V Input Voltage Range
  • Operational Switching Frequency Up to 2 MHz
  • Built-In High-Side Current Protection
  • DCR Current Sensing for Overcurrent Protection and Output Current Monitoring
  • Voltage Proportional to Load Current Monitor Output
  • Tri-State PWM Input for Power Stage Shutdown
  • UVLO Housekeeping Circuit
  • Integrated Thermal Shutdown
  • 40-Pin, 5 mm x 7 mm, PQFN PowerStack Package

Description

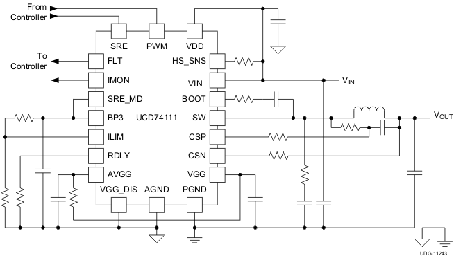
UCD74111 is a multi-chip module integrating a driver device and two NexFET power MOSFETs into a thermally enhanced compact, 5 mm × 7 mm, QFN package. A 15-A output current capability makes the device suitable for powering DSP and ASIC. The device is designed to complement digital or analog PWM controllers. The PWM input of the driver device is 3-state compatible. Two driver circuits provide high charge and discharge current for the high-side N-channel FET switch and the low-side N-channel FET synchronous rectifier in a synchronous buck converter.

A precision current sensing amplifier that processes the voltage present across an external current sense element measures and monitors the output current. The PWM controller on the IMON pin can use this amplified signal. On-board comparators monitor the voltage across the high-side switch and the voltage across the external current sense element to safeguard the power stage from sudden high-current loads. A single resistor for the high-side comparator sets the blanking delay. This delay guards against false reports coincident with switching edge noise. In the event of a high-side fault or an overcurrent fault, the high-side FET turns OFF and the fault flag (FLT) asserts to alert the PWM controller.

UCD74111 is a multi-chip module integrating a driver device and two NexFET power MOSFETs into a thermally enhanced compact, 5 mm × 7 mm, QFN package. A 15-A output current capability makes the device suitable for powering DSP and ASIC. The device is designed to complement digital or analog PWM controllers. The PWM input of the driver device is 3-state compatible. Two driver circuits provide high charge and discharge current for the high-side N-channel FET switch and the low-side N-channel FET synchronous rectifier in a synchronous buck converter.

A precision current sensing amplifier that processes the voltage present across an external current sense element measures and monitors the output current. The PWM controller on the IMON pin can use this amplified signal. On-board comparators monitor the voltage across the high-side switch and the voltage across the external current sense element to safeguard the power stage from sudden high-current loads. A single resistor for the high-side comparator sets the blanking delay. This delay guards against false reports coincident with switching edge noise. In the event of a high-side fault or an overcurrent fault, the high-side FET turns OFF and the fault flag (FLT) asserts to alert the PWM controller.

Subscribe to Welllinkchips !
Your Name
* Email
Submit a request