0
TXU0102-Q1
  • TXU0102-Q1
  • TXU0102-Q1
  • TXU0102-Q1

TXU0102-Q1

ACTIVE

Automotive two-channel fixed-direction level shifter with channels in same direction

Texas Instruments TXU0102-Q1 Product Info

1 April 2026 0

Parameters

Bits (#)

2

Data rate (max) (Mbps)

200

Topology

Push-Pull

Direction control (typ)

Fixed-direction

Vin (min) (V)

1.1

Vin (max) (V)

5.5

Vout (min) (V)

1.1

Vout (max) (V)

5.5

Applications

GPIO, JTAG, SPI, UART

Features

Integrated pulldown resistors, Partial power down (Ioff), Vcc disconnect, Vcc isolation

Prop delay (ns)

8

Technology family

TXU

Supply current (max) (mA)

0.06

Rating

Automotive

Operating temperature range (°C)

-40 to 125

Package

VSSOP (DCU)-8-6.2 mm² 2 x 3.1

Features

  • Fully configurable dual-rail design allows each port to operate from 1.1 V to 5.5 V
  • Up to 200 Mbps support for 3.3 V to 5.0 V
  • Schmitt-trigger inputs allows for slow and noisy inputs
  • Inputs with integrated static pull-down resistors prevent channels from floating
  • High drive strength (up to 12 mA at 5 V)
  • Low power consumption
    • 2.5 µA maximum (25°C)
    • 6 µA maximum (–40°C to 125°C)
  • VCC isolation and VCC disconnect (Ioff-float) feature
    • If either VCC input is ;amplt;100 mV or disconnected, all outputs are disabled and become high-impedance
  • Ioff supports partial-power-down mode operation
  • Control logic (OE) with VCC(MIN) circuitry allows for control from either A or B port
  • Pinout compatible with TXB family level shifters
  • Available in another variant that supports common applications: TXU0202
  • Operating temperature from –40°C to +125°C
  • Latch-up performance exceeds 100 mA per JESD 78, class II
  • ESD protection exceeds JESD 22
    • 2500-V human-body model
    • 1500-V charged-device model
  • Fully configurable dual-rail design allows each port to operate from 1.1 V to 5.5 V
  • Up to 200 Mbps support for 3.3 V to 5.0 V
  • Schmitt-trigger inputs allows for slow and noisy inputs
  • Inputs with integrated static pull-down resistors prevent channels from floating
  • High drive strength (up to 12 mA at 5 V)
  • Low power consumption
    • 2.5 µA maximum (25°C)
    • 6 µA maximum (–40°C to 125°C)
  • VCC isolation and VCC disconnect (Ioff-float) feature
    • If either VCC input is ;amplt;100 mV or disconnected, all outputs are disabled and become high-impedance
  • Ioff supports partial-power-down mode operation
  • Control logic (OE) with VCC(MIN) circuitry allows for control from either A or B port
  • Pinout compatible with TXB family level shifters
  • Available in another variant that supports common applications: TXU0202
  • Operating temperature from –40°C to +125°C
  • Latch-up performance exceeds 100 mA per JESD 78, class II
  • ESD protection exceeds JESD 22
    • 2500-V human-body model
    • 1500-V charged-device model

Description

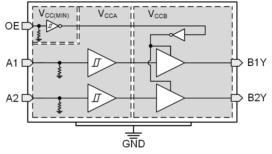
TXU0102-Q1 is a 2-bit, dual-supply noninverting fixed direction voltage level translation device. The Ax pins are referenced to VCCA logic level, the OE pin can be referenced to either VCCA or VCCB logic levels, and the Bx pins are referenced to VCCB logic levels. The A port can accept input voltages ranging from 1.1 V to 5.5 V, while the B port can also accept input voltages from 1.1 V to 5.5 V. Fixed direction data transmission can occur from A to B or B to A when OE is set to high in reference to either supply. When OE is set to low, all output pins are in the high-impedance state. See Device Functional Modes for a summary of the operation of the control logic.

.

TXU0102-Q1 is a 2-bit, dual-supply noninverting fixed direction voltage level translation device. The Ax pins are referenced to VCCA logic level, the OE pin can be referenced to either VCCA or VCCB logic levels, and the Bx pins are referenced to VCCB logic levels. The A port can accept input voltages ranging from 1.1 V to 5.5 V, while the B port can also accept input voltages from 1.1 V to 5.5 V. Fixed direction data transmission can occur from A to B or B to A when OE is set to high in reference to either supply. When OE is set to low, all output pins are in the high-impedance state. See Device Functional Modes for a summary of the operation of the control logic.

.

Subscribe to Welllinkchips !
Your Name
* Email
Submit a request