0
TUSB7340
  • TUSB7340
  • TUSB7340

TUSB7340

ACTIVE

SuperSpeed USB 3.0 4–port xHCI host controller

Texas Instruments TUSB7340 Product Info

1 April 2026 0

Parameters

Function

USB2

USB speed (Mbps)

5000

Type

Bridge

Supply voltage (V)

1.1, 3.3

Rating

Catalog

Operating temperature range (°C)

-40 to 85

Package

WQFN-MR (RKM)-100-81 mm² 9 x 9

Features

  • USB 3.0-Compliant xHCI host controller
    • PCIe x1 Gen2 interface
    • Four downstream ports
  • Two or four downstream ports
  • Each downstream port
    • May be independently enabled or disabled
    • Has adjustments for transmit swing, de-emphasis, and equalization settings
    • May be marked as removable or non-removable
    • Has independent power control and overcurrent detection
  • Requires no external flash for default configuration
    • Optional serial EEPROM for custom configuration
  • Internal spread spectrum generation
    • Low-cost crystal or oscillator support
  • Best-in-class adaptive receiver equalizer design
  • USB 3.0-Compliant xHCI host controller
    • PCIe x1 Gen2 interface
    • Four downstream ports
  • Two or four downstream ports
  • Each downstream port
    • May be independently enabled or disabled
    • Has adjustments for transmit swing, de-emphasis, and equalization settings
    • May be marked as removable or non-removable
    • Has independent power control and overcurrent detection
  • Requires no external flash for default configuration
    • Optional serial EEPROM for custom configuration
  • Internal spread spectrum generation
    • Low-cost crystal or oscillator support
  • Best-in-class adaptive receiver equalizer design

Description

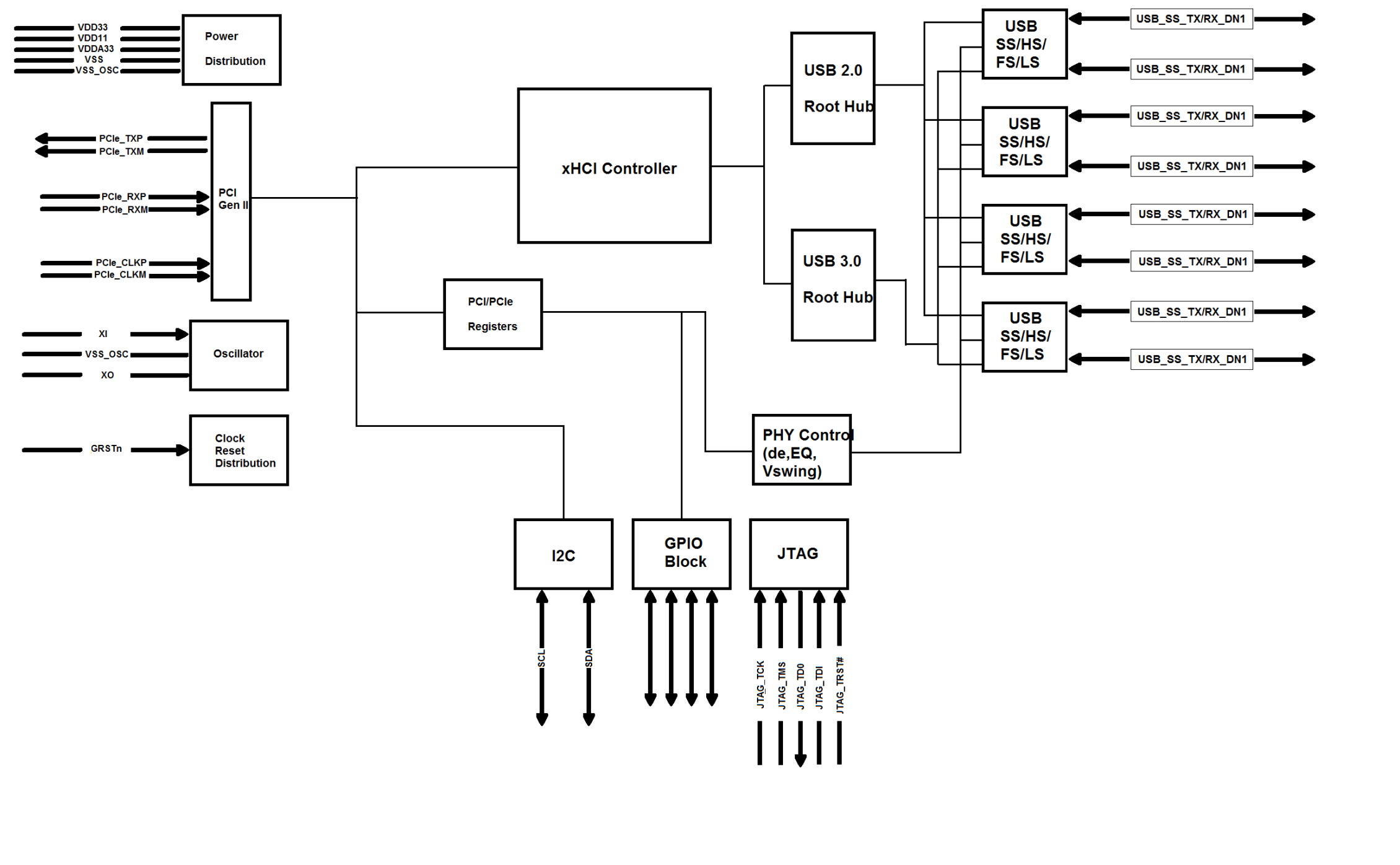
The TUSB7320 supports up to two downstream ports. The TUSB7340 is a USB 3.0-compliant xHCI host controller that supports up to four downstream ports. Both parts are available in a pin-compatible 100-pin RKM package. For the remainder of this document, the name TUSB73x0 is used to reference both the TUSB7320 and the TUSB7340.

The TUSB73x0 interfaces to the host system through a PCIe x1 Gen 2 interface and provides SuperSpeed, high-speed, full-speed, or low-speed connections on the downstream USB ports.

The TUSB7320 supports up to two downstream ports. The TUSB7340 is a USB 3.0-compliant xHCI host controller that supports up to four downstream ports. Both parts are available in a pin-compatible 100-pin RKM package. For the remainder of this document, the name TUSB73x0 is used to reference both the TUSB7320 and the TUSB7340.

The TUSB73x0 interfaces to the host system through a PCIe x1 Gen 2 interface and provides SuperSpeed, high-speed, full-speed, or low-speed connections on the downstream USB ports.

Subscribe to Welllinkchips !
Your Name
* Email
Submit a request