0
TUSB319-Q1
  • TUSB319-Q1
  • TUSB319-Q1

TUSB319-Q1

ACTIVE

Automotive USB Type-C DFP Port Controller

Texas Instruments TUSB319-Q1 Product Info

1 April 2026 0

Parameters

Function

Type-C

USB speed (Mbps)

480

Type

CC controller

Supply voltage (V)

3.6, 5.5

Rating

Automotive

Operating temperature range (°C)

-40 to 85

Package

WSON (DRF)-8-4 mm² 2 x 2

Features

  • Meets USB Type-C™ Specifications
  • Supports DFP (Host/Source) Applications with up to 15W Power
  • Supports Type-C Current Mode Advertisement up to 3 A (Default, 1.5 A, 3 A)
  • Provides Type-C Plug Orientation
  • Channel Configuration (CC)
    • Attach of USB Port Detection
    • Cable Orientation Detection
  • VBUS Detection
  • Supply Voltage: 3.8 V to 5.5 V
  • Low Current Consumption
  • 2 × 2 mm WSON Package with 0.5 mm Pitch
  • Industrial Temperature Range of –40°C to 85°C
  • Meets USB Type-C™ Specifications
  • Supports DFP (Host/Source) Applications with up to 15W Power
  • Supports Type-C Current Mode Advertisement up to 3 A (Default, 1.5 A, 3 A)
  • Provides Type-C Plug Orientation
  • Channel Configuration (CC)
    • Attach of USB Port Detection
    • Cable Orientation Detection
  • VBUS Detection
  • Supply Voltage: 3.8 V to 5.5 V
  • Low Current Consumption
  • 2 × 2 mm WSON Package with 0.5 mm Pitch
  • Industrial Temperature Range of –40°C to 85°C

Description

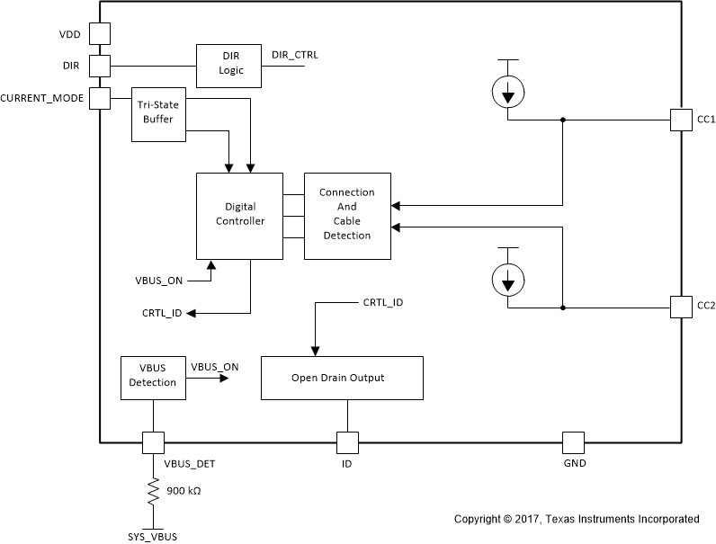
The TUSB319-Q1 is a USB Type-C Downstream Facing Port (DFP) controller. The TUSB319-Q1 monitors the USB Type-C Configuration Channel (CC) lines to determine when an USB device is attached. If an Upstream Facing Port (UFP) device is attached, the TUSB319-Q1 drives an open drain output ID that can be used in the system to apply VBUS power. The device also communicates the selectable VBUS current sourcing capability to the UFP via the CC lines.

The TUSB319-Q1 is a USB Type-C Downstream Facing Port (DFP) controller. The TUSB319-Q1 monitors the USB Type-C Configuration Channel (CC) lines to determine when an USB device is attached. If an Upstream Facing Port (UFP) device is attached, the TUSB319-Q1 drives an open drain output ID that can be used in the system to apply VBUS power. The device also communicates the selectable VBUS current sourcing capability to the UFP via the CC lines.

Subscribe to Welllinkchips !
Your Name
* Email
Submit a request