0
TUSB1002
  • TUSB1002
  • TUSB1002
  • TUSB1002

TUSB1002

ACTIVE

USB3.1 10Gbps Dual Channel Linear Redriver

Texas Instruments TUSB1002 Product Info

1 April 2026 1

Parameters

Type

Redriver

Function

USB 3.0

USB speed (Mbps)

10000

Number of channels

2

Supply voltage (max) (V)

3.6

Supply voltage (min) (V)

3

Input/output voltage (min) (V)

0

Input/output voltage (max) (V)

1.7

Configuration

Dual-channel, Dual-lane

Features

USB 3.1 Gen 2 10G Redriver

Rating

Catalog

Operating temperature range (°C)

0 to 70

Supply current (max) (µA)

103000

ESD HBM (typ) (kV)

6

Bandwidth (MHz)

5000

Package

VQFN (RGE)-24-16 mm² 4 x 4

Features

  • Supports USB3.1 SuperSpeed (5 Gbps) and SuperSpeedPlus (10 Gbps)
  • Supports PCI Express Gen3, SATA Express, and SATA Gen3.
  • Ultra Low-Power Architecture
    • Active: < 340 mW
    • U2/U3: < 8 mW
    • Disconnected: < 2 mW
  • Adjustable Voltage Output Swing Linear Range up to 1200 mVpp
  • No Host/Device Side Requirement
  • 16 Settings for up to 16 dB at 10 Gbps of Linear Equalization
  • Adjustable DC Equalization Gain
  • Hot-Plug Capable
  • Pin-to-Pin Compatible With LVPE502A and LVPE512 USB 3.0 Redriver
  • Temperature Range: 0°C to 70°C
  • ±6 KV HBM ESD
  • Available in Single 3.3 V Supply.
  • Available in 4 mm x 4 mm VQFN
  • Supports USB3.1 SuperSpeed (5 Gbps) and SuperSpeedPlus (10 Gbps)
  • Supports PCI Express Gen3, SATA Express, and SATA Gen3.
  • Ultra Low-Power Architecture
    • Active: < 340 mW
    • U2/U3: < 8 mW
    • Disconnected: < 2 mW
  • Adjustable Voltage Output Swing Linear Range up to 1200 mVpp
  • No Host/Device Side Requirement
  • 16 Settings for up to 16 dB at 10 Gbps of Linear Equalization
  • Adjustable DC Equalization Gain
  • Hot-Plug Capable
  • Pin-to-Pin Compatible With LVPE502A and LVPE512 USB 3.0 Redriver
  • Temperature Range: 0°C to 70°C
  • ±6 KV HBM ESD
  • Available in Single 3.3 V Supply.
  • Available in 4 mm x 4 mm VQFN

Description

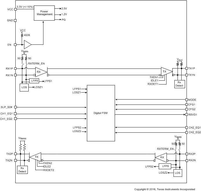
The TUSB1002 is the industry’s first dual-channel USB 3.1 SuperSpeedPlus (SSP) redriver and signal conditioner. The device offers low power consumption on a 3.3-V supply with its ultra-low-power architecture. It supports the USB3.1 low power modes which further reduces idle power consumption.

The TUSB1002 implements a linear equalizer, supporting up to 16 dB of loss due to Inter-Symbol Interference (ISI). When USB signals travel across a PCB or cable, signal integrity degrades due to loss and inter-symbol interference. The linear equalizer compensates for the channel loss, and thereby, extends the channel length and enables systems to pass USB compliance. The dual lane implementation and small package size provides flexibility in the placement of the TUSB1002 in the USB3.1 path.

The TUSB1002 is available in either a a 24-pin 4 mm x 4 mm VQFN. It is also available in a commercial grade (TUSB1002).

The TUSB1002 is the industry’s first dual-channel USB 3.1 SuperSpeedPlus (SSP) redriver and signal conditioner. The device offers low power consumption on a 3.3-V supply with its ultra-low-power architecture. It supports the USB3.1 low power modes which further reduces idle power consumption.

The TUSB1002 implements a linear equalizer, supporting up to 16 dB of loss due to Inter-Symbol Interference (ISI). When USB signals travel across a PCB or cable, signal integrity degrades due to loss and inter-symbol interference. The linear equalizer compensates for the channel loss, and thereby, extends the channel length and enables systems to pass USB compliance. The dual lane implementation and small package size provides flexibility in the placement of the TUSB1002 in the USB3.1 path.

The TUSB1002 is available in either a a 24-pin 4 mm x 4 mm VQFN. It is also available in a commercial grade (TUSB1002).

Subscribe to Welllinkchips !
Your Name
* Email
Submit a request