0
INA296B-Q1
  • INA296B-Q1
  • INA296B-Q1
  • INA296B-Q1
  • INA296B-Q1

INA296B-Q1

ACTIVE

AEC-Q100, -5V to 110V, bidirectional, 1.1-MHz 8-V/µs high-precision current sense amplifier

Texas Instruments INA296B-Q1 Product Info

1 April 2026 0

Parameters

Product type

Analog output

Common-mode voltage (max) (V)

110

Common-mode voltage (min) (V)

-5

Input offset (±) (max) (µV)

150

Input offset drift (±) (typ) (µV/°C)

0.5

Features

Bidirectional, High precision, Low-side Capable

Rating

Automotive

Voltage gain (V/V)

10, 20, 50, 100, 200

CMRR (min) (dB)

120

Bandwidth (kHz)

1100

Supply voltage (max) (V)

20

Supply voltage (min) (V)

2.7

Iq (max) (mA)

3.2

Number of channels

1

Comparators (#)

0

Gain error (%)

0.1

Gain error drift (±) (max) (ppm/°C)

5

Slew rate (V/µs)

8

TI functional safety category

Functional Safety-Capable

Operating temperature range (°C)

-40 to 150

Package

SOIC (D)-8-29.4 mm² 4.9 x 6

Features

  • AEC-Q100 qualified for automotive applications:
    • Temperature Grade 1: −40°C to 125°C, TA
    • Temperature Grade 0: −40°C to 150°C, TA
  • Functional Safety-Capable
  • Wide common-mode voltage:
    • Operational voltage: −5V to 110V
    • Survival voltage: −20V to 120V
  • Bidirectional operation
  • High small signal bandwidth: 1.1MHz (at all gains)
  • Slew rate: 8V/µs
  • Step response settling time to 1%: 1µs
  • Excellent CMRR: 166dB
  • Accuracy:
    • Gain error (maximum)
      • Version A: ±0.01%, ±1ppm/°C drift
      • Version B: ±0.1%, ±5ppm/°C drift
    • Offset voltage (maximum)
      • Version A: ±10µV, ±0.1µV/°C drift
      • Version B: ±150µV, ±0.5µV/°C drift
  • Available gains:
    • INA296A1-Q1 : 10V/V
    • INA296A2-Q1 : 20V/V
    • INA296A3-Q1 : 50V/V
    • INA296A4-Q1 : 100V/V
    • INA296A5-Q1 : 200V/V
  • Package options: SOT23-8, VSSOP-8, SOIC-8, VSSOP-10
  • AEC-Q100 qualified for automotive applications:
    • Temperature Grade 1: −40°C to 125°C, TA
    • Temperature Grade 0: −40°C to 150°C, TA
  • Functional Safety-Capable
  • Wide common-mode voltage:
    • Operational voltage: −5V to 110V
    • Survival voltage: −20V to 120V
  • Bidirectional operation
  • High small signal bandwidth: 1.1MHz (at all gains)
  • Slew rate: 8V/µs
  • Step response settling time to 1%: 1µs
  • Excellent CMRR: 166dB
  • Accuracy:
    • Gain error (maximum)
      • Version A: ±0.01%, ±1ppm/°C drift
      • Version B: ±0.1%, ±5ppm/°C drift
    • Offset voltage (maximum)
      • Version A: ±10µV, ±0.1µV/°C drift
      • Version B: ±150µV, ±0.5µV/°C drift
  • Available gains:
    • INA296A1-Q1 : 10V/V
    • INA296A2-Q1 : 20V/V
    • INA296A3-Q1 : 50V/V
    • INA296A4-Q1 : 100V/V
    • INA296A5-Q1 : 200V/V
  • Package options: SOT23-8, VSSOP-8, SOIC-8, VSSOP-10

Description

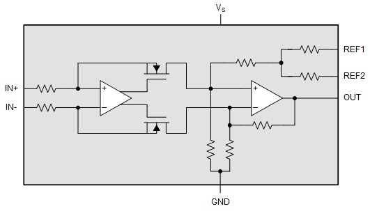
The INA296x-Q1 is an ultra-precise, bidirectional current sense amplifier that can measure voltage drops across shunt resistors over a wide common-mode range from –5V to 110V, independent of the supply voltage. The high-precision current measurement is achieved through a combination of low offset voltage (±10µV, maximum), small gain error (±0.01%, maximum) and a high DC CMRR (typical 166dB). The INA296x-Q1 is not only designed for high voltage, bidirectional DC current measurements, but also for high-speed applications (such as transient detection and fast overcurrent protection) with a high signal bandwidth of 1.1MHz and fast settling time.

The INA296x-Q1 operates from a supply of 2.7V to 20V, drawing 2.5mA of supply current. The INA296x-Q1 is available in five gain options: 10V/V, 20V/V, 50V/V, 100V/V, and 200V/V. Multiple gain options allow for optimization between available shunt resistor values and wide output dynamic range requirements.

The INA296x-Q1Grade 1 is specified over operating temperature range of −40°C to 125°C and Grade 0 over operating temperature range of −40°C to 150°C.

The INA296x-Q1 is an ultra-precise, bidirectional current sense amplifier that can measure voltage drops across shunt resistors over a wide common-mode range from –5V to 110V, independent of the supply voltage. The high-precision current measurement is achieved through a combination of low offset voltage (±10µV, maximum), small gain error (±0.01%, maximum) and a high DC CMRR (typical 166dB). The INA296x-Q1 is not only designed for high voltage, bidirectional DC current measurements, but also for high-speed applications (such as transient detection and fast overcurrent protection) with a high signal bandwidth of 1.1MHz and fast settling time.

The INA296x-Q1 operates from a supply of 2.7V to 20V, drawing 2.5mA of supply current. The INA296x-Q1 is available in five gain options: 10V/V, 20V/V, 50V/V, 100V/V, and 200V/V. Multiple gain options allow for optimization between available shunt resistor values and wide output dynamic range requirements.

The INA296x-Q1Grade 1 is specified over operating temperature range of −40°C to 125°C and Grade 0 over operating temperature range of −40°C to 150°C.

Subscribe to Welllinkchips !
Your Name
* Email
Submit a request