0
TS3DV642
  • TS3DV642
  • TS3DV642

TS3DV642

ACTIVE

6-Gbps 12-channel differential 1-to-2 and 2-to-1 mux for DVI 1.0/ DisplayPort 1.4 /HDMI 2.0

Texas Instruments TS3DV642 Product Info

1 April 2026 2

Parameters

Type

Mux

Protocols

DVI, DisplayPort, HDMI, LVDS, MIPI, TMDS, VGA

Rating

Catalog

Speed (max) (Gbpp)

6

Number of channels

12

Supply voltage (V)

3.6

Operating temperature range (°C)

-40 to 85

Package

WQFN (RUA)-42-31.5 mm² 9 x 3.5

Features

  • Switch Type: 2:1 or 1:2
  • Dynamic Characteristics
    • Differential Bandwidth ( –3 dB)
      • Port A: 6.9 GHz Typical
      • Port B: 7.5 GHz Typical
    • Crosstalk (at 1.7 GHz): –40 dB
    • Isolation (at 1.7 GHz): –23 dB
    • Insertion Loss (DC)
      • Port A: –0.75 dB
      • Port B: –1.0 dB
    • Return Loss (at 1.7 GHz): –15.9 dB
    • Intra-Pair (Bit-Bit) Skew
      • Port A: 2 ps
      • Port B: 6 ps
    • RON
      • Port A: 6.5 Ω
      • Port B: 8.2 Ω
    • CON at 1 GHz: 0.5 pF (Typical)
  • VCC Range: 2.6 V to 4.5 V
  • I/O Voltage Range: 0 V to 5 V
  • Special Features
    • IOFF Protection Prevents Current Leakage in Powered Down State (VCC = 0 V)
  • ESD Performance
    • 2-kV Human Body Model (A114B, Class II)
    • 1-kV Charged Device Model (C101)
  • 42-pin WQFN Package (9 mm x 3.5 mm, 0.5 mm pitch)
  • Switch Type: 2:1 or 1:2
  • Dynamic Characteristics
    • Differential Bandwidth ( –3 dB)
      • Port A: 6.9 GHz Typical
      • Port B: 7.5 GHz Typical
    • Crosstalk (at 1.7 GHz): –40 dB
    • Isolation (at 1.7 GHz): –23 dB
    • Insertion Loss (DC)
      • Port A: –0.75 dB
      • Port B: –1.0 dB
    • Return Loss (at 1.7 GHz): –15.9 dB
    • Intra-Pair (Bit-Bit) Skew
      • Port A: 2 ps
      • Port B: 6 ps
    • RON
      • Port A: 6.5 Ω
      • Port B: 8.2 Ω
    • CON at 1 GHz: 0.5 pF (Typical)
  • VCC Range: 2.6 V to 4.5 V
  • I/O Voltage Range: 0 V to 5 V
  • Special Features
    • IOFF Protection Prevents Current Leakage in Powered Down State (VCC = 0 V)
  • ESD Performance
    • 2-kV Human Body Model (A114B, Class II)
    • 1-kV Charged Device Model (C101)
  • 42-pin WQFN Package (9 mm x 3.5 mm, 0.5 mm pitch)

Description

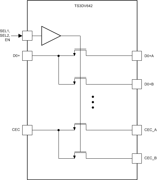
The TS3DV642 is a 12 channel 1:2 or 2:1 bi-directional multiplexer/demultiplexer. The TS3DV642 operates from a 2.6 V to 4.5 V supply, making it suitable for battery-powered applications. It offers low and flat on-state resistance (RON) as well as low I/O capacitance which allows it to achieve a typical bandwidth of up to 7.5 GHz. The device provides the high bandwidth necessary for HDMI and DisplayPort applications.

The TS3DV642 offers a power-down mode, in which all channels become Hi-Z and the device operates with minimal power.

The TS3DV642 is a 12 channel 1:2 or 2:1 bi-directional multiplexer/demultiplexer. The TS3DV642 operates from a 2.6 V to 4.5 V supply, making it suitable for battery-powered applications. It offers low and flat on-state resistance (RON) as well as low I/O capacitance which allows it to achieve a typical bandwidth of up to 7.5 GHz. The device provides the high bandwidth necessary for HDMI and DisplayPort applications.

The TS3DV642 offers a power-down mode, in which all channels become Hi-Z and the device operates with minimal power.

Subscribe to Welllinkchips !
Your Name
* Email
Submit a request