0
TRS213E
  • TRS213E
  • TRS213E
  • TRS213E

TRS213E

ACTIVE

5V multichannel 120kbps RS-232 line driver/receiver with ±9V output and ±15kV IEC ESD protection

Texas Instruments TRS213E Product Info

1 April 2026 1

Parameters

Drivers per package

4

Receivers per package

5

Logic voltage (min) (V)

5

Data rate (max) (Mbps)

0.12

Main supply voltage (nom) (V)

5

ESD HBM (kV)

15

Rating

Catalog

Operating temperature range (°C)

-40 to 85

Vout (typ) (V)

9

Package

SSOP (DB)-28-79.56 mm² 10.2 x 7.8

Features

  • ESD Protection for RS-232 bus pins
    • ±15kV Human-body model (HBM)
    • ±8kV IEC61000-4-2, Contact discharge
    • ±15kV IEC61000-4-2, Air-gap discharge
  • Meets or exceeds the requirements of TIA/EIA-232-F and ITU v.28 standards
  • Operates at 5V VCC supply
  • Four drivers and five receivers
  • Operates up to 250kbits
  • Low supply current in shutdown mode: 15µA typical
  • Designed to be interchangeable with industry standard ’213 devices
  • Latch-up performance exceeds 100mA per JESD 78, class II
  • ESD Protection for RS-232 bus pins
    • ±15kV Human-body model (HBM)
    • ±8kV IEC61000-4-2, Contact discharge
    • ±15kV IEC61000-4-2, Air-gap discharge
  • Meets or exceeds the requirements of TIA/EIA-232-F and ITU v.28 standards
  • Operates at 5V VCC supply
  • Four drivers and five receivers
  • Operates up to 250kbits
  • Low supply current in shutdown mode: 15µA typical
  • Designed to be interchangeable with industry standard ’213 devices
  • Latch-up performance exceeds 100mA per JESD 78, class II

Description

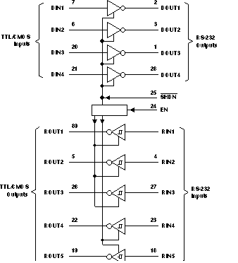
The TRS213E consists of four line drivers, five line receivers, and a dual charge-pump circuit with ±15kV IEC ESD protection on the RS-232 bus pins. The device meets the requirements of TIA/EIA-232-F, and provides the electrical interface between an asynchronous communication controller and the serial-port connector. The charge pump and four small external capacitors allow operation from a single 5V supply. The devices operate at data signaling rates up to 250kbit/s and a maximum of 30V/µs driver output slew rate.

The TRS213E has an active-low shutdown (SHDN) and an active-high enable control (EN). In shutdown mode, the charge pumps are turned off, V+ is pulled down to VCC, V– is pulled to GND, and the transmitter outputs are disabled. This reduces supply current typically to 1µA. Two receivers of the TRS213E are active during shutdown.

The TRS213E consists of four line drivers, five line receivers, and a dual charge-pump circuit with ±15kV IEC ESD protection on the RS-232 bus pins. The device meets the requirements of TIA/EIA-232-F, and provides the electrical interface between an asynchronous communication controller and the serial-port connector. The charge pump and four small external capacitors allow operation from a single 5V supply. The devices operate at data signaling rates up to 250kbit/s and a maximum of 30V/µs driver output slew rate.

The TRS213E has an active-low shutdown (SHDN) and an active-high enable control (EN). In shutdown mode, the charge pumps are turned off, V+ is pulled down to VCC, V– is pulled to GND, and the transmitter outputs are disabled. This reduces supply current typically to 1µA. Two receivers of the TRS213E are active during shutdown.

Subscribe to Welllinkchips !
Your Name
* Email
Submit a request