0
TPS82697
  • TPS82697
  • TPS82697

TPS82697

ACTIVE

800-mA, High-Efficiency MicroSiP™ Step-Down Converter (Profile <1mm)

Texas Instruments TPS82697 Product Info

1 April 2026 1

Parameters

Rating

Catalog

Topology

Buck, Step-Down Converter, Synchronous Buck

Iout (max) (A)

0.8

Vin (max) (V)

4.8

Vin (min) (V)

2.3

Vout (max) (V)

2.8

Vout (min) (V)

2.8

Features

Enable, Spread Spectrum

EMI features

Frequency Dithering, Integrated capacitors, Spread Spectrum

Operating temperature range (°C)

-40 to 125

Switch current limit (typ) (A)

1

Type

Converter (Integrated Switch), DC/DC converter, Module

Duty cycle (max) (%)

90

Control mode

Constant on-time (COT)

Switching frequency (min) (kHz)

2700

Switching frequency (max) (kHz)

3300

Package

uSIP (SIP)-8-6.67 mm² 2.3 x 2.9

Features

  • Total Solution Size < 6.7 mm2
  • 95% Efficiency at 3-MHz Operation
  • 23µA Quiescent Current
  • High Duty-Cycle Operation
  • Best in Class Load and Line Transient
  • ±2% Total DC Voltage Accuracy
  • Automatic PFM/PWM Mode Switching
  • Low Ripple Light-Load PFM Mode
  • Excellent AC Load Regulation
  • Internal Soft Start, 200-µs Start-Up Time
  • Integrated Active Power-Down Sequencing (Optional)
  • Current Overload and Thermal Shutdown Protection
  • Sub 1-mm Profile Solution
  • Total Solution Size < 6.7 mm2
  • 95% Efficiency at 3-MHz Operation
  • 23µA Quiescent Current
  • High Duty-Cycle Operation
  • Best in Class Load and Line Transient
  • ±2% Total DC Voltage Accuracy
  • Automatic PFM/PWM Mode Switching
  • Low Ripple Light-Load PFM Mode
  • Excellent AC Load Regulation
  • Internal Soft Start, 200-µs Start-Up Time
  • Integrated Active Power-Down Sequencing (Optional)
  • Current Overload and Thermal Shutdown Protection
  • Sub 1-mm Profile Solution

Description

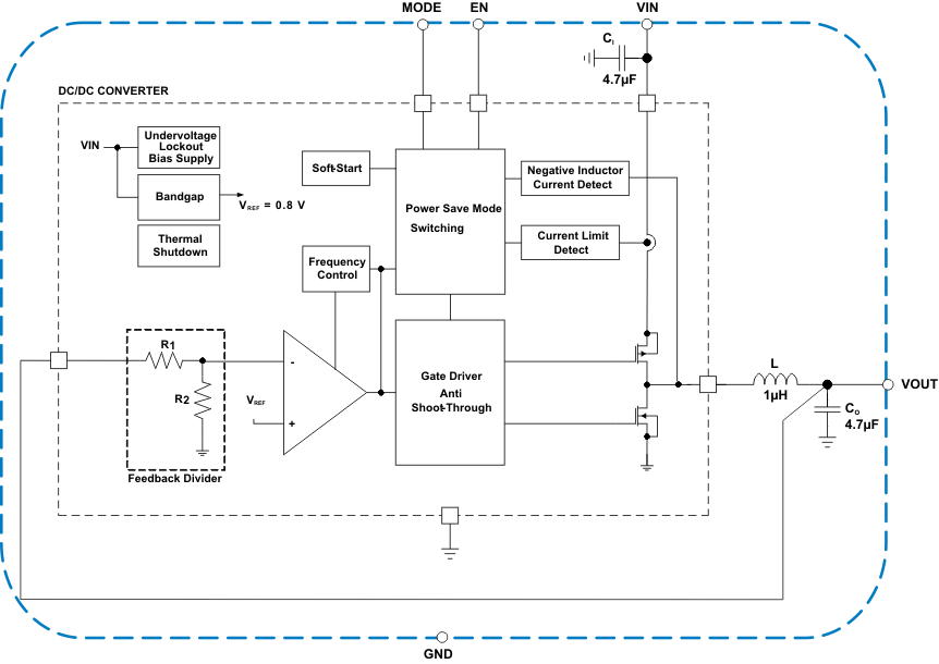
The TPS8269xSIP device is a complete 500 mA / 800 mA, DC/DC step-down power supply intended for low-power applications. Included in the package are the switching regulator, inductor and input/output capacitors. No additional components are required to finish the design. The TPS8269xSIP is based on a high-frequency synchronous step-down dc-dc converter optimized for battery-powered portable applications. The MicroSIP™ DC/DC converter operates at a regulated 3-MHz switching frequency and enters the power-save mode operation at light load currents to maintain high efficiency over the entire load current range. The PFM mode extends the battery life by reducing the quiescent current to 23 µA (typical) during light load operation. For noise-sensitive applications, the device has PWM spread spectrum capability providing a lower noise regulated output, as well as low noise at the input. These features, combined with high PSRR and AC load regulation performance, make this device suitable to replace a linear regulator to obtain better power conversion efficiency. The TPS8269xSIP is packaged in a compact (2.9 mm × 2.3 mm) and low profile (1 mm) BGA package suitable for automated assembly by standard surface mount equipment.

The TPS8269xSIP device is a complete 500 mA / 800 mA, DC/DC step-down power supply intended for low-power applications. Included in the package are the switching regulator, inductor and input/output capacitors. No additional components are required to finish the design. The TPS8269xSIP is based on a high-frequency synchronous step-down dc-dc converter optimized for battery-powered portable applications. The MicroSIP™ DC/DC converter operates at a regulated 3-MHz switching frequency and enters the power-save mode operation at light load currents to maintain high efficiency over the entire load current range. The PFM mode extends the battery life by reducing the quiescent current to 23 µA (typical) during light load operation. For noise-sensitive applications, the device has PWM spread spectrum capability providing a lower noise regulated output, as well as low noise at the input. These features, combined with high PSRR and AC load regulation performance, make this device suitable to replace a linear regulator to obtain better power conversion efficiency. The TPS8269xSIP is packaged in a compact (2.9 mm × 2.3 mm) and low profile (1 mm) BGA package suitable for automated assembly by standard surface mount equipment.

Subscribe to Welllinkchips !
Your Name
* Email
Submit a request