0
BQ24308
  • BQ24308
  • BQ24308

BQ24308

ACTIVE

Overvoltage and Overcurrent Protection IC

Texas Instruments BQ24308 Product Info

1 April 2026 1

Parameters

Rating

Catalog

Number of series cells (max)

1

Number of series cells (min)

1

Features

LDO output, Overcurrent protection, Overvoltage

Function

Charger Front-End Protection

Operating current (typ) (µA)

410

Vin (max) (V)

30

Overvoltage protection

6.3

Operating temperature range (°C)

0 to 125

Battery overvoltage protection (min) (V)

4.35

Battery overvoltage protection (max) (V)

4.35

Package

WSON (DSG)-8-4 mm² 2 x 2

Features

  • Provides Protection for Three Variables:
    • Input Overvoltage
    • Input Overcurrent with Current Limiting
    • Battery Overvoltage
  • Maximum Input Voltage of 30 V
  • Supports Up to 1.5-A Input Current
  • Robust Against False Triggering Due to Current
    Transients
  • Thermal Shutdown
  • LDO Mode Voltage Regulation of 5 V
  • Available in Space-Saving Small 2 mm × 2 mm 8-
    Pin WSON Package
  • APPLICATIONS
    • Mobile and Smart Phones
    • PDAs
    • MP3 Players
    • Low-Power Handheld Devices
    • Bluetooth™ Headsets

All other trademarks are the property of their respective owners

  • Provides Protection for Three Variables:
    • Input Overvoltage
    • Input Overcurrent with Current Limiting
    • Battery Overvoltage
  • Maximum Input Voltage of 30 V
  • Supports Up to 1.5-A Input Current
  • Robust Against False Triggering Due to Current
    Transients
  • Thermal Shutdown
  • LDO Mode Voltage Regulation of 5 V
  • Available in Space-Saving Small 2 mm × 2 mm 8-
    Pin WSON Package
  • APPLICATIONS
    • Mobile and Smart Phones
    • PDAs
    • MP3 Players
    • Low-Power Handheld Devices
    • Bluetooth™ Headsets

All other trademarks are the property of their respective owners

Description

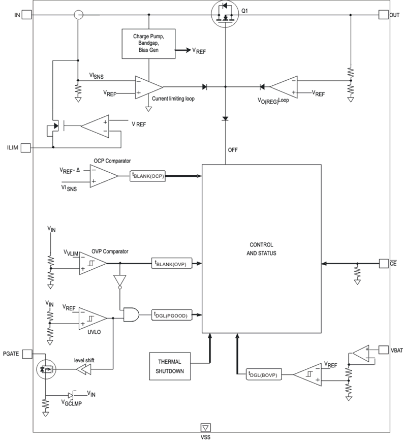
The bq24308 device is a highly integrated circuit (IC) designed to provide protection to Li-ion batteries from failures of the charging circuit. The device continuously monitors the input voltage, the input current, and the battery voltage. In case of an input overvoltage condition, the device immediately removes power from the charging circuit by turning off an internal switch. In the case of an overcurrent condition, it limits the system current to a safe value for a blanking duration before turning the switch off. Battery voltage may also be monitored and if the battery voltage exceeds the specified value the internal switch is turned off. Additionally, the device also monitors its own die temperature and switches off if it becomes too hot.

The input overcurrent threshold can be increased using an external resistor. The device also offers optional protection against reverse voltage at the input using an external P-channel FET.

The bq24308 device is a highly integrated circuit (IC) designed to provide protection to Li-ion batteries from failures of the charging circuit. The device continuously monitors the input voltage, the input current, and the battery voltage. In case of an input overvoltage condition, the device immediately removes power from the charging circuit by turning off an internal switch. In the case of an overcurrent condition, it limits the system current to a safe value for a blanking duration before turning the switch off. Battery voltage may also be monitored and if the battery voltage exceeds the specified value the internal switch is turned off. Additionally, the device also monitors its own die temperature and switches off if it becomes too hot.

The input overcurrent threshold can be increased using an external resistor. The device also offers optional protection against reverse voltage at the input using an external P-channel FET.

Subscribe to Welllinkchips !
Your Name
* Email
Submit a request