0
TPS7A56
  • TPS7A56
  • TPS7A56
  • TPS7A56
  • TPS7A56

TPS7A56

ACTIVE

6A, low-input-voltage, low-noise, high-accuracy low-dropout (LDO) voltage regulator

Texas Instruments TPS7A56 Product Info

1 April 2026 0

Parameters

Rating

Catalog

Vin (max) (V)

6

Vin (min) (V)

0.7

Iout (max) (A)

6

Output options

Adjustable Output

Vout (max) (V)

5.2

Vout (min) (V)

0.5

Noise (µVrms)

2.45

PSRR at 100 KHz (dB)

60

Iq (typ) (mA)

5

Features

Enable, Foldback Overcurrent protection, Output discharge, Power good, Soft start

Thermal resistance θJA (°C/W)

40.3

Load capacitance (min) (µF)

15

Regulated outputs (#)

1

Accuracy (%)

1

Dropout voltage (Vdo) (typ) (mV)

90

Operating temperature range (°C)

-40 to 125

Package

WQFN (RTE)-16-9 mm² 3 x 3

Features

  • Input voltage range:
    • Without BIAS: 1.1V to 6.0V
    • With BIAS: 0.7V to 6.0V
  • Output voltage noise: 2.45µVRMS
  • 1% (max) accuracy over line, load, and temperature
  • Low dropout: 90mV at 6A
  • Power-supply rejection ratio (6A):
    • 100dB at 1kHz
    • 78dB at 10kHz
    • 60dB at 100kHz
    • 36dB at 1MHz
  • Load transient response:
    • ±3mV with a 100mA to 6A load step
  • Adjustable output voltage range: 0.5V to 5.0V
  • Adjustable soft-start inrush control
  • BIAS rail:
    • Internal charge pump or 3V to 11V external rail
    • Internal charge pump is able to be disabled
  • Open-drain, power-good (PG) output
  • Package:
    • 3mm × 3mm, 16-pin WQFN
    • EVM RθJA: 21.9°C/W
  • Input voltage range:
    • Without BIAS: 1.1V to 6.0V
    • With BIAS: 0.7V to 6.0V
  • Output voltage noise: 2.45µVRMS
  • 1% (max) accuracy over line, load, and temperature
  • Low dropout: 90mV at 6A
  • Power-supply rejection ratio (6A):
    • 100dB at 1kHz
    • 78dB at 10kHz
    • 60dB at 100kHz
    • 36dB at 1MHz
  • Load transient response:
    • ±3mV with a 100mA to 6A load step
  • Adjustable output voltage range: 0.5V to 5.0V
  • Adjustable soft-start inrush control
  • BIAS rail:
    • Internal charge pump or 3V to 11V external rail
    • Internal charge pump is able to be disabled
  • Open-drain, power-good (PG) output
  • Package:
    • 3mm × 3mm, 16-pin WQFN
    • EVM RθJA: 21.9°C/W

Description

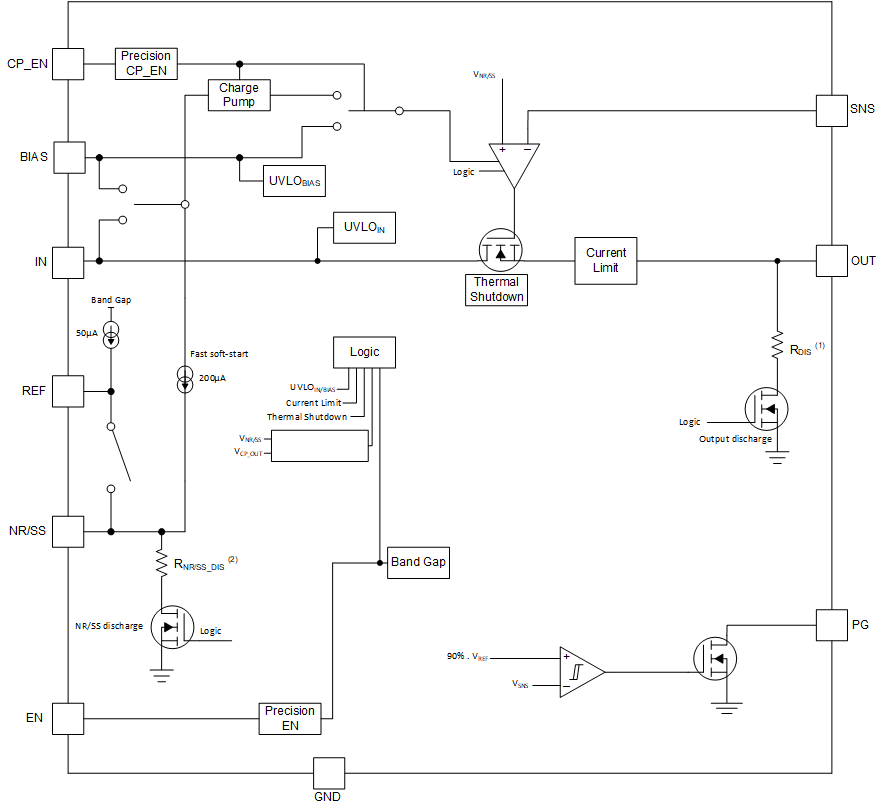
The TPS7A56 is a low-noise (2.45µVRMS), ultra-low-dropout linear regulator (LDO) capable of sourcing 6A with only 90mV of dropout, independently of the output voltage. The device output voltage is adjustable from 0.5V to 5V using a single external resistor. The combination of low noise, high PSRR (36dB at 1MHz), and high output-current capability makes the TPS7A56 designed for powering noise-sensitive components. These components (such as RF amplifiers, radar sensors, SERDES, and analog chipsets) are found in radar power, communication, and imaging applications.

Digital loads requiring low-input, low-output (LILO) voltage operation also benefit from exceptional accuracy, remote sensing, transient performance, and soft-start capabilities to provide best system performance. These loads include application-specific integrated circuits (ASICs), field-programmable gate arrays (FPGAs), and digital signal processors (DSPs). The versatility, performance, and small footprint make this LDO an excellent choice for high-current analog loadsand digital loads such as serializer/deserializers (SerDes), FPGAs, and DSPs. High-current analog loads include analog-to-digital converters (ADCs), digital-to-analog converters (DACs), and imaging sensors.

The TPS7A56 is a low-noise (2.45µVRMS), ultra-low-dropout linear regulator (LDO) capable of sourcing 6A with only 90mV of dropout, independently of the output voltage. The device output voltage is adjustable from 0.5V to 5V using a single external resistor. The combination of low noise, high PSRR (36dB at 1MHz), and high output-current capability makes the TPS7A56 designed for powering noise-sensitive components. These components (such as RF amplifiers, radar sensors, SERDES, and analog chipsets) are found in radar power, communication, and imaging applications.

Digital loads requiring low-input, low-output (LILO) voltage operation also benefit from exceptional accuracy, remote sensing, transient performance, and soft-start capabilities to provide best system performance. These loads include application-specific integrated circuits (ASICs), field-programmable gate arrays (FPGAs), and digital signal processors (DSPs). The versatility, performance, and small footprint make this LDO an excellent choice for high-current analog loadsand digital loads such as serializer/deserializers (SerDes), FPGAs, and DSPs. High-current analog loads include analog-to-digital converters (ADCs), digital-to-analog converters (DACs), and imaging sensors.

Subscribe to Welllinkchips !
Your Name
* Email
Submit a request