0
TPS65261
  • TPS65261
  • TPS65261

TPS65261

ACTIVE

4.5V to 18V Input Voltage, 3A/2A/2A Output Current Triple Synchronous Buck Converter

Texas Instruments TPS65261 Product Info

1 April 2026 0

Parameters

Rating

Catalog

Topology

Buck

Iout (max) (A)

3

Vin (max) (V)

18

Vin (min) (V)

4.5

Vout (min) (V)

0.6

Features

Enable, Light Load Efficiency, Power good, Soft Start Adjustable, Synchronous Rectification, UVLO adjustable

Control mode

current mode

Operating temperature range (°C)

-40 to 85

Iq (typ) (A)

0.0006

Duty cycle (max) (%)

95

Package

VQFN (RHB)-32-25 mm² 5 x 5

Features

  • Operating input supply voltage range (4.5 V to 18 V)
  • Feedback reference voltage 0.6 V±1%
  • Maximum continuous output current 3 A/2 A/2 A
  • Adjustable clock frequency from 250 kHz to 2 MHz
  • dedicated enable and soft start pins for each buck
  • Automatic power-up, power-down sequence
  • Pulse Skipping Mode (PSM) at Light Load (TPS65261 only)
  • Output voltage power-good indicator
  • Input voltage power failure indicator
  • Thermal overloading protection
  • Operating input supply voltage range (4.5 V to 18 V)
  • Feedback reference voltage 0.6 V±1%
  • Maximum continuous output current 3 A/2 A/2 A
  • Adjustable clock frequency from 250 kHz to 2 MHz
  • dedicated enable and soft start pins for each buck
  • Automatic power-up, power-down sequence
  • Pulse Skipping Mode (PSM) at Light Load (TPS65261 only)
  • Output voltage power-good indicator
  • Input voltage power failure indicator
  • Thermal overloading protection

Description

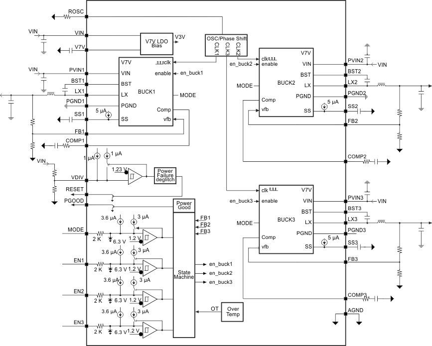
The TPS65261, TPS65261-1 is a monolithic triple synchronous step-down (buck) converter with 3-A/2-A/2-A output currents. A wide 4.5-V to 18-V input supply voltage range encompasses the most intermediate bus voltages operating off 5-V, 9-V, 12-V or 15-V power bus. The converter, with constant frequency peak current mode, is designed to simplify its application while giving designers options to optimize the system according to targeted applications. The switching frequency of the converters can be adjusted from 250 kHz to 2 MHz with an external resistor. The 180° out-of-phase operation between Buck1 and Buck2, 3 (Buck2 and 3 run in phase) minimizes the input filter requirements.

The TPS65261, TPS65261-1 features an automatic power sequence with connecting MODE pin to V7V and configuring EN1/2/3 pins. The device also features an open drain RESET signal to monitor power down.

At light load, the TPS65261 automatically operates in pulse skipping mode (PSM) and the TPS65261-1 operates in force continuous current mode (FCC). PSM mode provides high efficiency by reducing switching losses at light loads and FCC mode reduces noise susceptibility and RF interference.

The device features overvoltage protection, overcurrent and short-circuit protection and over-temperature protection. A power-good pin asserts when any output voltages are out of regulation.

The TPS65261, TPS65261-1 is a monolithic triple synchronous step-down (buck) converter with 3-A/2-A/2-A output currents. A wide 4.5-V to 18-V input supply voltage range encompasses the most intermediate bus voltages operating off 5-V, 9-V, 12-V or 15-V power bus. The converter, with constant frequency peak current mode, is designed to simplify its application while giving designers options to optimize the system according to targeted applications. The switching frequency of the converters can be adjusted from 250 kHz to 2 MHz with an external resistor. The 180° out-of-phase operation between Buck1 and Buck2, 3 (Buck2 and 3 run in phase) minimizes the input filter requirements.

The TPS65261, TPS65261-1 features an automatic power sequence with connecting MODE pin to V7V and configuring EN1/2/3 pins. The device also features an open drain RESET signal to monitor power down.

At light load, the TPS65261 automatically operates in pulse skipping mode (PSM) and the TPS65261-1 operates in force continuous current mode (FCC). PSM mode provides high efficiency by reducing switching losses at light loads and FCC mode reduces noise susceptibility and RF interference.

The device features overvoltage protection, overcurrent and short-circuit protection and over-temperature protection. A power-good pin asserts when any output voltages are out of regulation.

Subscribe to Welllinkchips !
Your Name
* Email
Submit a request