0
TPS23880
  • TPS23880
  • TPS23880
  • TPS23880

TPS23880

ACTIVE

4-pair, type-4, 8-channel PoE PSE with programmable SRAM

Texas Instruments TPS23880 Product Info

1 April 2026 1

Parameters

PoE standards supported

802.3at Type 1 (802.3af), 802.3at Type 2, 802.3bt Type 3, 802.3bt Type 4

MPS method

DC Disconnect

Features

Auto Mode, Current Limit with Foldback, Fast shutdown, Multi Level Port Priority, Over Current Reporting, Over Temp Reporting, Port remapping, Programmable PCUT, Programmable Port Power Limiting, SRAM Programmable

Number of PSE ports

8

Pair control

2-Pair Alt A, 4-Pair

Vin (max) (V)

57

Vin (min) (V)

44

FET

External

ILIM

Programmable

Operating temperature range (°C)

-40 to 125

Rating

Catalog

Package

VQFN (RTQ)-56-64 mm² 8 x 8

Features

  • IEEE 802.3bt PSE solution for PoE 2 Type 3 or Type 4 Power Over Ethernet applications
  • Eight independent PSE channels
  • SRAM Programmable memory
  • Programmable power limiting accuracy ±3%
  • Selectable 2-pair or 4-pair port power allocations
    • 15.4 W, 30 W, 45 W, 60 W, 75 W or 90 W
  • Single and dual signature PD compatibility
  • Dedicated 14-bit integrating current ADC per port
    • Inherent filtering
    • Noise immune MPS for DC disconnect
    • 2% Current sensing accuracy
    • 100-ms Rolling port current averaging
  • 1- or 3-Bit fast port shutdown input
  • Auto-class discovery and power measurement
  • Never Fooled 4-Point detection
  • Inrush and operational foldback protection
  • 425-mA and 1.25-A Selectable current limits
  • Port re-mapping
  • 8-Bit or 16-bit I2C communication
  • Flexible processor controlled operating modes
    • Auto, semi auto and manual / diagnostic
  • Per Port voltage monitoring and telemetry
  • –40°C to +125°C Temperature operation
  • IEEE 802.3bt PSE solution for PoE 2 Type 3 or Type 4 Power Over Ethernet applications
  • Eight independent PSE channels
  • SRAM Programmable memory
  • Programmable power limiting accuracy ±3%
  • Selectable 2-pair or 4-pair port power allocations
    • 15.4 W, 30 W, 45 W, 60 W, 75 W or 90 W
  • Single and dual signature PD compatibility
  • Dedicated 14-bit integrating current ADC per port
    • Inherent filtering
    • Noise immune MPS for DC disconnect
    • 2% Current sensing accuracy
    • 100-ms Rolling port current averaging
  • 1- or 3-Bit fast port shutdown input
  • Auto-class discovery and power measurement
  • Never Fooled 4-Point detection
  • Inrush and operational foldback protection
  • 425-mA and 1.25-A Selectable current limits
  • Port re-mapping
  • 8-Bit or 16-bit I2C communication
  • Flexible processor controlled operating modes
    • Auto, semi auto and manual / diagnostic
  • Per Port voltage monitoring and telemetry
  • –40°C to +125°C Temperature operation

Description

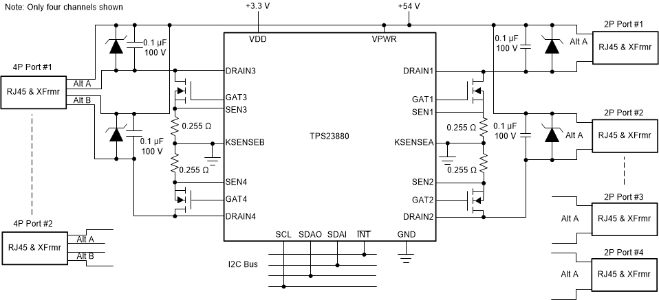
The TPS23880 is an 8-channel power sourcing equipment (PSE) controller engineered to insert power onto Ethernet cables in accordance with the IEEE 802.3bt standard. The eight individual power channels can be configured in any combination of 2-Pair (1-channel) or 4-Pair (2-channels) PoE Ports. The PSE controller can detect powered devices (PDs) that have a valid signature, complete mutual identification, and apply power.

Programmable SRAM enables in-field firmware upgradability over I2C to ensure IEEE compliance and interoperability with the latest PoE enabled devices. Dedicated per port ADCs provide continuous port current monitoring and the ability to perform parallel classification measurements for faster port turn on times. A ±3% accurate programmable port power limit provides the ability to expand the maximum power sourced above 90 W without exceeding 100 W while also making system level power management control more easy to implement and reliable. The Fast Shutdown (OSS) input provides up to eight levels of per port shutdown priority for applications requiring immediate disabling of multiple ports. The 255-mΩ current sense resistor and external FET architecture allow designs to balance size, efficiency, thermal and solution cost requirements. 

Port remapping and pin-to-pin compatibility with the TPS2388, TPS23881, and TPS23882 devices eases migration from previous generation PSE designs and enables interchangeable 2-layer PCB designs to accommodate different system PoE power configurations.

The TPS23880 is an 8-channel power sourcing equipment (PSE) controller engineered to insert power onto Ethernet cables in accordance with the IEEE 802.3bt standard. The eight individual power channels can be configured in any combination of 2-Pair (1-channel) or 4-Pair (2-channels) PoE Ports. The PSE controller can detect powered devices (PDs) that have a valid signature, complete mutual identification, and apply power.

Programmable SRAM enables in-field firmware upgradability over I2C to ensure IEEE compliance and interoperability with the latest PoE enabled devices. Dedicated per port ADCs provide continuous port current monitoring and the ability to perform parallel classification measurements for faster port turn on times. A ±3% accurate programmable port power limit provides the ability to expand the maximum power sourced above 90 W without exceeding 100 W while also making system level power management control more easy to implement and reliable. The Fast Shutdown (OSS) input provides up to eight levels of per port shutdown priority for applications requiring immediate disabling of multiple ports. The 255-mΩ current sense resistor and external FET architecture allow designs to balance size, efficiency, thermal and solution cost requirements. 

Port remapping and pin-to-pin compatibility with the TPS2388, TPS23881, and TPS23882 devices eases migration from previous generation PSE designs and enables interchangeable 2-layer PCB designs to accommodate different system PoE power configurations.

Subscribe to Welllinkchips !
Your Name
* Email
Submit a request