0
TPS65161
  • TPS65161
  • TPS65161

TPS65161

ACTIVE

4-CH LCD Bias (2.8A Min. Boost Ilim. Up to 19V, 2.3A Min. Buck Ilim)

Texas Instruments TPS65161 Product Info

1 April 2026 0

Parameters

Display type

LCD unipolar

IC integration

LCD bias

Vin (min) (V)

8

Vin (max) (V)

14.7

Applications

13 to 21 inches, 21 inches and above

Source driver voltage (max) (V)

19

Level shifter/scan driver (Ch)

0

V_NEG (max) (V)

-2

Features

Adjustable sequencing

Topology

Boost, Buck

Rating

Catalog

Operating temperature range (°C)

-40 to 85

Package

HTSSOP (PWP)-28-62.08 mm² 9.7 x 6.4

Features

  • 8-V to 14.7-V Input Voltage Range
  • VS Output Voltage Range up to 19 V
  • TPS65161 has a 2.8-A Switch Current Limit
  • TPS65161A has a 3.7-A Switch Current Limit
  • TPS65161B has a 3.7-A Switch Current Limit and 100-mA
    Charge Pump Output Current
  • 1.5% Accurate 2.3-A Step-Down Converter
  • 500-kHz/750-kHz Fixed Switching Frequency
  • Negative Charge Pump Driver for VGL
  • Positive Charge Pump Driver for VGH
  • Adjustable Sequencing for VGL, VGH
  • Gate Drive Signal to Drive External MOSFET
  • Internal and Adjustable Soft Start
  • Short-Circuit Protection
  • Overvoltage Protection
  • Thermal Shutdown
  • Available in HTSSOP-28 Package
  • 8-V to 14.7-V Input Voltage Range
  • VS Output Voltage Range up to 19 V
  • TPS65161 has a 2.8-A Switch Current Limit
  • TPS65161A has a 3.7-A Switch Current Limit
  • TPS65161B has a 3.7-A Switch Current Limit and 100-mA
    Charge Pump Output Current
  • 1.5% Accurate 2.3-A Step-Down Converter
  • 500-kHz/750-kHz Fixed Switching Frequency
  • Negative Charge Pump Driver for VGL
  • Positive Charge Pump Driver for VGH
  • Adjustable Sequencing for VGL, VGH
  • Gate Drive Signal to Drive External MOSFET
  • Internal and Adjustable Soft Start
  • Short-Circuit Protection
  • Overvoltage Protection
  • Thermal Shutdown
  • Available in HTSSOP-28 Package

Description

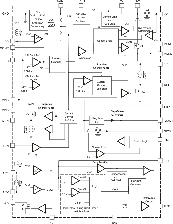
The TPS65161 family offers a compact power supply solution to provide all four voltages required by thin-film transistor (TFT) LCD panels. With their high current capabilities, the devices are ideal for large screen monitor panels and LCD TV applications.

Compared to the TPS65160 and TPS65160A the TPS65161/A/B family of devices offer increased step-down converter output current. The TPS65161B also offers increased charge pump output current, and a higher undervoltage lockout threshold. The devices can be powered from a 12-V input supply and generate the four main supply voltages required by TFT LCD display panels.

Each device comprises a boost converter to generate the source voltage VS, a step-down converter to generate the logic supply V(LOGIC), and regulated positive and negative charge pumps to generate the TFT bias voltages VGH and VGL. Both switching converters and both charge pumps operate from a central clock that can be set to either 750-kHz or 500-kHz by tying the FREQ pin high or low.

The TPS65161/A/B devices feature adjustable power supply sequencing, plus a number of safety features such as boost converter overvoltage protection, buck converter short-circuit protection, and thermal shutdown. The devices also incorporate a gate drive signal to control an external MOSFET isolation switch connected in series with VS or VGH (see the application section at the end of this data sheet for more information).

The TPS65161 family offers a compact power supply solution to provide all four voltages required by thin-film transistor (TFT) LCD panels. With their high current capabilities, the devices are ideal for large screen monitor panels and LCD TV applications.

Compared to the TPS65160 and TPS65160A the TPS65161/A/B family of devices offer increased step-down converter output current. The TPS65161B also offers increased charge pump output current, and a higher undervoltage lockout threshold. The devices can be powered from a 12-V input supply and generate the four main supply voltages required by TFT LCD display panels.

Each device comprises a boost converter to generate the source voltage VS, a step-down converter to generate the logic supply V(LOGIC), and regulated positive and negative charge pumps to generate the TFT bias voltages VGH and VGL. Both switching converters and both charge pumps operate from a central clock that can be set to either 750-kHz or 500-kHz by tying the FREQ pin high or low.

The TPS65161/A/B devices feature adjustable power supply sequencing, plus a number of safety features such as boost converter overvoltage protection, buck converter short-circuit protection, and thermal shutdown. The devices also incorporate a gate drive signal to control an external MOSFET isolation switch connected in series with VS or VGH (see the application section at the end of this data sheet for more information).

Subscribe to Welllinkchips !
Your Name
* Email
Submit a request