0
TPS65073
  • TPS65073
  • TPS65073

TPS65073

ACTIVE

5-Channel Power Management IC (PMIC) with 3 DC/DCs, 2 LDOs in 6x6mm QFN

Texas Instruments TPS65073 Product Info

1 April 2026 0

Parameters

Processor supplier

Texas Instruments

Processor name

OMAP

Product type

Processor and FPGA

Regulated outputs (#)

5

Step-down DC/DC converter

3

Step-up DC/DC converter

0

LDO

2

Vin (min) (V)

1.8

Vin (max) (V)

6.3

Vout (min) (V)

0.725

Vout (max) (V)

19.2

Iout (max) (A)

1.5

Configurability

Factory programmable

Features

Comm control, Power good, Power sequencing

Rating

Catalog

Operating temperature range (°C)

-40 to 85

Step-down DC/DC controller

0

Step-up DC/DC controller

0

Iq (typ) (mA)

0.08

Switching frequency (max) (kHz)

2250

Shutdown current (ISD) (typ) (µA)

0.08

Switching frequency (typ) (kHz)

2250

Package

VQFN (RSL)-48-36 mm² 6 x 6

Features

  • Charger/Power Path Management:
    • 2-A Output Current on the Power Path
    • Linear Charger; 1.5-A Maximum Charge Current
    • 100-mA/500-mA/800-mA/1300-mA Current Limit From USB Input
    • Thermal Regulation, Safety Timers
    • Temperature Sense Input
  • 3 Step-Down Converters:
    • 2.25-MHz Fixed-Frequency Operation
    • Up to 1.5 A of Output Current
    • Adjustable or Fixed Output Voltage
    • VIN Range From 2.8 V to 6.3 V
    • Power Save Mode at Light Load Current
    • Output Voltage Accuracy in PWM Mode ±1.5%
    • Typical 19-µA Quiescent Current per Converter
    • 100% Duty Cycle for Lowest Dropout
  • LDOs:
    • Fixed Output Voltage
    • Dynamic Voltage Scaling on LDO2
    • 20-µA Quiescent Current
    • 200-mA Maximum Output Current
    • VIN Range From 1.8 V to 6.3 V
  • wLED Boost Converter:
    • Internal Dimming Using I2C
    • Up to 2 × 10 LEDs
    • Up to 25 mA per String With Internal Current Sink
  • I2C Interface
  • 10 Bit A/D Converter
  • Touch Screen Interface
  • Undervoltage Lockout and Battery Fault Comparator
  • Charger/Power Path Management:
    • 2-A Output Current on the Power Path
    • Linear Charger; 1.5-A Maximum Charge Current
    • 100-mA/500-mA/800-mA/1300-mA Current Limit From USB Input
    • Thermal Regulation, Safety Timers
    • Temperature Sense Input
  • 3 Step-Down Converters:
    • 2.25-MHz Fixed-Frequency Operation
    • Up to 1.5 A of Output Current
    • Adjustable or Fixed Output Voltage
    • VIN Range From 2.8 V to 6.3 V
    • Power Save Mode at Light Load Current
    • Output Voltage Accuracy in PWM Mode ±1.5%
    • Typical 19-µA Quiescent Current per Converter
    • 100% Duty Cycle for Lowest Dropout
  • LDOs:
    • Fixed Output Voltage
    • Dynamic Voltage Scaling on LDO2
    • 20-µA Quiescent Current
    • 200-mA Maximum Output Current
    • VIN Range From 1.8 V to 6.3 V
  • wLED Boost Converter:
    • Internal Dimming Using I2C
    • Up to 2 × 10 LEDs
    • Up to 25 mA per String With Internal Current Sink
  • I2C Interface
  • 10 Bit A/D Converter
  • Touch Screen Interface
  • Undervoltage Lockout and Battery Fault Comparator

Description

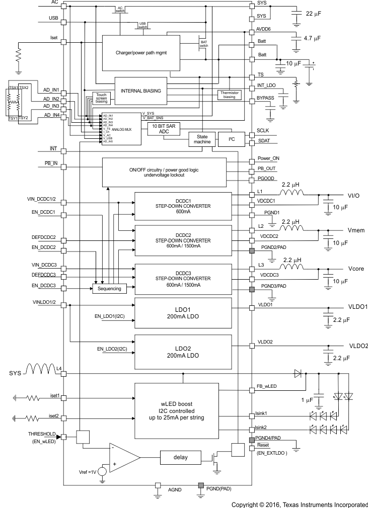
The TPS6507x family of devices are single-chip power management ICs (PMICs) for portable applications consisting of a battery charger with power path management for a single Li-Ion or Li-Polymer cell. The charger can either be supplied by a USB port on pin USB or by a DC voltage from a wall adapter connected to pin AC. Three highly efficient 2.25-MHz step-down converters are targeted at providing the core voltage, memory, and I/O voltage in a processor-based system. The step-down converters enter a low power mode at light load for maximum efficiency across the widest possible range of load currents.

For low noise applications the devices can be forced into fixed-frequency PWM using the I2C interface. The step-down converters allow the use of small inductors and capacitors to achieve a small solution size. The TPS6507x devices also integrate two general purpose LDOs for an output current of 200 mA. These LDOs can be used to power an SD-card interface and an always-on rail, but can be used for other purposes as well. Each LDO operates with an input voltage range from 1.8 V to 6.3 V allowing them to be supplied from one of the step-down converters or directly from the main battery. An inductive boost converter with two programmable current sinks power two strings of white LEDs.

The TPS6507x devices come in a 48-pin leadless package (6-mm × 6-mm VQFN) with a 0.4-mm pitch.

The TPS6507x family of devices are single-chip power management ICs (PMICs) for portable applications consisting of a battery charger with power path management for a single Li-Ion or Li-Polymer cell. The charger can either be supplied by a USB port on pin USB or by a DC voltage from a wall adapter connected to pin AC. Three highly efficient 2.25-MHz step-down converters are targeted at providing the core voltage, memory, and I/O voltage in a processor-based system. The step-down converters enter a low power mode at light load for maximum efficiency across the widest possible range of load currents.

For low noise applications the devices can be forced into fixed-frequency PWM using the I2C interface. The step-down converters allow the use of small inductors and capacitors to achieve a small solution size. The TPS6507x devices also integrate two general purpose LDOs for an output current of 200 mA. These LDOs can be used to power an SD-card interface and an always-on rail, but can be used for other purposes as well. Each LDO operates with an input voltage range from 1.8 V to 6.3 V allowing them to be supplied from one of the step-down converters or directly from the main battery. An inductive boost converter with two programmable current sinks power two strings of white LEDs.

The TPS6507x devices come in a 48-pin leadless package (6-mm × 6-mm VQFN) with a 0.4-mm pitch.

Subscribe to Welllinkchips !
Your Name
* Email
Submit a request