0
TPS630242
  • TPS630242
  • TPS630242

TPS630242

ACTIVE

High Efficiency 1.5A Single Inductor Buck-Boost Converter

Texas Instruments TPS630242 Product Info

1 April 2026 0

Parameters

Rating

Catalog

Topology

Buck-Boost

Vin (max) (V)

5.5

Vin (min) (V)

2.3

Vout (max) (V)

3.3

Vout (min) (V)

3.3

Switch current limit (typ) (A)

3

Features

Enable, Light-load efficiency, Load Disconnect, Output discharge, Synchronous rectification, UVLO fixed

Operating temperature range (°C)

-40 to 125

Iq (typ) (A)

0.000035

Duty cycle (max) (%)

100

Package

DSBGA (YFF)-20-3.96 mm² 1.8 x 2.2

Features

  • Real Buck or Boost operation with automatic and seamless transition between Buck and Boost operation
  • 2.3V to 5.5V input voltage range
  • 1.5A Continuous Output Current : VIN≥ 2.5V, VOUT= 3.3V
  • Adjustable and fixed output voltage
  • Efficiency up to 95% in Buck or Boost mode and up to 97% when VIN=VOUT
  • 2.5MHz typical switching frequency
  • 35µA operating quiescent current
  • Integrated Soft –Start
  • Power Save Mode
  • True shutdown function
  • Output capacitor discharge function
  • Over-Temperature Protection and Over current Protection
  • Wide capacitance selection
  • Small 1.766 mm x 2.086mm, 20-pin WCSP
  • Real Buck or Boost operation with automatic and seamless transition between Buck and Boost operation
  • 2.3V to 5.5V input voltage range
  • 1.5A Continuous Output Current : VIN≥ 2.5V, VOUT= 3.3V
  • Adjustable and fixed output voltage
  • Efficiency up to 95% in Buck or Boost mode and up to 97% when VIN=VOUT
  • 2.5MHz typical switching frequency
  • 35µA operating quiescent current
  • Integrated Soft –Start
  • Power Save Mode
  • True shutdown function
  • Output capacitor discharge function
  • Over-Temperature Protection and Over current Protection
  • Wide capacitance selection
  • Small 1.766 mm x 2.086mm, 20-pin WCSP

Description

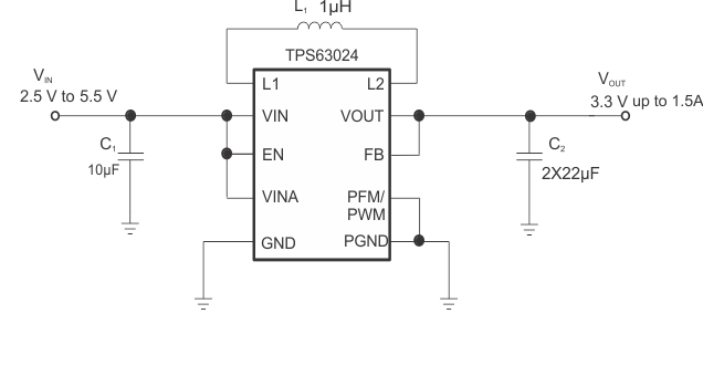
The TPS63024 are high efficiency, low quiescent current buck-boost converters suitable for application where the input voltage is higher or lower than the output. Output currents can go as high as 1.5A in boost mode and as high as 3A in buck mode. The maximum average current in the switches is limited to a typical value of 3A. The TPS63024 regulates the output voltage over the complete input voltage range by automatically switching between buck or boost mode depending on the input voltage ensuring a seamless transition between modes. The buck-boost converter is based on a fixed frequency, pulse-width-modulation (PWM) controller using synchronous rectification to obtain highest efficiency. At low load currents, the converter enters Power Save Mode to maintain high efficiency over the complete load current range. There is a PFM/PWM pin that allows the user to choose between automatic PFM/PWM mode operation and forced PWM operation. During PWM mode a fixed-frequency of typically 2.5MHz is used. The output voltage is programmable using an external resistor divider, or is fixed internally on the chip. The converter can be disabled to minimize battery drain. During shutdown, the load is disconnected from the battery. The device is packaged in a 20-pin WCSP package measuring 1.766 mm x 2.086mm.

The TPS63024 are high efficiency, low quiescent current buck-boost converters suitable for application where the input voltage is higher or lower than the output. Output currents can go as high as 1.5A in boost mode and as high as 3A in buck mode. The maximum average current in the switches is limited to a typical value of 3A. The TPS63024 regulates the output voltage over the complete input voltage range by automatically switching between buck or boost mode depending on the input voltage ensuring a seamless transition between modes. The buck-boost converter is based on a fixed frequency, pulse-width-modulation (PWM) controller using synchronous rectification to obtain highest efficiency. At low load currents, the converter enters Power Save Mode to maintain high efficiency over the complete load current range. There is a PFM/PWM pin that allows the user to choose between automatic PFM/PWM mode operation and forced PWM operation. During PWM mode a fixed-frequency of typically 2.5MHz is used. The output voltage is programmable using an external resistor divider, or is fixed internally on the chip. The converter can be disabled to minimize battery drain. During shutdown, the load is disconnected from the battery. The device is packaged in a 20-pin WCSP package measuring 1.766 mm x 2.086mm.

Subscribe to Welllinkchips !
Your Name
* Email
Submit a request