0
TPS62624
  • TPS62624
  • TPS62624
  • TPS62624

TPS62624

ACTIVE

600-mA, 6-MHz, Vout 1.2V, 90% Efficiency Step-Down Converter

Texas Instruments TPS62624 Product Info

1 April 2026 0

Parameters

Rating

Catalog

Topology

Buck

Iout (max) (A)

0.6

Vin (max) (V)

5.5

Vin (min) (V)

2.3

Vout (max) (V)

1.2

Vout (min) (V)

1.2

Features

Enable, Forced PWM, Output discharge, Synchronous Rectification

Control mode

Voltage mode

Operating temperature range (°C)

-40 to 85

Iq (typ) (A)

0.000031

Duty cycle (max) (%)

100

Package

DSBGA (YFF)-6-1.4000000000000001 mm² 1 x 1.4000000000000001

Features

  • Wide Input Voltage Range from 2.3 V to 5.5 V
  • 6 MHz Regulated Frequency Operation
  • 90% Efficiency at 6 MHz Operation
  • 31 µA Quiescent Current
  • Best in Class Load and Line Transient
  • ±2% Total DC Voltage Accuracy
  • Automatic PFM/PWM Mode Switching
  • Low Ripple Light-Load PFM Mode
  • Internal Soft Start, 120-µs Start-Up Time
  • Integrated Active Power-Down Sequencing
    (TPS62624 only)
  • Current Overload and Thermal Shutdown
    Protection
  • Three Surface-Mount External Components
    Required (One MLCC Inductor, Two Ceramic
    Capacitors)
  • Complete Sub 1-mm Component Profile Solution
  • Total Solution Size < 12 mm2
  • Available in a 6-Pin NanoFree™ (WCSP)
    Regular and Ultra-Thin Packaging
  • Wide Input Voltage Range from 2.3 V to 5.5 V
  • 6 MHz Regulated Frequency Operation
  • 90% Efficiency at 6 MHz Operation
  • 31 µA Quiescent Current
  • Best in Class Load and Line Transient
  • ±2% Total DC Voltage Accuracy
  • Automatic PFM/PWM Mode Switching
  • Low Ripple Light-Load PFM Mode
  • Internal Soft Start, 120-µs Start-Up Time
  • Integrated Active Power-Down Sequencing
    (TPS62624 only)
  • Current Overload and Thermal Shutdown
    Protection
  • Three Surface-Mount External Components
    Required (One MLCC Inductor, Two Ceramic
    Capacitors)
  • Complete Sub 1-mm Component Profile Solution
  • Total Solution Size < 12 mm2
  • Available in a 6-Pin NanoFree™ (WCSP)
    Regular and Ultra-Thin Packaging

Description

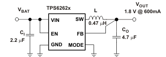
The TPS6262x device family provides high-frequency synchronous step-down DC/DC converters optimized for battery-powered portable applications. Intended for low-power applications, the TPS6262x devices support up to 600 mA load current, and allow the use of low cost chip inductor and capacitors.

With a wide input voltage range of 2.3 V to 5.5 V, the devices support applications powered by Li-Ion batteries with extended voltage range. Different fixed voltage output versions are available from 1.2 V to 2.3 V.

The TPS6262x devices operate at a regulated 6-MHz switching frequency and enter the power-save mode operation at light load currents to maintain high efficiency over the entire load current range.

The pulse frequency modulation (PFM) mode extends the battery life by reducing the quiescent current to 31 µA (typical) during light load and standby operation. For noise-sensitive applications, the device can be forced into fixed frequency pulse width modulation (PWM) mode by pulling the MODE pin high.

The TPS6262x devices operate over a free air temperature range of –40°C to 85°C. They are available in a 6-pin chip-scale package (WCSP).

The TPS6262x device family provides high-frequency synchronous step-down DC/DC converters optimized for battery-powered portable applications. Intended for low-power applications, the TPS6262x devices support up to 600 mA load current, and allow the use of low cost chip inductor and capacitors.

With a wide input voltage range of 2.3 V to 5.5 V, the devices support applications powered by Li-Ion batteries with extended voltage range. Different fixed voltage output versions are available from 1.2 V to 2.3 V.

The TPS6262x devices operate at a regulated 6-MHz switching frequency and enter the power-save mode operation at light load currents to maintain high efficiency over the entire load current range.

The pulse frequency modulation (PFM) mode extends the battery life by reducing the quiescent current to 31 µA (typical) during light load and standby operation. For noise-sensitive applications, the device can be forced into fixed frequency pulse width modulation (PWM) mode by pulling the MODE pin high.

The TPS6262x devices operate over a free air temperature range of –40°C to 85°C. They are available in a 6-pin chip-scale package (WCSP).

Subscribe to Welllinkchips !
Your Name
* Email
Submit a request