0
TPS62150
  • TPS62150
  • TPS62150

TPS62150

ACTIVE

3–17V 1A Step-Down Converter with DCS-Control in 3x3 QFN package

Texas Instruments TPS62150 Product Info

1 April 2026 0

Parameters

Rating

Catalog

Topology

Buck

Iout (max) (A)

1

Vin (max) (V)

17

Vin (min) (V)

3

Vout (max) (V)

6.3

Vout (min) (V)

0.9

Features

Enable, Light Load Efficiency, Output discharge, Power good, Synchronous Rectification, Tracking, Voltage Margining

Control mode

Constant on-time (COT), DCS-Control

Operating temperature range (°C)

-40 to 125

Iq (typ) (A)

0.000017

Duty cycle (max) (%)

100

Package

VQFN (RGT)-16-9 mm² 3 x 3

Features

  • DCS-Control™ topology
  • Input voltage range: 3 V to 17 V
  • Up to 1-A output current
  • Adjustable output voltage from 0.9 V to 6 V
  • Pin-selectable output voltage (nominal, +5%)
  • Programmable soft start and tracking
  • Seamless power-save mode transition
  • Quiescent current of 17 µA (typ.)
  • Selectable operating frequency
  • Power-good output
  • 100% duty-cycle mode
  • Short-circuit protection
  • Overtemperature protection
  • Pin-to-pin compatible with the TPS62130 and TPS62140
  • Available in a 3-mm × 3-mm, VQFN-16 package
  • Use the TPS82150 module for faster designs
  • DCS-Control™ topology
  • Input voltage range: 3 V to 17 V
  • Up to 1-A output current
  • Adjustable output voltage from 0.9 V to 6 V
  • Pin-selectable output voltage (nominal, +5%)
  • Programmable soft start and tracking
  • Seamless power-save mode transition
  • Quiescent current of 17 µA (typ.)
  • Selectable operating frequency
  • Power-good output
  • 100% duty-cycle mode
  • Short-circuit protection
  • Overtemperature protection
  • Pin-to-pin compatible with the TPS62130 and TPS62140
  • Available in a 3-mm × 3-mm, VQFN-16 package
  • Use the TPS82150 module for faster designs

Description

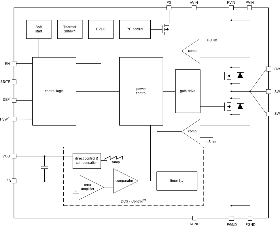
The TPS6215x family is an easy-to-use synchronous step down dc-dc converter optimized for applications with high power density. A high switching frequency of typically 2.5 MHz allows the use of small inductors and provides fast transient response as well as high output-voltage accuracy by the use of DCS-Control topology.

With their wide operating input-voltage range of 3 V to 17 V, the devices are ideally suited for systems powered from either Li-Ion or other batteries as well as from 12-V intermediate power rails. The devices support up to 1-A continuous output current at output voltages between 0.9 V and 6 V (in 100% duty-cycle mode). The soft-start pin controls the output-voltage start-up ramp, which allows operation as either a standalone power supply or in tracking configurations. Power sequencing is also possible by configuring the enable (EN) and open-drain power-good (PG) pins.

In power-save mode, the devices draw quiescent current of about 17 µA from VIN. Power-save-mode, entered automatically and seamlessly if the load is small, maintains high efficiency over the entire load range. In shutdown mode, the device turns off and current consumption is less than 2 µA.

The device, available in adjustable- and fixed-output-voltage versions, comes in a 16-pin VQFN package measuring 3 × 3 mm (RGT).

The TPS6215x family is an easy-to-use synchronous step down dc-dc converter optimized for applications with high power density. A high switching frequency of typically 2.5 MHz allows the use of small inductors and provides fast transient response as well as high output-voltage accuracy by the use of DCS-Control topology.

With their wide operating input-voltage range of 3 V to 17 V, the devices are ideally suited for systems powered from either Li-Ion or other batteries as well as from 12-V intermediate power rails. The devices support up to 1-A continuous output current at output voltages between 0.9 V and 6 V (in 100% duty-cycle mode). The soft-start pin controls the output-voltage start-up ramp, which allows operation as either a standalone power supply or in tracking configurations. Power sequencing is also possible by configuring the enable (EN) and open-drain power-good (PG) pins.

In power-save mode, the devices draw quiescent current of about 17 µA from VIN. Power-save-mode, entered automatically and seamlessly if the load is small, maintains high efficiency over the entire load range. In shutdown mode, the device turns off and current consumption is less than 2 µA.

The device, available in adjustable- and fixed-output-voltage versions, comes in a 16-pin VQFN package measuring 3 × 3 mm (RGT).

Subscribe to Welllinkchips !
Your Name
* Email
Submit a request