0
TPS61177A
  • TPS61177A
  • TPS61177A

TPS61177A

ACTIVE

WLED driver for notebook and Tablet display

Texas Instruments TPS61177A Product Info

1 April 2026 0

Parameters

Number of channels

6

Vin (min) (V)

2.5

Vin (max) (V)

24

Vout (min) (V)

4.5

Vout (max) (V)

39

Type

Inductive

Switching frequency (max) (kHz)

1200

Duty cycle (max) (%)

95

LED current per channel (mA)

30

Peak efficiency (%)

95

Topology

Boost

Features

Analog Dimming, Analog/PWM mixed dimming, CABC, Direct PWM Dimming

Operating temperature range (°C)

-40 to 85

Rating

Catalog

Package

VQFN (RGR)-20-12.25 mm² 3.5 x 3.5

Features

  • 2.5-V to 24-V Input Voltage Range
  • 39-V Maximum Output Voltage
  • Integrated 1.8-A, 40-V MOSFET
  • 450-kHz to 1.2-MHz Programmable Switching Frequency
  • Adaptive Boost Output to WLED Voltages
  • 100-Hz to 25-kHz Wide Input PWM Dimming Frequency Range
  • 1% Minimum Dimming Duty Cycle
  • Small External Components
  • Integrated Loop Compensation
  • Six Current Sinks of 30 mA Maximum
  • 1% (Typical) Current Matching
  • Input PWM Glitch Filter
  • PWM Brightness Interface Control
  • Three Optional Dimming Methods, including Direct PWM Dimming, Analog Dimming, and Analog and PWM Mixed Dimming
  • Built-in WLED Open Protection
  • Thermal Shutdown
  • 2.5-V to 24-V Input Voltage Range
  • 39-V Maximum Output Voltage
  • Integrated 1.8-A, 40-V MOSFET
  • 450-kHz to 1.2-MHz Programmable Switching Frequency
  • Adaptive Boost Output to WLED Voltages
  • 100-Hz to 25-kHz Wide Input PWM Dimming Frequency Range
  • 1% Minimum Dimming Duty Cycle
  • Small External Components
  • Integrated Loop Compensation
  • Six Current Sinks of 30 mA Maximum
  • 1% (Typical) Current Matching
  • Input PWM Glitch Filter
  • PWM Brightness Interface Control
  • Three Optional Dimming Methods, including Direct PWM Dimming, Analog Dimming, and Analog and PWM Mixed Dimming
  • Built-in WLED Open Protection
  • Thermal Shutdown

Description

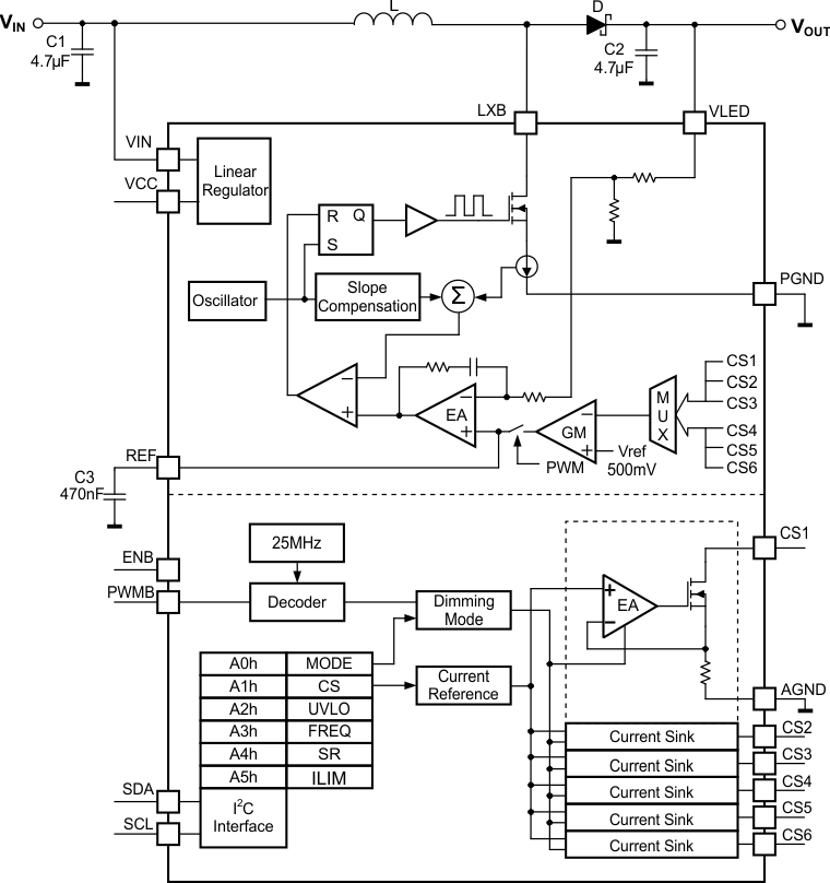
The TPS61177A device provides a highly integrated white LED (WLED) driver solution for notebook LCD backlight. This device has a built-in high-efficiency boost regulator with integrated 1.8-A, 40-V power MOSFET. The six current sink regulators provide high precision current regulation and matching. In total, the device can support up to 72 WLEDs. In addition, the boost output automatically adjusts its voltage to the WLED forward voltage to optimize efficiency.

The TPS61177A supports the analog dimming, analog and PWM dimming, and direct PWM dimming method. During analog dimming mode, each CS current linearly varies depending on the duty cycle information on the PWMB pin. During analog and PWM mixed dimming mode, the input PWM duty cycle information is translated to an analog signal to control the WLED current linearly over 25% to 100% brightness area. The device also allows adding PWM dimming when the analog current is down to 25%. Below 25%, the analog signal translates to PWM duty cycle information to control the on or off of WLED current and averages the WLED current down to 1%. The frequency of adding PWM dimming is same to input PWM frequency on the PWMB pin. While the TPS61177A also supports a direct PWM dimming method, in direct PWM dimming mode the WLED current is turned on or off, synchronized with the input PWM signal.

The TPS61177A device provides a highly integrated white LED (WLED) driver solution for notebook LCD backlight. This device has a built-in high-efficiency boost regulator with integrated 1.8-A, 40-V power MOSFET. The six current sink regulators provide high precision current regulation and matching. In total, the device can support up to 72 WLEDs. In addition, the boost output automatically adjusts its voltage to the WLED forward voltage to optimize efficiency.

The TPS61177A supports the analog dimming, analog and PWM dimming, and direct PWM dimming method. During analog dimming mode, each CS current linearly varies depending on the duty cycle information on the PWMB pin. During analog and PWM mixed dimming mode, the input PWM duty cycle information is translated to an analog signal to control the WLED current linearly over 25% to 100% brightness area. The device also allows adding PWM dimming when the analog current is down to 25%. Below 25%, the analog signal translates to PWM duty cycle information to control the on or off of WLED current and averages the WLED current down to 1%. The frequency of adding PWM dimming is same to input PWM frequency on the PWMB pin. While the TPS61177A also supports a direct PWM dimming method, in direct PWM dimming mode the WLED current is turned on or off, synchronized with the input PWM signal.

Subscribe to Welllinkchips !
Your Name
* Email
Submit a request