0
TPS61176
  • TPS61176
  • TPS61176

TPS61176

ACTIVE

High efficient 6-channel WLED driver supporting single-Cell Li-Ion Battery Input

Texas Instruments TPS61176 Product Info

1 April 2026 0

Parameters

Number of channels

6

Vin (min) (V)

2.7

Vin (max) (V)

6.5

Vout (min) (V)

2.7

Vout (max) (V)

38

Type

Inductive

Switching frequency (max) (kHz)

1000

Duty cycle (max) (%)

93

LED current per channel (mA)

35

Peak efficiency (%)

90

Topology

Boost

Operating temperature range (°C)

-40 to 85

Rating

Catalog

Package

WQFN (RTE)-16-9 mm² 3 x 3

Features

  • 2.7-V to 6.5-V VIN Voltage Range
  • 2.7-V to 24-V Boost Input Voltage Range
  • Integrated 2-A/40-V MOSFET
  • 1-MHz Switching Frequency
  • Adaptive Boost Output to WLED Voltages
  • Six Current Sinks of 35 mA Capability Each
  • ±2% (Maximum) Current Accuracy
  • 1.3% (Typical) Current Matching
  • 100-Hz to 22-kHz Input PWM Frequency
  • Mixed Dimming Mode: Automatic Switch Between
    Analog Dimming and PWM Dimming
    • Programmable Switch Point: 25% or 12.5%
    • Programmable PWM Dimming Mode: 22-kHz
      PWM Dimming, Direct PWM Dimming
  • Up to 14-bit Dimming Resolution
  • Support Down to 1% Dimming Duty Cycle
  • Input PWM Glitch Filter
  • Up to 90% Efficiency
  • Driver for Input and Output Isolation PFET for
    True Shutdown
  • Built-in WLED Open and Short Protection
  • Thermal Shutdown
  • 2.7-V to 6.5-V VIN Voltage Range
  • 2.7-V to 24-V Boost Input Voltage Range
  • Integrated 2-A/40-V MOSFET
  • 1-MHz Switching Frequency
  • Adaptive Boost Output to WLED Voltages
  • Six Current Sinks of 35 mA Capability Each
  • ±2% (Maximum) Current Accuracy
  • 1.3% (Typical) Current Matching
  • 100-Hz to 22-kHz Input PWM Frequency
  • Mixed Dimming Mode: Automatic Switch Between
    Analog Dimming and PWM Dimming
    • Programmable Switch Point: 25% or 12.5%
    • Programmable PWM Dimming Mode: 22-kHz
      PWM Dimming, Direct PWM Dimming
  • Up to 14-bit Dimming Resolution
  • Support Down to 1% Dimming Duty Cycle
  • Input PWM Glitch Filter
  • Up to 90% Efficiency
  • Driver for Input and Output Isolation PFET for
    True Shutdown
  • Built-in WLED Open and Short Protection
  • Thermal Shutdown

Description

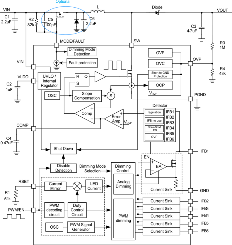
The TPS61176 is an integrated WLED backlight driver for tablets or notebook PCs using single-cell batteries. It comprises a high-efficiency boost converter with an integrated 2-A, 40-V power MOSFET, and six current sink regulators. The device can drive up to 60 WLEDs. The boost output voltage automatically adjusts to the WLED forward voltage to improve efficiency.

The TPS61176 supports mixed dimming mode. The automatic switch between PWM dimming and analog dimming increases the overall electrical-to-optical efficiency, reducing power of the backlight significantly. The switch point can be programmed to 12.5% or 25%. PWM dimming mode can also be programmed to fixed frequency dimming or direct PWM dimming. The device supports up to 14-bit dimming resolution to avoid potential flickering during low brightness dimming.

True shutdown is supported with a driver for an external isolation P-channel MOSFET. When the device is disabled or the boost output is shorted to ground, the isolation PFET is turned off to cut off the power path from battery preventing any leakage current from the battery. The device also integrates soft start, thermal shutdown, WLED open and short protection. Its 16-pin WQFN package provides a space-saving and high-performance WLED driver solution.

The TPS61176 is an integrated WLED backlight driver for tablets or notebook PCs using single-cell batteries. It comprises a high-efficiency boost converter with an integrated 2-A, 40-V power MOSFET, and six current sink regulators. The device can drive up to 60 WLEDs. The boost output voltage automatically adjusts to the WLED forward voltage to improve efficiency.

The TPS61176 supports mixed dimming mode. The automatic switch between PWM dimming and analog dimming increases the overall electrical-to-optical efficiency, reducing power of the backlight significantly. The switch point can be programmed to 12.5% or 25%. PWM dimming mode can also be programmed to fixed frequency dimming or direct PWM dimming. The device supports up to 14-bit dimming resolution to avoid potential flickering during low brightness dimming.

True shutdown is supported with a driver for an external isolation P-channel MOSFET. When the device is disabled or the boost output is shorted to ground, the isolation PFET is turned off to cut off the power path from battery preventing any leakage current from the battery. The device also integrates soft start, thermal shutdown, WLED open and short protection. Its 16-pin WQFN package provides a space-saving and high-performance WLED driver solution.

Subscribe to Welllinkchips !
Your Name
* Email
Submit a request