0
TAS5825M
  • TAS5825M
  • TAS5825M
  • TAS5825M

TAS5825M

ACTIVE

38-W stereo, 65-W mono, 4.5- to 26-V, digital input Class-D Smart Audio Amplifier w/ 192kHz arch

Texas Instruments TAS5825M Product Info

1 April 2026 0

Parameters

Audio input type

Digital Input

Architecture

Class-D, Smart Amp

Speaker channels (max)

Stereo

Control interface

Software

Output power (W)

38

Power stage supply (max) (V)

26.4

Power stage supply (min) (V)

4.5

RDS(on) (Ω)

0.09

THD + N at 1 kHz (%)

0.02

Load (min) (Ω)

4

Analog supply voltage (min) (V)

4.5

Analog supply voltage (max) (V)

26.4

Rating

Catalog

Operating temperature range (°C)

-25 to 85

Package

VQFN (RHB)-32-25 mm² 5 x 5

Features

  • Flexible audio I/O:
    • Supports 32, 44.1, 48, 88.2, 96, 192 kHz sample rates
    • I2S, LJ, RJ, or TDM
    • SDOUT for audio monitoring, sub-channel or echo cancellation
    • Supports 3-wire digital audio interface (no MCLK required)
  • High-efficiency Class-D operation
    • > 90% Power efficiency, 90 mΩ RDS(on)
    • Low quiescent current, <20 mA at PVDD=12V
  • Supports multiple output configurations
    • 1 × 53 W, 1.0 Mode (4-Ω, 22 V, THD+N=1%)
    • 1 × 65 W, 1.0 Mode (4-Ω, 22 V, THD+N=10%)
    • 2 × 30 W, 2.0 Mode (8-Ω, 24 V, THD+N=1%)
    • 2 × 38 W, 2.0 Mode (8-Ω, 24 V, THD+N=10%)
  • Excellent audio performance:
    • THD+N ≤ 0.03% at 1 W, 1 kHz, PVDD = 12 V
    • SNR ≥ 110 dB (A-weighted), ICN ≤ 35 µVRMS
  • Flexible processing features
    • 3-Band advanced DRC + AGL,2 × 15 BQs,
    • Sound field spatializer (SFS), level meter
    • 96-kHz, 192-kHz processor sampling
    • Dynamic EQ, Bass enhancement and speaker thermal/excursion protection
  • Flexible power supply configurations
    • PVDD: 4.5 V to 26.4 V
    • DVDD and I/O: 1.8 V or 3.3 V
  • Excellent integrated self-protection:
    • Over-current error (OCE)
    • Cycle-by-cycle current limit
    • Over-temperature warning (OTW)
    • Over-temperature error (OTE)
    • Under and over-voltage lock-out (UVLO/OVLO)
  • Easy system integration
    • I2C Software control
    • Reduced solution size
      • Small 5 x 5 mm Package
      • Fewer passives required compared to open-loop devices
      • No bulky electrolytic capacitors or large inductors required for most applications
  • Flexible audio I/O:
    • Supports 32, 44.1, 48, 88.2, 96, 192 kHz sample rates
    • I2S, LJ, RJ, or TDM
    • SDOUT for audio monitoring, sub-channel or echo cancellation
    • Supports 3-wire digital audio interface (no MCLK required)
  • High-efficiency Class-D operation
    • > 90% Power efficiency, 90 mΩ RDS(on)
    • Low quiescent current, <20 mA at PVDD=12V
  • Supports multiple output configurations
    • 1 × 53 W, 1.0 Mode (4-Ω, 22 V, THD+N=1%)
    • 1 × 65 W, 1.0 Mode (4-Ω, 22 V, THD+N=10%)
    • 2 × 30 W, 2.0 Mode (8-Ω, 24 V, THD+N=1%)
    • 2 × 38 W, 2.0 Mode (8-Ω, 24 V, THD+N=10%)
  • Excellent audio performance:
    • THD+N ≤ 0.03% at 1 W, 1 kHz, PVDD = 12 V
    • SNR ≥ 110 dB (A-weighted), ICN ≤ 35 µVRMS
  • Flexible processing features
    • 3-Band advanced DRC + AGL,2 × 15 BQs,
    • Sound field spatializer (SFS), level meter
    • 96-kHz, 192-kHz processor sampling
    • Dynamic EQ, Bass enhancement and speaker thermal/excursion protection
  • Flexible power supply configurations
    • PVDD: 4.5 V to 26.4 V
    • DVDD and I/O: 1.8 V or 3.3 V
  • Excellent integrated self-protection:
    • Over-current error (OCE)
    • Cycle-by-cycle current limit
    • Over-temperature warning (OTW)
    • Over-temperature error (OTE)
    • Under and over-voltage lock-out (UVLO/OVLO)
  • Easy system integration
    • I2C Software control
    • Reduced solution size
      • Small 5 x 5 mm Package
      • Fewer passives required compared to open-loop devices
      • No bulky electrolytic capacitors or large inductors required for most applications

Description

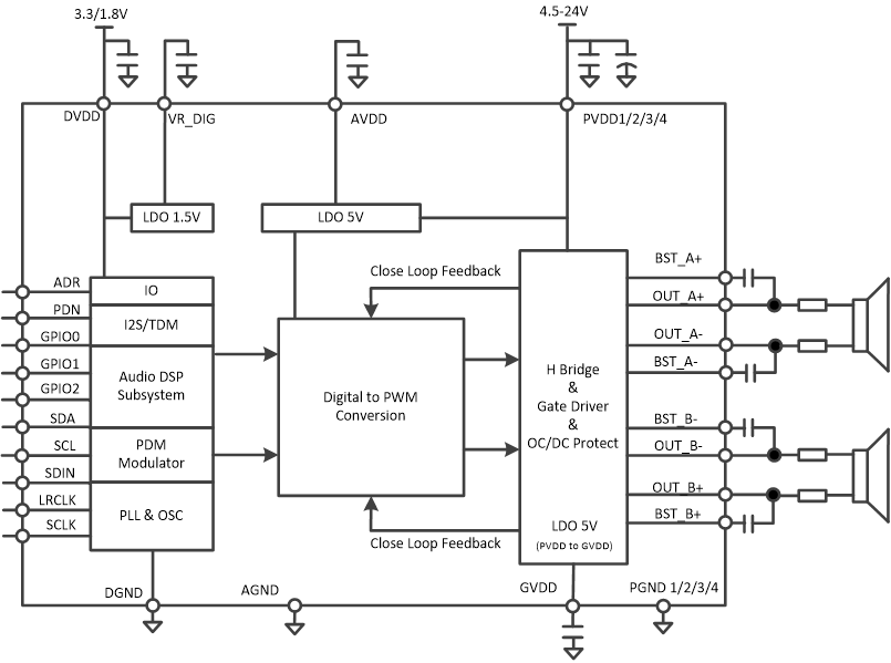
The TAS5825M is a stereo high-performance closed-loop Class-D with an integrated audio processor and up to 192-kHz support.

The powerful audio DSP core supports several advanced audio process flows such as 2×15 BQs, 3-Band DRC, Full-band AGL (Automatic Gain Limiter), Smart Amplifier Algorithm (Thermal and Excursion Protection), Bass enhancement, Spatializer, THD manager, PVDD Tracking, and Thermal Foldback. The TAS5825M has a 48-kHz or 96-kHz architecture with an integrated SRC (Sample Rate Convertor) that detects the input sample rate and auto-converts the input sample to the DSP target sample rate to avoid audio artifacts.

The TAS5825M is a stereo high-performance closed-loop Class-D with an integrated audio processor and up to 192-kHz support.

The powerful audio DSP core supports several advanced audio process flows such as 2×15 BQs, 3-Band DRC, Full-band AGL (Automatic Gain Limiter), Smart Amplifier Algorithm (Thermal and Excursion Protection), Bass enhancement, Spatializer, THD manager, PVDD Tracking, and Thermal Foldback. The TAS5825M has a 48-kHz or 96-kHz architecture with an integrated SRC (Sample Rate Convertor) that detects the input sample rate and auto-converts the input sample to the DSP target sample rate to avoid audio artifacts.

Subscribe to Welllinkchips !
Your Name
* Email
Submit a request