0
TPS61054
  • TPS61054
  • TPS61054
  • TPS61054
  • TPS61054

TPS61054

ACTIVE

700mA High Power White LED Driver with standard Logic Interface

Texas Instruments TPS61054 Product Info

1 April 2026 1

Parameters

Topology

Boost, current mode

Vin (min) (V)

2.5

Vin (max) (V)

6

Iout (max) (A)

0.7

Iq (typ) (mA)

8.5

Features

Load Disconnect During Shutdown

Operating temperature range (°C)

-40 to 85

Number of channels

1

Rating

Catalog

Package

VSON (DRC)-10-9 mm² 3 x 3

Features

  • Four Operational Modes
    • Torch and Flash up to ILED = 700 mA
    • Voltage-Regulated Boost Converter: 5.0 V
    • Shutdown: 0.3 µA (Typical)
  • Total Solution Circuit Area < 25 mm2
  • Up to 96% Efficiency
  • Integrated LED Turnon Safety Timer
  • Zero Latency TX-Masking Input
  • Integrated Low Light Dimming Mode
  • LED Disconnect During Shutdown
  • Open/Shorted LED Protection
  • Over-Temperature Protection
  • Available in a 12-Pin NanoFree™ (CSP) and 10-
    Pin VSON Packaging
  • Four Operational Modes
    • Torch and Flash up to ILED = 700 mA
    • Voltage-Regulated Boost Converter: 5.0 V
    • Shutdown: 0.3 µA (Typical)
  • Total Solution Circuit Area < 25 mm2
  • Up to 96% Efficiency
  • Integrated LED Turnon Safety Timer
  • Zero Latency TX-Masking Input
  • Integrated Low Light Dimming Mode
  • LED Disconnect During Shutdown
  • Open/Shorted LED Protection
  • Over-Temperature Protection
  • Available in a 12-Pin NanoFree™ (CSP) and 10-
    Pin VSON Packaging

Description

The TPS6105x device uses a high-frequency synchronous-boost topology with constant current sink to drive single white LEDs. The device uses an inductive fixed-frequency PWM control scheme using small external components, minimizing input ripple current.

The 2-MHz switching frequency allows the use of small and low-profile 2.2-µH inductors. To optimize overall efficiency, the device operates with only a 250-mV LED feedback voltage.

The TPS6105x device not only operates as a regulated current source, but also as a standard voltage-boost regulator. This additional operating mode can be useful to supply other high-power devices in the system, such as a hands-free audio power amplifier, or any other component requiring a supply voltage higher than the battery voltage.

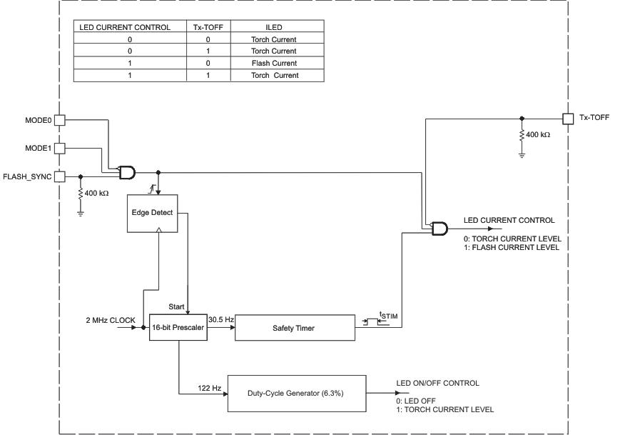
The LED current or the desired output voltage can be programmed through two logic signals (MODE0/1). To simplify flash synchronization with the camera module, the device offers a trigger pin (FLASH_SYNC) for fast LED turnon time.

When the TPS6105x is not in use, it can be put into shutdown mode, reducing the input current to 0.3 µA (typical). During shutdown, the LED pin is high impedance to avoid leakage current through the LED.

The TPS6105x device uses a high-frequency synchronous-boost topology with constant current sink to drive single white LEDs. The device uses an inductive fixed-frequency PWM control scheme using small external components, minimizing input ripple current.

The 2-MHz switching frequency allows the use of small and low-profile 2.2-µH inductors. To optimize overall efficiency, the device operates with only a 250-mV LED feedback voltage.

The TPS6105x device not only operates as a regulated current source, but also as a standard voltage-boost regulator. This additional operating mode can be useful to supply other high-power devices in the system, such as a hands-free audio power amplifier, or any other component requiring a supply voltage higher than the battery voltage.

The LED current or the desired output voltage can be programmed through two logic signals (MODE0/1). To simplify flash synchronization with the camera module, the device offers a trigger pin (FLASH_SYNC) for fast LED turnon time.

When the TPS6105x is not in use, it can be put into shutdown mode, reducing the input current to 0.3 µA (typical). During shutdown, the LED pin is high impedance to avoid leakage current through the LED.

Subscribe to Welllinkchips !
Your Name
* Email
Submit a request