0
TPS60500
  • TPS60500
  • TPS60500

TPS60500

ACTIVE

250-mA Adjustable (0.8V-3.3V) High-Efficiency Step-Down Charge Pump

Texas Instruments TPS60500 Product Info

1 April 2026 0

Parameters

Rating

Catalog

Iout (max) (A)

0.25

Vin (max) (V)

6.5

Vin (min) (V)

1.8

Vout (max) (V)

3.3

Vout (min) (V)

0.8

Features

Dynamic voltage scaling, Regulated

Operating temperature range (°C)

-40 to 125

Iq (typ) (A)

0.00004

Package

VSSOP (DGS)-10-14.7 mm² 3 x 4.9

Features

  • Wide Input Voltage Range From 1.8 V to 6.5 V
  • Regulated 3.3-V, 1.8-V, 1.5-V, or Adjustable
    Output Voltage
  • Up to 250-mA Output Current
  • Up to 90% Efficiency
  • Output Voltage Tolerance 3% Over Line, Load,
    and Temperature Variation
  • Device Quiescent Current Less Than 40 µA
  • Output Voltage Supervisor Included (Power Good)
  • Internal Soft Start
  • Load Isolated From Battery During Shutdown
  • Overtemperature and Overcurrent Protected
  • Micro-Small 10-Pin VSSOP Package
  • EVM Available, TPS60500EVM-193
  • Wide Input Voltage Range From 1.8 V to 6.5 V
  • Regulated 3.3-V, 1.8-V, 1.5-V, or Adjustable
    Output Voltage
  • Up to 250-mA Output Current
  • Up to 90% Efficiency
  • Output Voltage Tolerance 3% Over Line, Load,
    and Temperature Variation
  • Device Quiescent Current Less Than 40 µA
  • Output Voltage Supervisor Included (Power Good)
  • Internal Soft Start
  • Load Isolated From Battery During Shutdown
  • Overtemperature and Overcurrent Protected
  • Micro-Small 10-Pin VSSOP Package
  • EVM Available, TPS60500EVM-193

Description

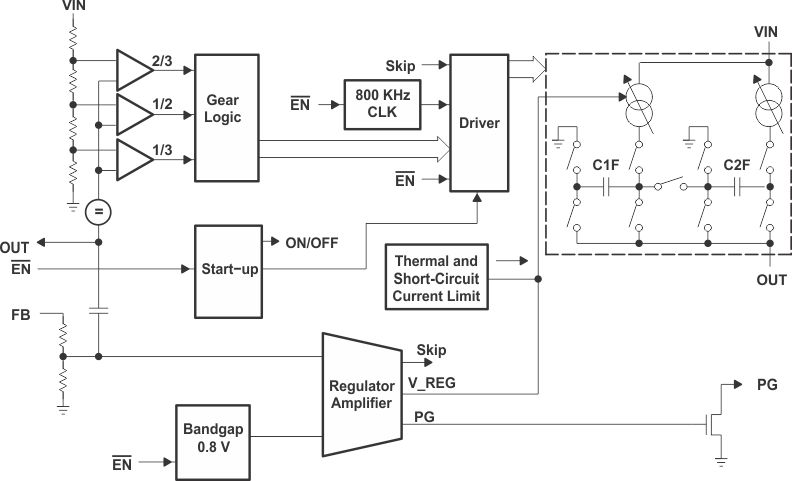
The TPS6050x devices are a family of switched capacitor voltage converters, designed specifically for space-critical battery-powered applications.

The TPS6050x step-down charge pumps generate a regulated, fixed 3.3-V, 1.8-V, 1.5-V, or adjustable output voltage. Only four small ceramic capacitors are required to build a complete high-efficiency DC–DC charge pump converter. To achieve the high efficiency over a wide input voltage range, the charge pump automatically selects between three different conversion modes. The output can deliver a maximum of 250-mA output current. The power good function supervises the output voltage and goes high when the output voltage rises to 97% of the nominal value.

The TPS6050x devices come in a micro-small 10-pin VSSOP package.

The TPS6050x devices are a family of switched capacitor voltage converters, designed specifically for space-critical battery-powered applications.

The TPS6050x step-down charge pumps generate a regulated, fixed 3.3-V, 1.8-V, 1.5-V, or adjustable output voltage. Only four small ceramic capacitors are required to build a complete high-efficiency DC–DC charge pump converter. To achieve the high efficiency over a wide input voltage range, the charge pump automatically selects between three different conversion modes. The output can deliver a maximum of 250-mA output current. The power good function supervises the output voltage and goes high when the output voltage rises to 97% of the nominal value.

The TPS6050x devices come in a micro-small 10-pin VSSOP package.

Subscribe to Welllinkchips !
Your Name
* Email
Submit a request