0
TPS56637
  • TPS56637
  • TPS56637

TPS56637

ACTIVE

4.5-V to 28-V, 6-A synchronous buck converter with ULQ-Mode

Texas Instruments TPS56637 Product Info

1 April 2026 1

Parameters

Rating

Catalog

Topology

Buck

Iout (max) (A)

6

Vin (max) (V)

28

Vin (min) (V)

4.5

Vout (max) (V)

13

Vout (min) (V)

0.6

Features

Enable, Forced PWM, Light-load efficiency, Prebias startup, Soft-start fixed, Synchronous rectification, UVLO adjustable

Control mode

D-CAP3

Operating temperature range (°C)

-40 to 150

Iq (typ) (A)

0.000125

Duty cycle (max) (%)

91

Package

VQFN-HR (RPA)-10-9 mm² 3 x 3

Features

  • 4.5-V to 28-V input voltage range
  • 0.6-V to 13-V output voltage range
  • 6-A maximum continuous output current
  • Integrated 26-mΩ and 12-mΩ MOSFETs
  • 0.6-V ±1% Reference Voltage
  • D-CAP3™ control mode for fast transient response
  • Eco-mode™ and FCCM (forced continuous conduction mode) selectable for light-load operation through MODE pin
  • Internal 2-ms soft start
  • Built-in output discharge function
  • 500-kHz switching frequency
  • Power good indicator to monitor output voltage
  • Cycle by cycle over current limit
  • Non-latched protections for UV, OV, OT and UVLO
  • –40°C to +150°C operating junction temperature
  • Small 10-Pin 3.0-mm × 3.0-mm HotRod™ QFN Package
  • Available in WEBENCH® Power Designer to create custom designs
  • 4.5-V to 28-V input voltage range
  • 0.6-V to 13-V output voltage range
  • 6-A maximum continuous output current
  • Integrated 26-mΩ and 12-mΩ MOSFETs
  • 0.6-V ±1% Reference Voltage
  • D-CAP3™ control mode for fast transient response
  • Eco-mode™ and FCCM (forced continuous conduction mode) selectable for light-load operation through MODE pin
  • Internal 2-ms soft start
  • Built-in output discharge function
  • 500-kHz switching frequency
  • Power good indicator to monitor output voltage
  • Cycle by cycle over current limit
  • Non-latched protections for UV, OV, OT and UVLO
  • –40°C to +150°C operating junction temperature
  • Small 10-Pin 3.0-mm × 3.0-mm HotRod™ QFN Package
  • Available in WEBENCH® Power Designer to create custom designs

Description

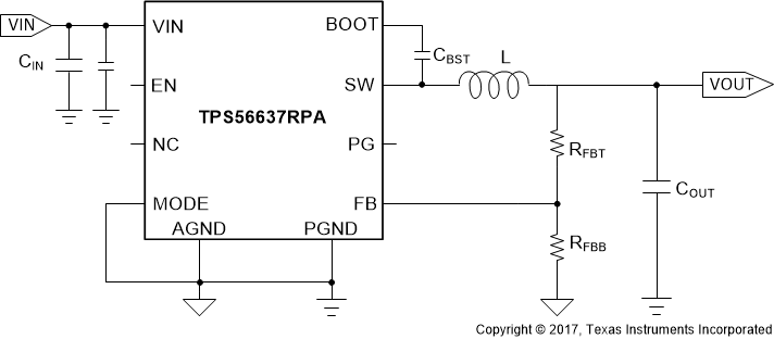
The TPS56637 is a high efficiency, high-voltage input, easy-to-use synchronous buck converter with integrated MOSFETs.

With the wide operating input voltage range of 4.5 V to 28 V, the TPS56637 is ideally suited for systems powered from 12-V, 19-V, 24-V power-bus rails. It supports up to 6-A continuous output current at output voltages between 0.6 V and 13 V.

The TPS56637 uses DCAP3™ control mode to provide fast transient response, good line and load regulation, no requirement for external compensation, and supports low equivalent series resistance (ESR) output capacitors such as POSCAP and MLCC.

The TPS56637 has both FCCM and Eco-mode™ operation modes for selection at light-load condition through configuration of MODE pin. To attain high efficiency at light load, Eco-mode™ could be selected. To support tight output voltage ripple requirement, FCCM could be selected.

The TPS56637 provides complete non-latched OV (Over-voltage), UV (Under-voltage), OC (Over-current), OT (Over-temperature) and UVLO (Under-voltage lock-out) protections combined with power good indicator and output discharge function features.

The TPS56637 is available in a 10-pin 3.0-mm x 3.0-mm HotRod™ QFN package and the junction temperature is specified from –40°C to 150°C.

The TPS56637 is a high efficiency, high-voltage input, easy-to-use synchronous buck converter with integrated MOSFETs.

With the wide operating input voltage range of 4.5 V to 28 V, the TPS56637 is ideally suited for systems powered from 12-V, 19-V, 24-V power-bus rails. It supports up to 6-A continuous output current at output voltages between 0.6 V and 13 V.

The TPS56637 uses DCAP3™ control mode to provide fast transient response, good line and load regulation, no requirement for external compensation, and supports low equivalent series resistance (ESR) output capacitors such as POSCAP and MLCC.

The TPS56637 has both FCCM and Eco-mode™ operation modes for selection at light-load condition through configuration of MODE pin. To attain high efficiency at light load, Eco-mode™ could be selected. To support tight output voltage ripple requirement, FCCM could be selected.

The TPS56637 provides complete non-latched OV (Over-voltage), UV (Under-voltage), OC (Over-current), OT (Over-temperature) and UVLO (Under-voltage lock-out) protections combined with power good indicator and output discharge function features.

The TPS56637 is available in a 10-pin 3.0-mm x 3.0-mm HotRod™ QFN package and the junction temperature is specified from –40°C to 150°C.

Subscribe to Welllinkchips !
Your Name
* Email
Submit a request