0
TPS54618
  • TPS54618
  • TPS54618

TPS54618

ACTIVE

2.95V to 6V Input, 6A, Synchronous Step-Down SWIFT™ Converter

Texas Instruments TPS54618 Product Info

1 April 2026 1

Parameters

Rating

Catalog

Topology

Buck

Iout (max) (A)

6

Vin (max) (V)

6

Vin (min) (V)

2.95

Vout (max) (V)

4.5

Vout (min) (V)

0.8

Features

Enable, Frequency synchronization, Power good, Pre-Bias Start-Up, Synchronous Rectification, Tracking, UVLO adjustable

Control mode

current mode

Operating temperature range (°C)

-40 to 150

Iq (typ) (A)

0.000515

Duty cycle (max) (%)

98

Package

WQFN (RTE)-16-9 mm² 3 x 3

Features

  • Two 12-mΩ (typical) MOSFETs for high efficiency at 6-A loads
  • 300-kHz to 2-MHz switching frequency
  • 0.8-V ±1% Voltage reference over temperature (–40°C to +150°C)
  • Synchronizes to external clock
  • Adjustable slow start and sequencing
  • UV and OV power-good output
  • –40°C to 150°C Operating Junction Temperature Range
  • Thermally enhanced 3-mm × 3-mm, 16-pin WQFN package
  • Pin-Compatible to TPS54418
  • Create a custom design using the TPS54618 with the WEBENCH® Power Designer
  • Two 12-mΩ (typical) MOSFETs for high efficiency at 6-A loads
  • 300-kHz to 2-MHz switching frequency
  • 0.8-V ±1% Voltage reference over temperature (–40°C to +150°C)
  • Synchronizes to external clock
  • Adjustable slow start and sequencing
  • UV and OV power-good output
  • –40°C to 150°C Operating Junction Temperature Range
  • Thermally enhanced 3-mm × 3-mm, 16-pin WQFN package
  • Pin-Compatible to TPS54418
  • Create a custom design using the TPS54618 with the WEBENCH® Power Designer

Description

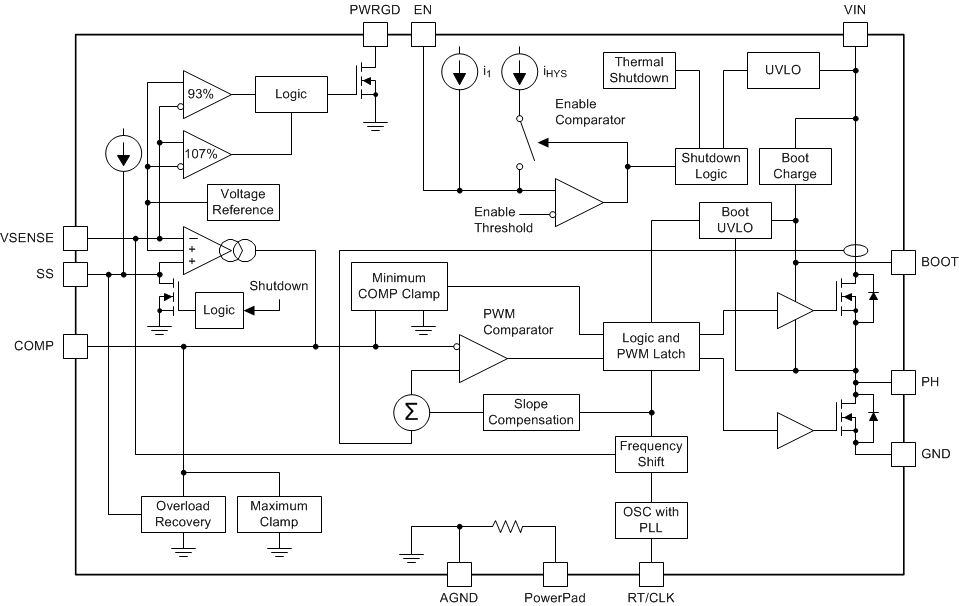
The TPS54618 device is a full-featured 6-V, 6-A, synchronous step-down current-mode converter with two integrated MOSFETs.

The TPS54618 enables small designs by integrating the MOSFETs, implementing current-mode control to reduce external component count, reducing inductor size by enabling up to 2-MHz switching frequency, and minimizing the IC footprint with a small, 3-mm × 3-mm, thermally-enhanced WQFN package.

The TPS54618 provides accurate regulation for a variety of loads with an accurate ±1% voltage reference (VREF) over temperature.

Efficiency is maximized through the integrated
12-mΩ MOSFETs and 515-µA typical supply current. Using the enable pin, shutdown supply current is reduced to 5.5-µA by entering a shutdown mode.

Undervoltage lockout is internally set at 2.6 V, but can be increased by programming the threshold with a resistor network on the enable pin. The output-voltage start-up ramp is controlled by the slow-start pin. An open-drain power-good signal indicates the output is within 93% to 107% of its nominal voltage.

Frequency foldback and thermal shutdown protect the device during an overcurrent condition.

For more SWIFT™ documentation, see the TI website at www.ti.com/swift.

The TPS54618 device is a full-featured 6-V, 6-A, synchronous step-down current-mode converter with two integrated MOSFETs.

The TPS54618 enables small designs by integrating the MOSFETs, implementing current-mode control to reduce external component count, reducing inductor size by enabling up to 2-MHz switching frequency, and minimizing the IC footprint with a small, 3-mm × 3-mm, thermally-enhanced WQFN package.

The TPS54618 provides accurate regulation for a variety of loads with an accurate ±1% voltage reference (VREF) over temperature.

Efficiency is maximized through the integrated
12-mΩ MOSFETs and 515-µA typical supply current. Using the enable pin, shutdown supply current is reduced to 5.5-µA by entering a shutdown mode.

Undervoltage lockout is internally set at 2.6 V, but can be increased by programming the threshold with a resistor network on the enable pin. The output-voltage start-up ramp is controlled by the slow-start pin. An open-drain power-good signal indicates the output is within 93% to 107% of its nominal voltage.

Frequency foldback and thermal shutdown protect the device during an overcurrent condition.

For more SWIFT™ documentation, see the TI website at www.ti.com/swift.

Subscribe to Welllinkchips !
Your Name
* Email
Submit a request