0
CSD19532Q5B
  • CSD19532Q5B
  • CSD19532Q5B

CSD19532Q5B

ACTIVE

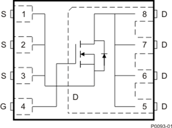
100-V, N channel NexFET™ power MOSFET, single SON 5 mm x 6 mm, 4.9 mOhm

Texas Instruments CSD19532Q5B Product Info

1 April 2026 1

Parameters

VDS (V)

100

VGS (V)

20

Type

N-channel

Configuration

Single

Rds(on) at VGS=10 V (max) (mΩ)

4.9

VGSTH typ (typ) (V)

2.6

QG (typ) (nC)

48

QGD (typ) (nC)

8.7

QGS (typ) (nC)

13

ID - silicon limited at TC=25°C (A)

140

ID - package limited (A)

100

Logic level

No

Rating

Catalog

Operating temperature range (°C)

-55 to 150

Package

VSON-CLIP (DNK)-8-30 mm² 6 x 5

Features

  • Low Qg and Qgd
  • Low Thermal Resistance
  • Avalanche Rated
  • Pb-Free Terminal Plating
  • RoHS Compliant
  • Halogen Free
  • SON 5-mm × 6-mm Plastic Package
  • Low Qg and Qgd
  • Low Thermal Resistance
  • Avalanche Rated
  • Pb-Free Terminal Plating
  • RoHS Compliant
  • Halogen Free
  • SON 5-mm × 6-mm Plastic Package

Description

This 100 V, 4 mΩ, SON 5-mm × 6-mm NexFET™ power MOSFET is designed to minimize losses in power conversion applications.

This 100 V, 4 mΩ, SON 5-mm × 6-mm NexFET™ power MOSFET is designed to minimize losses in power conversion applications.

Subscribe to Welllinkchips !
Your Name
* Email
Submit a request