0
TPS54678
  • TPS54678
  • TPS54678

TPS54678

ACTIVE

2.95V to 6V Input, 6A Synchronous Step-Down SWIFT™ Converter with Hiccup Current Limit

Texas Instruments TPS54678 Product Info

1 April 2026 0

Parameters

Rating

Catalog

Topology

Buck

Iout (max) (A)

6

Vin (max) (V)

6

Vin (min) (V)

2.95

Vout (max) (V)

4.5

Vout (min) (V)

0.6

Features

Enable, Frequency synchronization, Power good, Pre-Bias Start-Up, Soft Start Adjustable, Synchronous Rectification, Tracking, UVLO adjustable

Control mode

current mode

Operating temperature range (°C)

-40 to 150

Iq (typ) (A)

0.00057

Duty cycle (max) (%)

98

Package

WQFN (RTE)-16-9 mm² 3 x 3

Features

  • Two 12-mΩ (typical) MOSFETs for high-efficiency 6-A continuous output current
  • 200-kHz to 2-MHz Switching frequency
  • 0.6-V ±1% Voltage reference over temperature (–40°C to 150°C)
  • Synchronizes to external clock
  • Start-Up with prebiased voltage
  • Power good output
  • Adjustable slow start and sequencing
  • Cycle-by-cycle current limit and hiccup current protection
  • Adjustable input voltage UVLO
  • Thermally enhanced 16-pin 3-mm × 3-mm WQFN (RTE)
  • Create a custom design using the TPS54678 with the WEBENCH® Power Designer
  • Two 12-mΩ (typical) MOSFETs for high-efficiency 6-A continuous output current
  • 200-kHz to 2-MHz Switching frequency
  • 0.6-V ±1% Voltage reference over temperature (–40°C to 150°C)
  • Synchronizes to external clock
  • Start-Up with prebiased voltage
  • Power good output
  • Adjustable slow start and sequencing
  • Cycle-by-cycle current limit and hiccup current protection
  • Adjustable input voltage UVLO
  • Thermally enhanced 16-pin 3-mm × 3-mm WQFN (RTE)
  • Create a custom design using the TPS54678 with the WEBENCH® Power Designer

Description

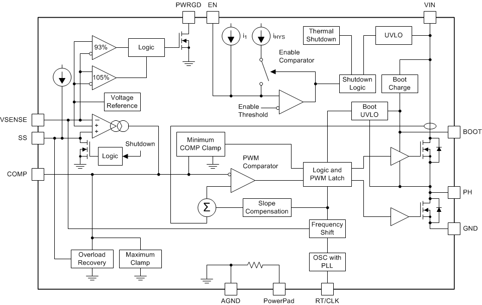
TPS54678 device is a full-featured 6-V, 6-A, synchronous step-down current mode converter with two integrated MOSFETs.

TPS54678 enables small designs by integrating the MOSFETs, implementing current mode control to reduce external component count, reducing inductor size by enabling up to 2-MHz switching frequency, and minimizing the IC footprint with a small 3-mm × 3-mm thermally enhanced WQFN package.

TPS54678 provides accurate regulation for a variety of loads with an accurate ±1% voltage reference (VREF) over temperature.

Efficiency is maximized through the integrated 12-mΩ MOSFETs. Using the enable (EN) pin, shutdown supply current is reduced by disabling the device.

The output voltage start-up ramp is controlled by the soft-start (SS) pin that can also be configured for sequencing or tracking. Monotonic start-up is achieved with prebiased voltage. Undervoltage lockout can be increased by programming the threshold with a resistor divider on the enable pin. An open-drain power good signal indicates the output is within 93% to 105% of its nominal voltage.

Cycle-by-cycle current limit, hiccup overcurrent protection and thermal shutdown protect the device during an overcurrent condition.

TPS54678 device is a full-featured 6-V, 6-A, synchronous step-down current mode converter with two integrated MOSFETs.

TPS54678 enables small designs by integrating the MOSFETs, implementing current mode control to reduce external component count, reducing inductor size by enabling up to 2-MHz switching frequency, and minimizing the IC footprint with a small 3-mm × 3-mm thermally enhanced WQFN package.

TPS54678 provides accurate regulation for a variety of loads with an accurate ±1% voltage reference (VREF) over temperature.

Efficiency is maximized through the integrated 12-mΩ MOSFETs. Using the enable (EN) pin, shutdown supply current is reduced by disabling the device.

The output voltage start-up ramp is controlled by the soft-start (SS) pin that can also be configured for sequencing or tracking. Monotonic start-up is achieved with prebiased voltage. Undervoltage lockout can be increased by programming the threshold with a resistor divider on the enable pin. An open-drain power good signal indicates the output is within 93% to 105% of its nominal voltage.

Cycle-by-cycle current limit, hiccup overcurrent protection and thermal shutdown protect the device during an overcurrent condition.

Subscribe to Welllinkchips !
Your Name
* Email
Submit a request