0
TPS54620
  • TPS54620
  • TPS54620
  • TPS54620

TPS54620

ACTIVE

4.5-V to 17-V, 6-A synchronous SWIFT™ buck converter

Texas Instruments TPS54620 Product Info

1 April 2026 0

Parameters

Rating

Catalog

Topology

Buck

Iout (max) (A)

6

Vin (max) (V)

17

Vin (min) (V)

4.5

Vout (max) (V)

15

Vout (min) (V)

0.8

Features

Enable, Frequency synchronization, Power good, Pre-Bias Start-Up, Soft Start Adjustable, Synchronous Rectification, Tracking

Control mode

current mode

Operating temperature range (°C)

-40 to 150

Iq (typ) (A)

0.0006

Duty cycle (max) (%)

98

Package

VQFN (RGY)-14-12.25 mm² 3.5 x 3.5

Features

  • Integrated 26 mΩ and 19 mΩ MOSFETs
  • Split Power Rail: 1.6 V to 17 V on PVIN
  • 200-kHz to 1.6-MHz Switching Frequency
  • Synchronizes to External Clock
  • 0.8 V ±1% Voltage Reference Overtemperature
  • Low 2-µA Shutdown Quiescent Current
  • Monotonic Start-Up into Prebiased Outputs
  • –40°C to 150°C Operating Junction Temperature Range
  • Adjustable Slow Start and Power Sequencing
  • Power Good Output Monitor for Undervoltage and Overvoltage
  • Adjustable Input Undervoltage Lockout
  • For SWIFT™ Documentation, Visit http://www.ti.com/swift
  • Create a Custom Design Using the TPS54620 With the WEBENCH Power Designer
  • Integrated 26 mΩ and 19 mΩ MOSFETs
  • Split Power Rail: 1.6 V to 17 V on PVIN
  • 200-kHz to 1.6-MHz Switching Frequency
  • Synchronizes to External Clock
  • 0.8 V ±1% Voltage Reference Overtemperature
  • Low 2-µA Shutdown Quiescent Current
  • Monotonic Start-Up into Prebiased Outputs
  • –40°C to 150°C Operating Junction Temperature Range
  • Adjustable Slow Start and Power Sequencing
  • Power Good Output Monitor for Undervoltage and Overvoltage
  • Adjustable Input Undervoltage Lockout
  • For SWIFT™ Documentation, Visit http://www.ti.com/swift
  • Create a Custom Design Using the TPS54620 With the WEBENCH Power Designer

Description

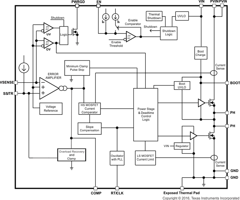
The TPS54620 in thermally enhanced 3.50 mm × 3.50 mm QFN package is a full featured 17-V, 6-A, synchronous, step-down converter which is optimized for small designs through high efficiency and integrating the high-side and low-side MOSFETs. Further space savings are achieved through current mode control, which reduces component count, and by selecting a high switching frequency, reducing the footprint of the inductor.

The output voltage start-up ramp is controlled by the SS/TR pin which allows operation as either a stand-alone power supply or in tracking situations. Power sequencing is also possible by correctly configuring the enable and the open-drain power good pins.

Cycle-by-cycle current limiting on the high-side FET protects the device in overload situations and is enhanced by a low-side sourcing current limit which prevents current runaway. There is also a low-side sinking current limit that turns off the low-side MOSFET to prevent excessive reverse current. Thermal shutdown disables the part when die temperature exceeds thermal shutdown temperature.

The TPS54620 in thermally enhanced 3.50 mm × 3.50 mm QFN package is a full featured 17-V, 6-A, synchronous, step-down converter which is optimized for small designs through high efficiency and integrating the high-side and low-side MOSFETs. Further space savings are achieved through current mode control, which reduces component count, and by selecting a high switching frequency, reducing the footprint of the inductor.

The output voltage start-up ramp is controlled by the SS/TR pin which allows operation as either a stand-alone power supply or in tracking situations. Power sequencing is also possible by correctly configuring the enable and the open-drain power good pins.

Cycle-by-cycle current limiting on the high-side FET protects the device in overload situations and is enhanced by a low-side sourcing current limit which prevents current runaway. There is also a low-side sinking current limit that turns off the low-side MOSFET to prevent excessive reverse current. Thermal shutdown disables the part when die temperature exceeds thermal shutdown temperature.

Subscribe to Welllinkchips !
Your Name
* Email
Submit a request