0
TPS54616
  • TPS54616
  • TPS54616

TPS54616

ACTIVE

3V to 6V Input, 6A Synchronous Step-Down SWIFT™ Converter with 3.3V Output

Texas Instruments TPS54616 Product Info

1 April 2026 0

Parameters

Rating

Catalog

Topology

Buck

Iout (max) (A)

6

Vin (max) (V)

6

Vin (min) (V)

4

Vout (max) (V)

3.3

Vout (min) (V)

3.3

Features

Enable, Power good, Synchronous Rectification

Control mode

Voltage mode

Operating temperature range (°C)

-40 to 125

Iq (typ) (A)

0.011

Duty cycle (max) (%)

90

Package

HTSSOP (PWP)-28-62.08 mm² 9.7 x 6.4

Features

  • 30-mΩ, 12-A Peak MOSFET Switches for High Efficiency
    at 6-A Continuous Output Source and Sink
  • 0.9-V, 1.2-V, 1.5-V, 1.8-V, 2.5-V, and 3.3-V Fixed Output
    Voltage Devices With 1.0% Initial Accuracy
  • Internally Compensated for Easy Use and Minimal Component Count
  • Fast Transient Response
  • Wide PWM Frequency – Fixed 350 kHz, 550 kHz or Adjustable
    280 kHz to 700 kHz
  • Load Protected by Peak Current Limit and Thermal Shutdown
  • Integrated Solution Reduces Board Area and Total Cost
  • 30-mΩ, 12-A Peak MOSFET Switches for High Efficiency
    at 6-A Continuous Output Source and Sink
  • 0.9-V, 1.2-V, 1.5-V, 1.8-V, 2.5-V, and 3.3-V Fixed Output
    Voltage Devices With 1.0% Initial Accuracy
  • Internally Compensated for Easy Use and Minimal Component Count
  • Fast Transient Response
  • Wide PWM Frequency – Fixed 350 kHz, 550 kHz or Adjustable
    280 kHz to 700 kHz
  • Load Protected by Peak Current Limit and Thermal Shutdown
  • Integrated Solution Reduces Board Area and Total Cost

Description

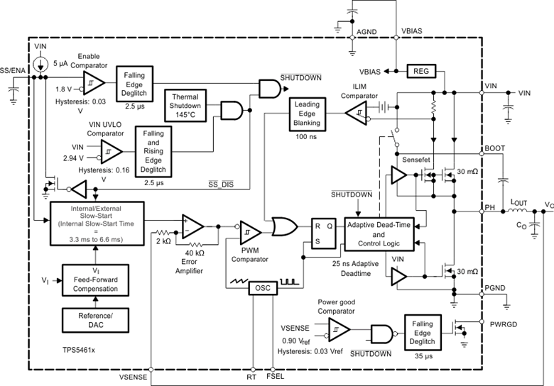
The SWIFT™ family of dc/dc regulators, the TPS54611, TPS54612, TPS54613, TPS54614, TPS54615 and TPS54616 low-input voltage high-output current synchronous-buck PWM converters integrate all required active components. Included on the substrate are true, high-performance, voltage error amplifiers that provide high performance under transient conditions; an under-voltage-lockout circuit to prevent start-up until the input voltage reaches 3 V; an internally and externally set slow-start circuit to limit in-rush currents; and a powergood output useful for processor/logic reset, fault signaling, and supply sequencing.

The TPS5461x devices are available in a thermally enhanced 28-pin TSSOP (PWP) PowerPAD™ package, which eliminates bulky heatsinks. TI provides evaluation modules and the SWIFT™ designer software tool to aid in quickly achieving high-performance power supply designs to meet aggressive equipment development cycles.

The SWIFT™ family of dc/dc regulators, the TPS54611, TPS54612, TPS54613, TPS54614, TPS54615 and TPS54616 low-input voltage high-output current synchronous-buck PWM converters integrate all required active components. Included on the substrate are true, high-performance, voltage error amplifiers that provide high performance under transient conditions; an under-voltage-lockout circuit to prevent start-up until the input voltage reaches 3 V; an internally and externally set slow-start circuit to limit in-rush currents; and a powergood output useful for processor/logic reset, fault signaling, and supply sequencing.

The TPS5461x devices are available in a thermally enhanced 28-pin TSSOP (PWP) PowerPAD™ package, which eliminates bulky heatsinks. TI provides evaluation modules and the SWIFT™ designer software tool to aid in quickly achieving high-performance power supply designs to meet aggressive equipment development cycles.

Subscribe to Welllinkchips !
Your Name
* Email
Submit a request