0
TPS543C20A
  • TPS543C20A
  • TPS543C20A

TPS543C20A

ACTIVE

4-V to 16-V, 40-A synchronous SWIFT™ buck converter with adaptive internal compensation

Texas Instruments TPS543C20A Product Info

1 April 2026 0

Parameters

Rating

Catalog

Topology

Buck

Iout (max) (A)

40

Vin (max) (V)

16

Vin (min) (V)

4

Vout (max) (V)

5.5

Vout (min) (V)

0.6

Features

Adjustable current limit, Differential Remote Sense, Enable, Forced PWM, Frequency synchronization, Over Current Protection, Phase Interleaving, Power good, Pre-Bias Start-Up, Soft Start Adjustable, Synchronous Rectification, UVLO Fixed

Control mode

ACM/AECM

Operating temperature range (°C)

-40 to 125

Iq (typ) (A)

0.0043

Duty cycle (max) (%)

70

Package

LQFN-CLIP (RVF)-40-35 mm² 7 x 5

Features

  • Internally-Compensated Advanced Current Mode Control 40-A POL
  • Input Voltage Range: 4 V to 16 V
  • Output Voltage Range: 0.6 V to 5.5 V
  • Integrated 3.4/0.9-mΩ Stacked NexFET™ Power Stage With Lossless Low-Side Current Sensing
  • Fixed Frequency - Synchronization to an External Clock and/or Sync Out
  • Pin Strapping Programmable Switching Frequency
    • 300 kHz to 2 MHz for Standalone
    • 300 kHz to 1 MHz for Stackable
  • Stack 2× for up to 80 A With Current Share, Voltage Share, and CLK Sync
  • Pin Strapping Programmable Reference from 0.6V to 1.1 V With 0.5% Accuracy
  • Differential Remote Sensing
  • Safe Start-Up into Prebiased Output
  • High-Accuracy Hiccup Current Limit
  • Asynchronous Pulse Injection (API) and Body Braking
  • 40-pin, 5-mm × 7-mm LQFN Package with 0.5-mm Pitch and Single Thermal Pad
  • Create a Custom Design Using the TPS543C20A With the WEBENCH® Power Designer
  • Internally-Compensated Advanced Current Mode Control 40-A POL
  • Input Voltage Range: 4 V to 16 V
  • Output Voltage Range: 0.6 V to 5.5 V
  • Integrated 3.4/0.9-mΩ Stacked NexFET™ Power Stage With Lossless Low-Side Current Sensing
  • Fixed Frequency - Synchronization to an External Clock and/or Sync Out
  • Pin Strapping Programmable Switching Frequency
    • 300 kHz to 2 MHz for Standalone
    • 300 kHz to 1 MHz for Stackable
  • Stack 2× for up to 80 A With Current Share, Voltage Share, and CLK Sync
  • Pin Strapping Programmable Reference from 0.6V to 1.1 V With 0.5% Accuracy
  • Differential Remote Sensing
  • Safe Start-Up into Prebiased Output
  • High-Accuracy Hiccup Current Limit
  • Asynchronous Pulse Injection (API) and Body Braking
  • 40-pin, 5-mm × 7-mm LQFN Package with 0.5-mm Pitch and Single Thermal Pad
  • Create a Custom Design Using the TPS543C20A With the WEBENCH® Power Designer

Description

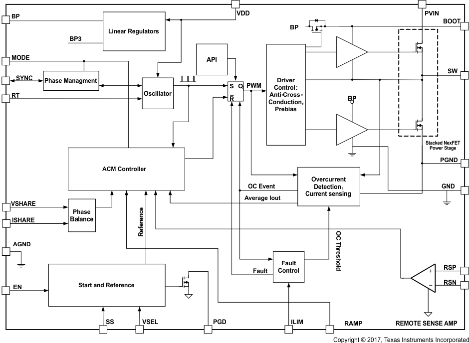
The TPS543C20A uses an internally compensated emulated peak-current-mode control, with a clock synchronizable, fixed-frequency modulator for EMI-sensitive POL. The internal integrator and directly amplifying ramp tracking loop eliminate the need for external compensation over a wide range of frequencies thereby making the system design flexible, dense, and simple. Optional API and body braking help improve transient performance by significantly reducing undershoot and overshoot, respectively. Integrated NexFET™ MOSFETs with low-loss switching facilitate high efficiency and deliver up to 40 A in a 5-mm × 7-mm PowerStack™ package with a layout friendly thermal pad. Two TPS543C20A devices can be stacked together to provide up to 80-A point-of-load.

The TPS543C20A uses an internally compensated emulated peak-current-mode control, with a clock synchronizable, fixed-frequency modulator for EMI-sensitive POL. The internal integrator and directly amplifying ramp tracking loop eliminate the need for external compensation over a wide range of frequencies thereby making the system design flexible, dense, and simple. Optional API and body braking help improve transient performance by significantly reducing undershoot and overshoot, respectively. Integrated NexFET™ MOSFETs with low-loss switching facilitate high efficiency and deliver up to 40 A in a 5-mm × 7-mm PowerStack™ package with a layout friendly thermal pad. Two TPS543C20A devices can be stacked together to provide up to 80-A point-of-load.

Subscribe to Welllinkchips !
Your Name
* Email
Submit a request