0
INA141
  • INA141
  • INA141

INA141

ACTIVE

Precision, Low Power, G = 10, 100 Instrumentation Amplifier

Texas Instruments INA141 Product Info

1 April 2026 0

Parameters

Number of channels

1

Vs (max) (V)

36

Vs (min) (V)

4.5

Input offset (±) (max) (µV)

50

Voltage gain (min) (V/V)

10

Voltage gain (max) (V/V)

100

Noise at 1 kHz (typ) (nV√Hz)

8

Features

Overvoltage protection

CMRR (min) (dB)

117

Input offset drift (±) (max) (µV/°C)

0.5

Input bias current (±) (max) (nA)

5

Iq (typ) (mA)

0.75

Bandwidth at min gain (typ) (MHz)

1

Gain error (±) (max) (%)

0.075

Operating temperature range (°C)

-40 to 85

Rating

Catalog

Type

Fixed Gain

Gain nonlinearity (±) (max) (%)

0.002

Output swing headroom (to negative supply) (typ) (V)

0.9

Output swing headroom (to positive supply) (typ) (V)

-0.9

Input common mode headroom (to negative supply) (typ) (V)

1.7

Input common mode headroom (to positive supply) (typ) (V)

-1.4

Noise at 0.1 Hz to 10 Hz (typ) (µVPP)

0.2

Package

SOIC (D)-8-29.4 mm² 4.9 x 6

Features

  • Low offset voltage:
    • 50µV maximum at G = 100V/V
  • Low drift:
    • 0.5µV/°C maximum at G = 100V/V
  • Accurate gain:
    • ±0.05% at G = 10V/V
  • Low input bias current:
    • 5nA, maximum
  • High CMR:
    • 117dB, minimum
  • Inputs protected to ±40V
  • Wide supply range: ±2.25V to ±18 V
  • Low quiescent current: 750µA
  • Low offset voltage:
    • 50µV maximum at G = 100V/V
  • Low drift:
    • 0.5µV/°C maximum at G = 100V/V
  • Accurate gain:
    • ±0.05% at G = 10V/V
  • Low input bias current:
    • 5nA, maximum
  • High CMR:
    • 117dB, minimum
  • Inputs protected to ±40V
  • Wide supply range: ±2.25V to ±18 V
  • Low quiescent current: 750µA

Description

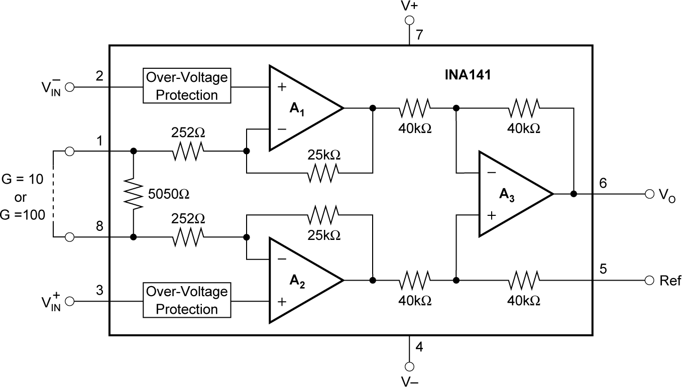
The INA141 is a low power, general-purpose instrumentation amplifier offering excellent accuracy. The versatile three-op-amp design and small size make this device an excellent choice for a wide range of applications. Current-feedback input circuitry provides wide bandwidth even at high gain (200 kHz at G = 100 V/V).

Simple pin connections set an accurate gain of 10 V/V or 100 V/V without external resistors. Internal input protection can withstand up to ±40 V without damage.

The INA141 is laser trimmed for very low offset voltage (50 µV), drift (0.5 µV/°C) and high common-mode rejection (117 dB at G = 100 V/V). The device operates with power supplies as low as ±2.25 V, and quiescent current is only 750 µA.

The INA141 is available in an 8‑pin SOIC package, and is specified for the −40°C to +85°C temperature range.

The INA141 is a low power, general-purpose instrumentation amplifier offering excellent accuracy. The versatile three-op-amp design and small size make this device an excellent choice for a wide range of applications. Current-feedback input circuitry provides wide bandwidth even at high gain (200 kHz at G = 100 V/V).

Simple pin connections set an accurate gain of 10 V/V or 100 V/V without external resistors. Internal input protection can withstand up to ±40 V without damage.

The INA141 is laser trimmed for very low offset voltage (50 µV), drift (0.5 µV/°C) and high common-mode rejection (117 dB at G = 100 V/V). The device operates with power supplies as low as ±2.25 V, and quiescent current is only 750 µA.

The INA141 is available in an 8‑pin SOIC package, and is specified for the −40°C to +85°C temperature range.

Subscribe to Welllinkchips !
Your Name
* Email
Submit a request