0
TPS54312
  • TPS54312
  • TPS54312
  • TPS54312

TPS54312

ACTIVE

3V to 6V Input, 3A Synchronous Step-Down SWIFT™ Converter with 1.2V Output

Texas Instruments TPS54312 Product Info

1 April 2026 0

Parameters

Rating

Catalog

Topology

Buck

Iout (max) (A)

3

Vin (max) (V)

6

Vin (min) (V)

3

Vout (max) (V)

1.2

Vout (min) (V)

1.2

Features

Enable, Power good, Synchronous Rectification

Control mode

Voltage mode

Operating temperature range (°C)

-40 to 125

Iq (typ) (A)

0.0062

Duty cycle (max) (%)

90

Package

HTSSOP (PWP)-20-41.6 mm² 6.5 x 6.4

Features

  • 60-mΩ, MOSFET Switches for High Efficiency at 3-A
    Continuous Output Source and Sink Current
  • 0.9-V, 1.2-V, 1.5-V, 1.8-V, 2.5-V, and 3.3-V Fixed Output
    Voltage Devices With 1.0% Initial Accuracy
  • Internally Compensated for Low Parts Count
  • Fast Transient Response
  • Wide PWM Frequency – Fixed 350 kHz, 550 kHz or Adjustable
    280 kHz to 700 kHz
  • Load Protected by Peak Current Limit and Thermal Shutdown
  • Integrated Solution Reduces Board Area and Total Cost
  • 60-mΩ, MOSFET Switches for High Efficiency at 3-A
    Continuous Output Source and Sink Current
  • 0.9-V, 1.2-V, 1.5-V, 1.8-V, 2.5-V, and 3.3-V Fixed Output
    Voltage Devices With 1.0% Initial Accuracy
  • Internally Compensated for Low Parts Count
  • Fast Transient Response
  • Wide PWM Frequency – Fixed 350 kHz, 550 kHz or Adjustable
    280 kHz to 700 kHz
  • Load Protected by Peak Current Limit and Thermal Shutdown
  • Integrated Solution Reduces Board Area and Total Cost

Description

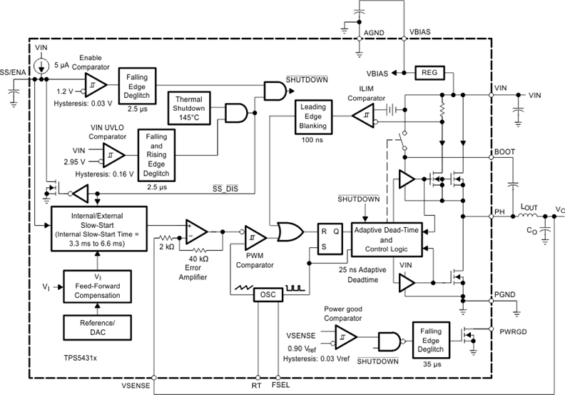
As members of the SWIFT™ family of DC - DC regulators, the TPS54311, TPS54312, TPS54313, TPS54314, TPS54315 and TPS54316 low-input-voltage high-outputcurrent synchronous-buck PWM converters integrate all required active components. Included on the substrate with the listed features are a true, high performance, voltage error amplifier that provides high performance under transient conditions; an undervoltage-lockout circuit to prevent start-up until the input voltage reaches 3 V; an internally and externally set slow-start circuit to limit in-rush currents; and a powergood output useful for processor/logic reset, fault signaling, and supply sequencing.

The TPS54311, TPS54312, TPS54313, TPS54314, TPS54315 and TPS54316 devices are available in a thermally enhanced 20-pin HTSSOP (PWP) PowerPAD™ package, which eliminates bulky heatsinks. TI provides evaluation modules and the SWIFT designer software tool to aid in quickly achieving high-performance power supply designs to meet aggressive equipment development cycles.

As members of the SWIFT™ family of DC - DC regulators, the TPS54311, TPS54312, TPS54313, TPS54314, TPS54315 and TPS54316 low-input-voltage high-outputcurrent synchronous-buck PWM converters integrate all required active components. Included on the substrate with the listed features are a true, high performance, voltage error amplifier that provides high performance under transient conditions; an undervoltage-lockout circuit to prevent start-up until the input voltage reaches 3 V; an internally and externally set slow-start circuit to limit in-rush currents; and a powergood output useful for processor/logic reset, fault signaling, and supply sequencing.

The TPS54311, TPS54312, TPS54313, TPS54314, TPS54315 and TPS54316 devices are available in a thermally enhanced 20-pin HTSSOP (PWP) PowerPAD™ package, which eliminates bulky heatsinks. TI provides evaluation modules and the SWIFT designer software tool to aid in quickly achieving high-performance power supply designs to meet aggressive equipment development cycles.

Subscribe to Welllinkchips !
Your Name
* Email
Submit a request