0
TPS54160
  • TPS54160
  • TPS54160
  • TPS54160
  • TPS54160
  • TPS54160
  • TPS54160
  • TPS54160

TPS54160

ACTIVE

3.5V to 60V Input, 1.5A Step-Down Converter with Eco-Mode

Texas Instruments TPS54160 Product Info

1 April 2026 0

Parameters

Rating

Catalog

Topology

Buck

Iout (max) (A)

1.5

Vin (max) (V)

60

Vin (min) (V)

3.5

Vout (max) (V)

58

Vout (min) (V)

0.8

Features

Enable, Frequency synchronization, Light Load Efficiency, Power good, Tracking, UVLO adjustable

Control mode

current mode

Operating temperature range (°C)

-40 to 150

Iq (typ) (A)

0.000116

Duty cycle (max) (%)

98

Package

HVSSOP (DGQ)-10-14.7 mm² 3 x 4.9

Features

  • 3.5 V to 60 V Input Voltage Range
  • 200-mΩ High-Side MOSFET
  • High Efficiency at Light Loads with a Pulse Skipping Eco-mode
  • TPS54160A has Tighter Enable Threshold Than
    TPS54160 for More Accurate UVLO voltage
  • Adjustable UVLO Voltage and Hysteresis
  • 116 µA Operating Quiescent Current
  • 1.3 µA Shutdown Current
  • 100 kHz to 2.5 MHz Switching Frequency
  • Synchronizes to External Clock
  • Adjustable Slow Start/Sequencing
  • UV and OV Power Good Output
  • 0.8-V Internal Voltage Reference
  • MSOP10 and 3mm x 3mm VSON Package with PowerPAD
  • Supported by WEBBENCH and SwitcherPro Software Tool
  • 3.5 V to 60 V Input Voltage Range
  • 200-mΩ High-Side MOSFET
  • High Efficiency at Light Loads with a Pulse Skipping Eco-mode
  • TPS54160A has Tighter Enable Threshold Than
    TPS54160 for More Accurate UVLO voltage
  • Adjustable UVLO Voltage and Hysteresis
  • 116 µA Operating Quiescent Current
  • 1.3 µA Shutdown Current
  • 100 kHz to 2.5 MHz Switching Frequency
  • Synchronizes to External Clock
  • Adjustable Slow Start/Sequencing
  • UV and OV Power Good Output
  • 0.8-V Internal Voltage Reference
  • MSOP10 and 3mm x 3mm VSON Package with PowerPAD
  • Supported by WEBBENCH and SwitcherPro Software Tool

Description

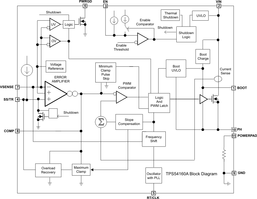
The TPS54160A device is a 60-V, 1.5-A, step down regulator with an integrated high-side MOSFET. Current mode control provides simple external compensation and flexible component selection. A low ripple pulse skip mode reduces the no load, regulated output supply current to 116 μA. Using the enable pin, shutdown supply current is reduced to 1.3 µA.

Under voltage lockout is internally set at 2.5 V, but can be increased using the enable pin. The output voltage startup ramp is controlled by the slow start pin that can also be configured for sequencing/tracking. An open drain power good signal indicates the output is within 94% to 107% of its nominal voltage.

A wide switching frequency range allows efficiency and external component size to be optimized. Frequency fold back and thermal shutdown protects the part during an overload condition.

The TPS54160A device is a 60-V, 1.5-A, step down regulator with an integrated high-side MOSFET. Current mode control provides simple external compensation and flexible component selection. A low ripple pulse skip mode reduces the no load, regulated output supply current to 116 μA. Using the enable pin, shutdown supply current is reduced to 1.3 µA.

Under voltage lockout is internally set at 2.5 V, but can be increased using the enable pin. The output voltage startup ramp is controlled by the slow start pin that can also be configured for sequencing/tracking. An open drain power good signal indicates the output is within 94% to 107% of its nominal voltage.

A wide switching frequency range allows efficiency and external component size to be optimized. Frequency fold back and thermal shutdown protects the part during an overload condition.

Subscribe to Welllinkchips !
Your Name
* Email
Submit a request