0
EMB1499Q
  • EMB1499Q
  • EMB1499Q

EMB1499Q

ACTIVE

Bidirectional current DC/DC controller

Texas Instruments EMB1499Q Product Info

1 April 2026 0

Parameters

Rating

Automotive

Number of series cells (max)

14

Number of series cells (min)

6

Features

Cell balancing, Multi-cell support, Separate MCU requirement

Vin (max) (V)

5.5

Communication interface

SPI

Device type

Cell monitor and balancer

Operating temperature range (°C)

-40 to 125

Operating current (typ) (µA)

1000

Package

HTSSOP (PWP)-28-62.08 mm² 9.7 x 6.4

Features

  • 60-V Maximum Stack Operating Voltage
  • Bidirectional Balancing Current
  • Fully Synchronous Operation
  • Active Clamp Signal
  • 250-kHz Switching Frequency
  • Fault Detection Includes Two Separate UVLO Cells
    (One for Each External Supply), Primary and
    Secondary Side Current Limit, OVP/UVP Sense on
    Cell Being Charged, Thermal Shutdown, and
    Watchdog Timer
  • Balancing Current User-selectable Through
    External Voltage
  • EMB1499Q is an Automotive Grade Product
    that is AEC-Q100 Grade 1 Qualified
    (–40°C to +125°C Operating Junction Temperature)
  • 60-V Maximum Stack Operating Voltage
  • Bidirectional Balancing Current
  • Fully Synchronous Operation
  • Active Clamp Signal
  • 250-kHz Switching Frequency
  • Fault Detection Includes Two Separate UVLO Cells
    (One for Each External Supply), Primary and
    Secondary Side Current Limit, OVP/UVP Sense on
    Cell Being Charged, Thermal Shutdown, and
    Watchdog Timer
  • Balancing Current User-selectable Through
    External Voltage
  • EMB1499Q is an Automotive Grade Product
    that is AEC-Q100 Grade 1 Qualified
    (–40°C to +125°C Operating Junction Temperature)

Description

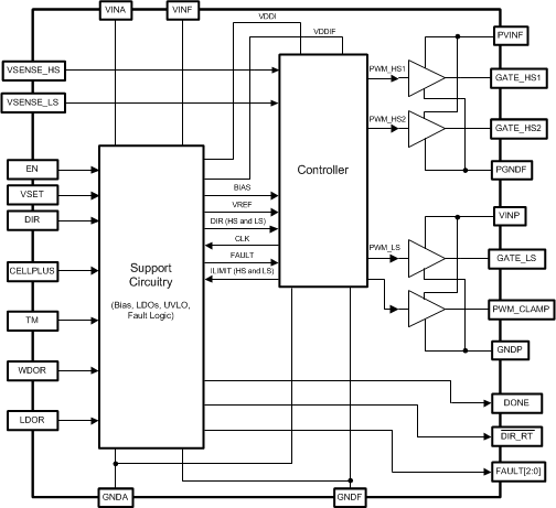
The EMB1499Q bidirectional current dc/dc controller IC works in conjunction with the EMB1428 switch matrix gate driver IC to support TI’s switch matrix based active cell balancing scheme for a battery management system. The EMB1499Q provides three PWM MOSFET gate signals to a bidirectional forward converter so that its output current, either positive or negative, is regulated around a user-defined magnitude. This inductor current is channeled by the EMB1428 through the switch matrix to the cell that needs to be charged or discharged. In a typical scheme, the EMB1499Q-based forward converter exchanges energy between a single cell and the battery stack to which it belongs, with a maximum stack voltage of up to 60 V. The switching frequency is fixed at 250 kHz. The EMB1499Q senses cell voltage, inductor current and stack current and provides protection from abnormal conditions during balancing.

The EMB1499Q also provides an active clamp timing signal to control an external FET driver for the primary-side active clamp FET. The EMB1499Q is enabled and disabled by the EMB1428. Fault conditions detected by the EMB1499Q are communicated to the EMB1428 through the DONE and FAULT pins.

The EMB1499Q bidirectional current dc/dc controller IC works in conjunction with the EMB1428 switch matrix gate driver IC to support TI’s switch matrix based active cell balancing scheme for a battery management system. The EMB1499Q provides three PWM MOSFET gate signals to a bidirectional forward converter so that its output current, either positive or negative, is regulated around a user-defined magnitude. This inductor current is channeled by the EMB1428 through the switch matrix to the cell that needs to be charged or discharged. In a typical scheme, the EMB1499Q-based forward converter exchanges energy between a single cell and the battery stack to which it belongs, with a maximum stack voltage of up to 60 V. The switching frequency is fixed at 250 kHz. The EMB1499Q senses cell voltage, inductor current and stack current and provides protection from abnormal conditions during balancing.

The EMB1499Q also provides an active clamp timing signal to control an external FET driver for the primary-side active clamp FET. The EMB1499Q is enabled and disabled by the EMB1428. Fault conditions detected by the EMB1499Q are communicated to the EMB1428 through the DONE and FAULT pins.

Subscribe to Welllinkchips !
Your Name
* Email
Submit a request