0
TPS53915
  • TPS53915
  • TPS53915

TPS53915

ACTIVE

1.5-V to 18-V, 12-A synchronous SWIFT™ buck converter with PMBus

Texas Instruments TPS53915 Product Info

1 April 2026 0

Parameters

Rating

Catalog

Topology

Buck

Iout (max) (A)

12

Vin (max) (V)

18

Vin (min) (V)

1.5

Vout (max) (V)

5.5

Vout (min) (V)

0.6

Features

Adaptive/Dynamic Voltage Scaling, Adjustable current limit, Adjustable soft start, Enable, Light-load efficiency, Overcurrent protection, PMBus, Power good, Prebias startup, Synchronous rectification, UVLO adjustable, Voltage Margining

Control mode

D-CAP3

Operating temperature range (°C)

-40 to 85

Iq (typ) (A)

0.00135

Duty cycle (max) (%)

80

Package

VQFN-CLIP (RVE)-28-15.75 mm² 4.5 x 3.5

Features

  • Integrated 13.8- and 5.9-mΩ MOSFETs Support
    12-A Continuous Output Current
  • Adjustments Available Through PMBus™
    • Voltage Margin and Adjustment
    • Soft-Start Time
    • Power-On Delay
    • VDD UVLO Level
    • Fault Reporting
    • Switching Frequency
    • Supports All Ceramic Output Capacitors
    • Reference Voltage 600 mV ±0.5% Tolerance
    • Output Voltage Range: 0.6 V to 5.5 V
    • D-CAP3™ Control Mode With Fast Load-Step
      Response
    • Auto-Skipping Eco-Mode™ for High Light-
      Load Efficiency
    • FCCM for Tight Output Ripple and Voltage
      Requirements
    • Eight Selectable Frequency Settings from
      200 kHz to 1 MHz
    • 3.5 mm × 4.5 mm, 28-Pin, QFN Package
  • Integrated 13.8- and 5.9-mΩ MOSFETs Support
    12-A Continuous Output Current
  • Adjustments Available Through PMBus™
    • Voltage Margin and Adjustment
    • Soft-Start Time
    • Power-On Delay
    • VDD UVLO Level
    • Fault Reporting
    • Switching Frequency
    • Supports All Ceramic Output Capacitors
    • Reference Voltage 600 mV ±0.5% Tolerance
    • Output Voltage Range: 0.6 V to 5.5 V
    • D-CAP3™ Control Mode With Fast Load-Step
      Response
    • Auto-Skipping Eco-Mode™ for High Light-
      Load Efficiency
    • FCCM for Tight Output Ripple and Voltage
      Requirements
    • Eight Selectable Frequency Settings from
      200 kHz to 1 MHz
    • 3.5 mm × 4.5 mm, 28-Pin, QFN Package

Description

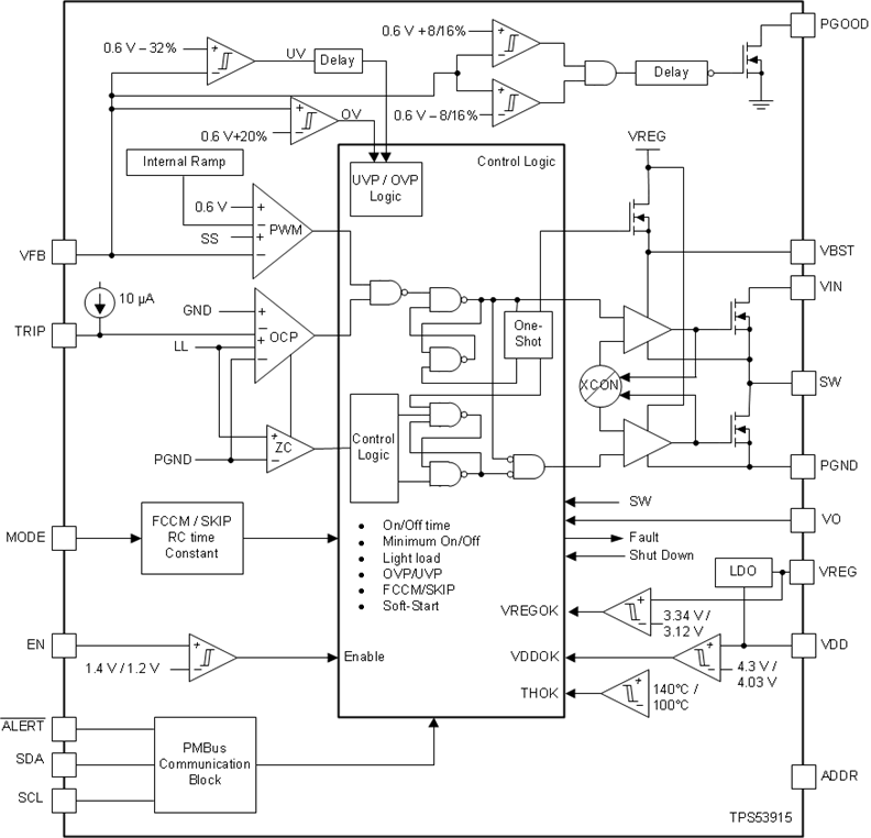
The TPS53915 is a small-sized, synchronous buck converter with an adaptive on-time D-CAP3 control mode. The device offers ease-of-use and low external-component count for space-conscious power systems.

This device features high-performance integrated MOSFETs, accurate 0.5% 0.6-V reference, and an integrated boost switch. Competitive features include very-low external-component count, fast load-transient response, auto-skip mode operation, internal soft-start control, and no requirement for compensation. The device also features programmability and fault report via PMBus™ to simplify the power supply design.

A forced continuous conduction mode helps meet tight voltage regulation accuracy requirements for performance DSPs and FPGAs. The TPS53915 is available in a 28-pin QFN package and is specified from –40°C to 85°C ambient temperature.

The TPS53915 is a small-sized, synchronous buck converter with an adaptive on-time D-CAP3 control mode. The device offers ease-of-use and low external-component count for space-conscious power systems.

This device features high-performance integrated MOSFETs, accurate 0.5% 0.6-V reference, and an integrated boost switch. Competitive features include very-low external-component count, fast load-transient response, auto-skip mode operation, internal soft-start control, and no requirement for compensation. The device also features programmability and fault report via PMBus™ to simplify the power supply design.

A forced continuous conduction mode helps meet tight voltage regulation accuracy requirements for performance DSPs and FPGAs. The TPS53915 is available in a 28-pin QFN package and is specified from –40°C to 85°C ambient temperature.

Subscribe to Welllinkchips !
Your Name
* Email
Submit a request