0
SN74LV8T595-Q1
  • SN74LV8T595-Q1
  • SN74LV8T595-Q1
  • SN74LV8T595-Q1
  • SN74LV8T595-Q1

SN74LV8T595-Q1

ACTIVE

Automotive eight-bit shift register with tri-state output registers and logic-level shifter

Texas Instruments SN74LV8T595-Q1 Product Info

1 April 2026 0

Parameters

Technology family

LV-A

Operating temperature range (°C)

-40 to 125

Rating

Automotive

Package

TSSOP (PW)-16-32 mm² 5 x 6.4

Features

  • AEC-Q100 qualified for automotive applications:
    • Device temperature grade 1: -40°C to +125°C
    • Device HBM ESD classification level 2
    • Device CDM ESD classification level C4B
  • Available in wettable flank QFN package

  • Latching logic with known power-up state provides consistent start-up behavior
  • Wide operating range of 1.65V to 5.5V
  • 5.5V tolerant input pins
  • Single-supply voltage translator (refer to LVxT Enhanced Input Voltage):
    • Up translation:
      • 1.2V to 1.8V
      • 1.5V to 2.5V
      • 1.8V to 3.3V
      • 3.3V to 5.0V
    • Down translation:

      • 5.0V, 3.3V, 2.5V to 1.8V
      • 5.0V, 3.3V to 2.5V
      • 5.0V to 3.3V
  • Up to 150Mbps with 5V or 3.3V VCC
  • Supports standard function pinout
  • Latch-up performance exceeds 250mAper JESD 17
  • AEC-Q100 qualified for automotive applications:
    • Device temperature grade 1: -40°C to +125°C
    • Device HBM ESD classification level 2
    • Device CDM ESD classification level C4B
  • Available in wettable flank QFN package

  • Latching logic with known power-up state provides consistent start-up behavior
  • Wide operating range of 1.65V to 5.5V
  • 5.5V tolerant input pins
  • Single-supply voltage translator (refer to LVxT Enhanced Input Voltage):
    • Up translation:
      • 1.2V to 1.8V
      • 1.5V to 2.5V
      • 1.8V to 3.3V
      • 3.3V to 5.0V
    • Down translation:

      • 5.0V, 3.3V, 2.5V to 1.8V
      • 5.0V, 3.3V to 2.5V
      • 5.0V to 3.3V
  • Up to 150Mbps with 5V or 3.3V VCC
  • Supports standard function pinout
  • Latch-up performance exceeds 250mAper JESD 17

Description

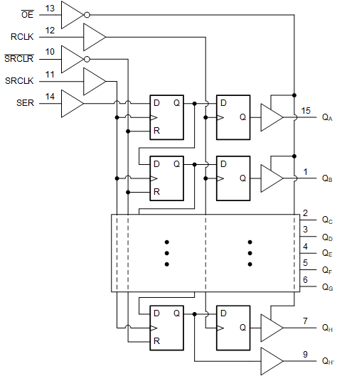
The SN74LV8T595-Q1 device contains an 8-bit, serial-in, parallel-out shift register that feeds an 8-bit D-type storage register. The storage register has parallel 3-state outputs. Separate clocks are provided for both the shift and storage register. The shift register has a direct overriding clear (SRCLR) input, serial (SER) input, and a serial output (QH’) for cascading. When the output-enable (OE) input is high, the storage register outputs are in a high-impedance state. Internal register data and serial output (QH’) are not impacted by the operation of the OE input.

The input is designed with a reduced threshold circuit to support up translation when the supply voltage is larger than the input voltage. Additionally, the 5V tolerant input pins enable down translation when the input voltage is larger than the supply voltage. The output level is always referenced to the supply voltage (VCC) and supports 1.8V, 2.5V, 3.3V, and 5V CMOS levels.

The SN74LV8T595-Q1 device contains an 8-bit, serial-in, parallel-out shift register that feeds an 8-bit D-type storage register. The storage register has parallel 3-state outputs. Separate clocks are provided for both the shift and storage register. The shift register has a direct overriding clear (SRCLR) input, serial (SER) input, and a serial output (QH’) for cascading. When the output-enable (OE) input is high, the storage register outputs are in a high-impedance state. Internal register data and serial output (QH’) are not impacted by the operation of the OE input.

The input is designed with a reduced threshold circuit to support up translation when the supply voltage is larger than the input voltage. Additionally, the 5V tolerant input pins enable down translation when the input voltage is larger than the supply voltage. The output level is always referenced to the supply voltage (VCC) and supports 1.8V, 2.5V, 3.3V, and 5V CMOS levels.

Subscribe to Welllinkchips !
Your Name
* Email
Submit a request