0
TPS51462
  • TPS51462
  • TPS51462

TPS51462

ACTIVE

3.3-V/5-V Input, D-CAP+™ Mode Synchronous Step-Down Integrated FETs Converter With 2-Bit VID

Texas Instruments TPS51462 Product Info

1 April 2026 1

Parameters

Rating

Catalog

Topology

Buck

Iout (max) (A)

6

Vin (max) (V)

5

Vin (min) (V)

3.3

Vout (max) (V)

0.9

Vout (min) (V)

0.675

Features

Adaptive/Dynamic Voltage Scaling, Enable, Light load efficiency, Output discharge, Power good, Soft Start Adjustable, Synchronous Rectification

Control mode

D-CAP+

Operating temperature range (°C)

-40 to 85

Iq (typ) (A)

0.0016

Duty cycle (max) (%)

84

Package

VQFN (RGE)-24-16 mm² 4 x 4

Features

  • Integrated FETs Converter w/TI Proprietary D-CAP+™ Mode Architecture
  • Minimum External Parts Count
  • Support all MLCC Output Capacitor and SP/POSCAP
  • Auto Skip Mode
  • Selectable 700-kHz and 1-MHz Frequency
  • Small 4 mm × 4 mm, 24-Pin, QFN Package
  • Integrated FETs Converter w/TI Proprietary D-CAP+™ Mode Architecture
  • Minimum External Parts Count
  • Support all MLCC Output Capacitor and SP/POSCAP
  • Auto Skip Mode
  • Selectable 700-kHz and 1-MHz Frequency
  • Small 4 mm × 4 mm, 24-Pin, QFN Package

Description

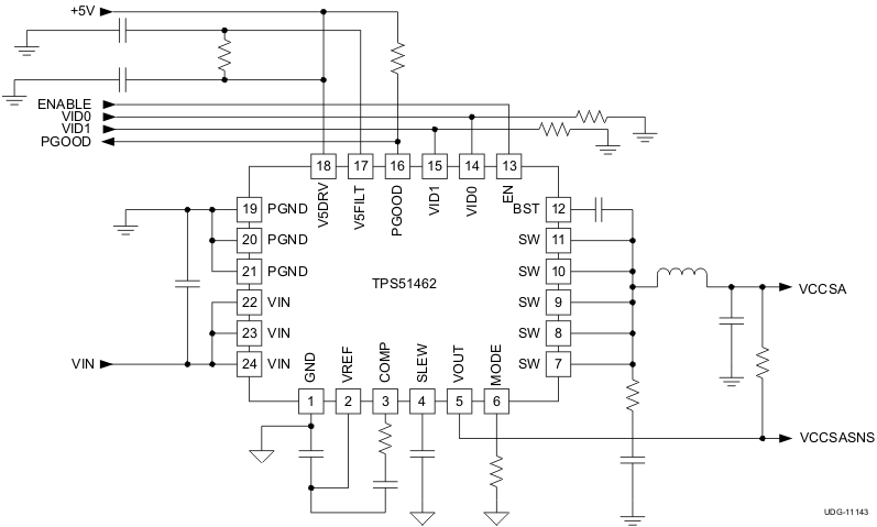
The TPS51462 is a fully integrated synchronous buck regulator employing D-CAP+™. It is used for up to 5-V step-down where system size is at its premium, performance and optimized BOM are must-haves.

This device fully supports Intel system agent applications with integrated 2-bit VID function.

The TPS51462 also features two switching frequency settings (700 kHz and 1 MHz), skip mode, pre-bias startup, programmable external capacitor soft-start time/voltage transition time, output discharge, internal VBST Switch, 2-V reference (±1%), power good and enable.

The TPS51462 is available in a 4 mm × 4 mm, 24-pin, QFN package (Green RoHs compliant and Pb free) and is specified from -40°C to 85°C.

The TPS51462 is a fully integrated synchronous buck regulator employing D-CAP+™. It is used for up to 5-V step-down where system size is at its premium, performance and optimized BOM are must-haves.

This device fully supports Intel system agent applications with integrated 2-bit VID function.

The TPS51462 also features two switching frequency settings (700 kHz and 1 MHz), skip mode, pre-bias startup, programmable external capacitor soft-start time/voltage transition time, output discharge, internal VBST Switch, 2-V reference (±1%), power good and enable.

The TPS51462 is available in a 4 mm × 4 mm, 24-pin, QFN package (Green RoHs compliant and Pb free) and is specified from -40°C to 85°C.

Subscribe to Welllinkchips !
Your Name
* Email
Submit a request