0
TPS43332-Q1
  • TPS43332-Q1
  • TPS43332-Q1

TPS43332-Q1

ACTIVE

Automotive 2V to 40V Single Boost & Dual Synchronous Buck Controller with Freq. Spread Spectrum

Texas Instruments TPS43332-Q1 Product Info

1 April 2026 0

Parameters

Processor supplier

Generic

Processor name

Generic

Product type

Microcontrollers

Regulated outputs (#)

3

Step-down DC/DC converter

0

Step-up DC/DC converter

0

LDO

0

Vin (min) (V)

2

Vin (max) (V)

40

Vout (min) (V)

0.9

Vout (max) (V)

11

Iout (max) (A)

6

Features

Enable, Overcurrent protection, Power good, Synchronous rectification, Thermal shutdown, UVLO fixed

Rating

Automotive

Operating temperature range (°C)

-40 to 125

Step-down DC/DC controller

2

Step-up DC/DC controller

1

Iq (typ) (mA)

0.03

Switching frequency (max) (kHz)

600

Shutdown current (ISD) (typ) (µA)

3

Package

HTSSOP (DAP)-38-101.25 mm² 12.5 x 8.1

Features

  • Qualified for Automotive Applications
  • AEC-Q100 Qualified With the Following Results:
    • Device Temperature Grade 1: –40°C to 125°C
      Ambient Operating Temperature
    • Device HBM ESD Classification Level 2
    • Device CDM ESD Classification Level C4B
  • Two Synchronous Buck Controllers
  • One Pre-Boost Controller
  • Input Range up to 40 V, (Transients up to 60 V),
    Operation Down to 2 V When Boost is Enabled
  • Low-Power-Mode IQ: 30 µA (One Buck On), 35 µA
    (Two Bucks On)
  • Low Shutdown Current Ish < 4 µA
  • Buck Output Range 0.9 V to 11 V
  • Boost Output Selectable: 7 V, 10 V, or 11 V
  • Programmable Frequency and External Synchronization Range
    150 kHz to 600 kHz
  • Separate Enable Inputs (ENA, ENB)
  • Frequency Spread Spectrum (TPS43332)
  • Selectable Forced Continuous Mode or Automatic Low-Power
    Mode at Light Loads
  • Sense Resistor or Inductor DCR Sensing
  • Out-of-Phase Switching Between Buck Channels
  • Peak Gate-Drive Current 1.5 A
  • Thermally Enhanced 38-Pin HTSSOP (DAP) PowerPAD™
    Package
  • Qualified for Automotive Applications
  • AEC-Q100 Qualified With the Following Results:
    • Device Temperature Grade 1: –40°C to 125°C
      Ambient Operating Temperature
    • Device HBM ESD Classification Level 2
    • Device CDM ESD Classification Level C4B
  • Two Synchronous Buck Controllers
  • One Pre-Boost Controller
  • Input Range up to 40 V, (Transients up to 60 V),
    Operation Down to 2 V When Boost is Enabled
  • Low-Power-Mode IQ: 30 µA (One Buck On), 35 µA
    (Two Bucks On)
  • Low Shutdown Current Ish < 4 µA
  • Buck Output Range 0.9 V to 11 V
  • Boost Output Selectable: 7 V, 10 V, or 11 V
  • Programmable Frequency and External Synchronization Range
    150 kHz to 600 kHz
  • Separate Enable Inputs (ENA, ENB)
  • Frequency Spread Spectrum (TPS43332)
  • Selectable Forced Continuous Mode or Automatic Low-Power
    Mode at Light Loads
  • Sense Resistor or Inductor DCR Sensing
  • Out-of-Phase Switching Between Buck Channels
  • Peak Gate-Drive Current 1.5 A
  • Thermally Enhanced 38-Pin HTSSOP (DAP) PowerPAD™
    Package

Description

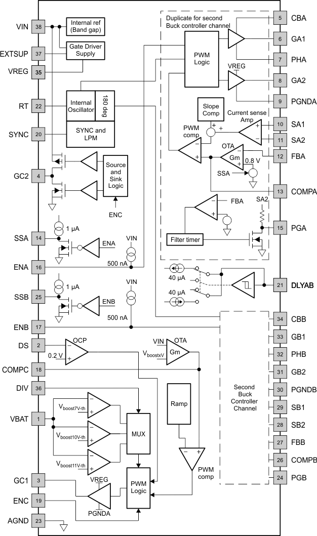
The TPS43330-Q1 and TPS43332-Q1 devices (TPS4333x-Q1) include two current-mode synchronous buck controllers and a voltage-mode boost controller. The TPS4333x-Q1 family of devices is ideally suited as a pre-regulator stage with low IQ requirements and for applications that must survive supply drops due to cranking events. The integrated boost controller allows the devices to operate down to 2 V at the input without seeing a drop on the buck regulator output stages. At light loads, the buck controllers can be enabled to operate automatically in low-power mode, consuming just 30 µA of quiescent current.

The buck controllers have independent soft-start capability and power-good indicators. Current foldback in the buck controllers and cycle-by-cycle current limitation in the boost controller provide external MOSFET protection. The switching frequency can be programed over 150 kHz to 600 kHz or synchronized to an external clock in the same range. Additionally, the TPS43332-Q1 device offers frequency-hopping spread-spectrum operation.

The TPS43330-Q1 and TPS43332-Q1 devices (TPS4333x-Q1) include two current-mode synchronous buck controllers and a voltage-mode boost controller. The TPS4333x-Q1 family of devices is ideally suited as a pre-regulator stage with low IQ requirements and for applications that must survive supply drops due to cranking events. The integrated boost controller allows the devices to operate down to 2 V at the input without seeing a drop on the buck regulator output stages. At light loads, the buck controllers can be enabled to operate automatically in low-power mode, consuming just 30 µA of quiescent current.

The buck controllers have independent soft-start capability and power-good indicators. Current foldback in the buck controllers and cycle-by-cycle current limitation in the boost controller provide external MOSFET protection. The switching frequency can be programed over 150 kHz to 600 kHz or synchronized to an external clock in the same range. Additionally, the TPS43332-Q1 device offers frequency-hopping spread-spectrum operation.

Subscribe to Welllinkchips !
Your Name
* Email
Submit a request