0
TPS3431
  • TPS3431
  • TPS3431

TPS3431

ACTIVE

Standard programmable watchdog timer with enable

Texas Instruments TPS3431 Product Info

1 April 2026 0

Parameters

Rating

Catalog

Features

Timeout watchdog, Watchdog disable, Watchdog timer

Reset threshold accuracy (%)

0

Iq (typ) (mA)

0.01

Output driver type/reset output

Active-low, Open-drain

Time delay (ms)

200

Watchdog timer WDI (s)

0.2, Programmable

Supply voltage (min) (V)

1.8

Supply voltage (max) (V)

6.5

Operating temperature range (°C)

-40 to 125

Package

VSON (DRB)-8-9 mm² 3 x 3

Features

  • Factory-programmed precision watchdog timers:
    • ±2.5% Accurate watchdog timeout (WDT) typical at 25°C
  • Watchdog disable feature
  • User-programmable watchdog timeout
  • Input voltage range: VDD = 1.8 V to 6.5 V
  • Low quiescent current: IDD = 10 µA (typical)
  • Active-low open-drain output
  • Enable input (EN) and enable output (ENOUT)
  • Available in a small 3-mm × 3-mm, 8-pin VSON package
  • Junction operating temperature range: –40°C to +125°C
  • Factory-programmed precision watchdog timers:
    • ±2.5% Accurate watchdog timeout (WDT) typical at 25°C
  • Watchdog disable feature
  • User-programmable watchdog timeout
  • Input voltage range: VDD = 1.8 V to 6.5 V
  • Low quiescent current: IDD = 10 µA (typical)
  • Active-low open-drain output
  • Enable input (EN) and enable output (ENOUT)
  • Available in a small 3-mm × 3-mm, 8-pin VSON package
  • Junction operating temperature range: –40°C to +125°C

Description

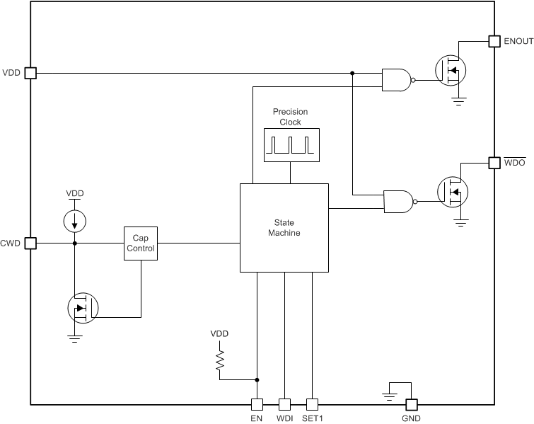
The TPS3431 is a standard programmable watchdog timer with an enable feature for a wide variety of applications. The watchdog timeout features a 15% accuracy, high-precision timing (–40°C to +125°C) and 2.5% typical at 25°C. The watchdog timeout can be programmed either by an external capacitor, or by factory-programmed default delay settings. The watchdog can be disabled via the Enable pin or the SET logic pins to avoid undesired watchdog timeouts during the development process.

The TPS3431 is available in a small 3.00-mm × 3.00-mm, 8-pin VSON package.

The TPS3431 is a standard programmable watchdog timer with an enable feature for a wide variety of applications. The watchdog timeout features a 15% accuracy, high-precision timing (–40°C to +125°C) and 2.5% typical at 25°C. The watchdog timeout can be programmed either by an external capacitor, or by factory-programmed default delay settings. The watchdog can be disabled via the Enable pin or the SET logic pins to avoid undesired watchdog timeouts during the development process.

The TPS3431 is available in a small 3.00-mm × 3.00-mm, 8-pin VSON package.

Subscribe to Welllinkchips !
Your Name
* Email
Submit a request