0
TPS25990
  • TPS25990
  • TPS25990
  • TPS25990
  • TPS25990

TPS25990

ACTIVE

2.9-V to 16-V, 0.79-mΩ, 60-A eFuse with digital telemetry controller

Texas Instruments TPS25990 Product Info

1 April 2026 2

Parameters

Vabsmax_cont (V)

20

Vin (max) (V)

16

Vin (min) (V)

2.9

Current limit (max) (A)

50

Current limit (min) (A)

7

Features

Adjustable soft start, Current monitoring, Fault output, Overcurrent protection, Overvoltage protection, PMBus, Power good signal, Quick output discharge, Short-circuit protection, Stackable, Thermal shutdown, adjustable UVLO

Overcurrent response

Circuit breaker

Fault response

Auto-retry, Latch-off

Ron (typ) (mΩ)

0.79

Overvoltage response

Cut-off

Rating

Catalog

Soft start

Adjustable

Quiescent current (Iq) (typ) (A)

0.0037

Quiescent current (Iq) (max) (A)

0.0055

Device type

eFuses and hot swap controllers

Operating temperature range (°C)

-40 to 125

Package

VQFN-HR (RQP)-26-22.5 mm² 5 x 4.5

Features

  • Input operating voltage range: 2.9 V to 16 V
    • 20-V absolute maximum at input
    • Withstands up to –1 V at output
  • Integrated low on-resistance FET: 0.79 mΩ (typ.)
    • Rated for 50 A RMS and 60 A peak current
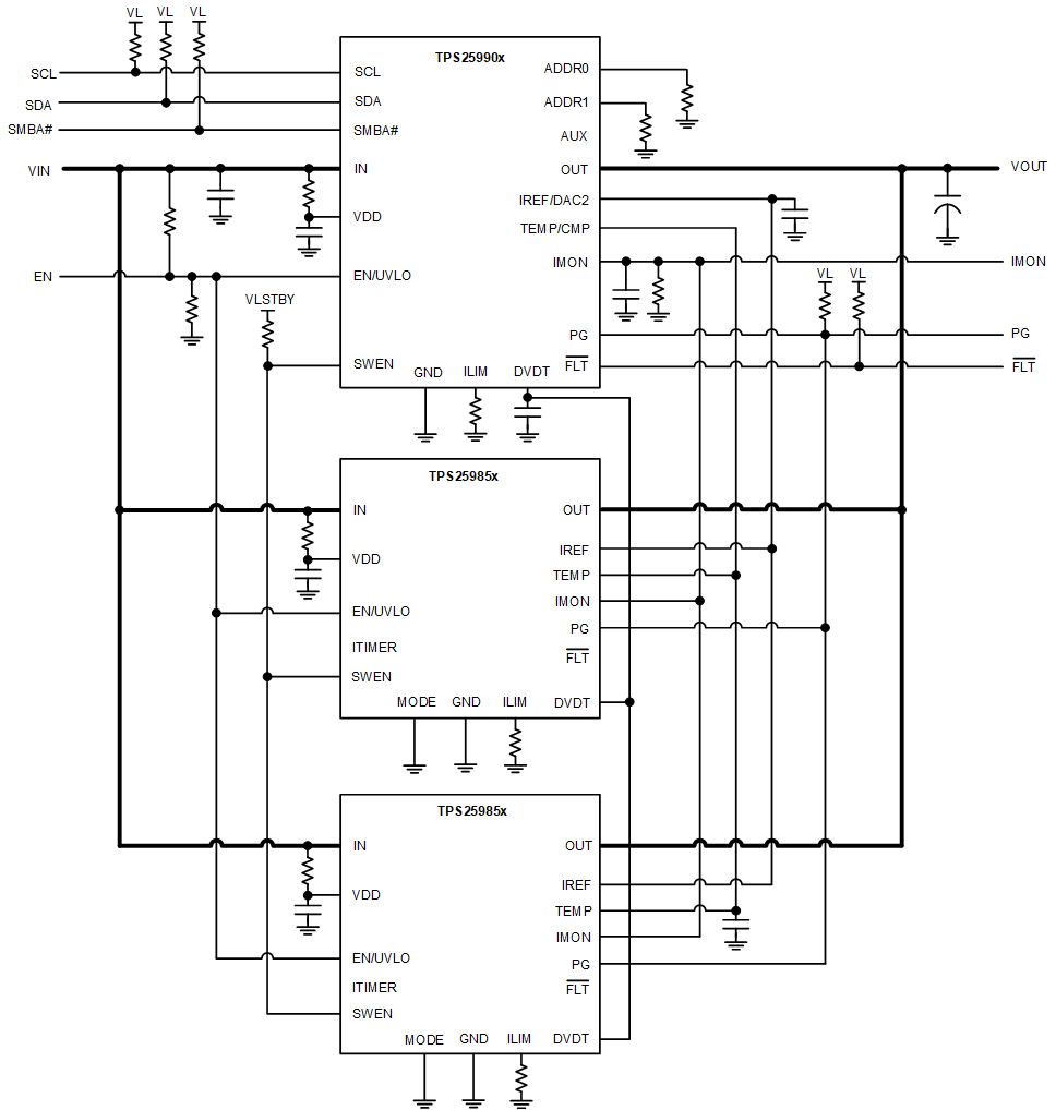
  • Can be used as a standalone eFuse or primary controller in parallel configuration
    • Supports parallel connection of multiple eFuses for higher current support
    • Active device state synchronization and load sharing during start-up and steady-state for unlimited scalability
  • PMBus® interface for telemetry, control, configuration and debug

    • P IN/E IN/V IN/V OUT/I IN/temperature/fault monitoring
    • Power cycle with a single command
    • On-chip non-volatile configuration memory
    • Blackbox fault recording of multiple events with relative time-stamp and option to store on an external EEPROM
  • Robust overcurrent protection
    • Programmable overcurrent threshold (I OCP): 7 A to 50 A with accuracy of ±5% (max.)
    • Circuit-breaker response during steady-state with a programmable transient blanking timer (OC_TIMER) to support peak load currents
    • Active current limit during start-up (I LIM)
  • Robust short-circuit protection
    • Fast-trip response (280 ns)
    • Programmable and fixed thresholds
    • Immune to supply line transients — no nuisance tripping
  • Programmable overtemperature protection (OTP)
    • Assured FET SOA: 8 W√s

  • Integrated FET health monitoring and reporting
  • Precise analog load current monitoring (IMON)
    • ±2% accuracy
    • > 500-kHz analog bandwidth
  • Fast overvoltage protection with programmable

    threshold

  • Programmable output slew rate control (dVdt)
  • Programmable insertion delay timer
  • Programmable undervoltage lockout (UVLO)
  • Analog die temperature monitor output (TEMP)
  • Four configurable general purpose I/O pins
  • Small footprint : QFN 4.5-mm × 5-mm, 0.6-mm pitch
    • 29-mil clearance between power and GND pins
  • 100% Pb Free
  • Input operating voltage range: 2.9 V to 16 V
    • 20-V absolute maximum at input
    • Withstands up to –1 V at output
  • Integrated low on-resistance FET: 0.79 mΩ (typ.)
    • Rated for 50 A RMS and 60 A peak current
  • Can be used as a standalone eFuse or primary controller in parallel configuration
    • Supports parallel connection of multiple eFuses for higher current support
    • Active device state synchronization and load sharing during start-up and steady-state for unlimited scalability
  • PMBus® interface for telemetry, control, configuration and debug

    • P IN/E IN/V IN/V OUT/I IN/temperature/fault monitoring
    • Power cycle with a single command
    • On-chip non-volatile configuration memory
    • Blackbox fault recording of multiple events with relative time-stamp and option to store on an external EEPROM
  • Robust overcurrent protection
    • Programmable overcurrent threshold (I OCP): 7 A to 50 A with accuracy of ±5% (max.)
    • Circuit-breaker response during steady-state with a programmable transient blanking timer (OC_TIMER) to support peak load currents
    • Active current limit during start-up (I LIM)
  • Robust short-circuit protection
    • Fast-trip response (280 ns)
    • Programmable and fixed thresholds
    • Immune to supply line transients — no nuisance tripping
  • Programmable overtemperature protection (OTP)
    • Assured FET SOA: 8 W√s

  • Integrated FET health monitoring and reporting
  • Precise analog load current monitoring (IMON)
    • ±2% accuracy
    • > 500-kHz analog bandwidth
  • Fast overvoltage protection with programmable

    threshold

  • Programmable output slew rate control (dVdt)
  • Programmable insertion delay timer
  • Programmable undervoltage lockout (UVLO)
  • Analog die temperature monitor output (TEMP)
  • Four configurable general purpose I/O pins
  • Small footprint : QFN 4.5-mm × 5-mm, 0.6-mm pitch
    • 29-mil clearance between power and GND pins
  • 100% Pb Free

Description

The TPS25990 is an integrated, high-current circuit protection and power management device in a small package. The device provides multiple protection modes using very few external components and is a robust defense against overloads, short circuits, and excessive inrush current.

The integrated PMBus® interface allows a host controller to monitor, control and configure the system in real-time. Key system parameters can be read back by remote telemetry. Various protection, warning thresholds and coefficients can be configured through PMBus® or stored in non-volatile configuration memory. Blackbox fault recording feature helps in the debugging of field failures and returns.

The device can be used as a standalone eFuse, or connected as a primary controller in a parallel eFuse configuration for higher current support. All devices actively synchronize their operating state and share current during start-up and steady state to avoid over-stressing some of the devices which can result in premature or partial shutdown of the parallel chain.

An integrated fast and accurate sense analog load current monitor facilitates predictive maintenance and advanced dynamic platform power management techniques such as Intel PSYS and PROCHOT to maximize system throughput and power supply usage. This in conjunction with an integrated digital oscilloscope function and Blackbox, helps with predictive maintenance in critical systems.

The devices are characterized for operation over a junction temperature range of –40°C to +125°C.

The TPS25990 is an integrated, high-current circuit protection and power management device in a small package. The device provides multiple protection modes using very few external components and is a robust defense against overloads, short circuits, and excessive inrush current.

The integrated PMBus® interface allows a host controller to monitor, control and configure the system in real-time. Key system parameters can be read back by remote telemetry. Various protection, warning thresholds and coefficients can be configured through PMBus® or stored in non-volatile configuration memory. Blackbox fault recording feature helps in the debugging of field failures and returns.

The device can be used as a standalone eFuse, or connected as a primary controller in a parallel eFuse configuration for higher current support. All devices actively synchronize their operating state and share current during start-up and steady state to avoid over-stressing some of the devices which can result in premature or partial shutdown of the parallel chain.

An integrated fast and accurate sense analog load current monitor facilitates predictive maintenance and advanced dynamic platform power management techniques such as Intel PSYS and PROCHOT to maximize system throughput and power supply usage. This in conjunction with an integrated digital oscilloscope function and Blackbox, helps with predictive maintenance in critical systems.

The devices are characterized for operation over a junction temperature range of –40°C to +125°C.

Subscribe to Welllinkchips !
Your Name
* Email
Submit a request