0
TPS2590
  • TPS2590
  • TPS2590

TPS2590

ACTIVE

3-V to 20-V, 30mΩ, 2-5A eFuse

Texas Instruments TPS2590 Product Info

1 April 2026 1

Parameters

Vabsmax_cont (V)

25

Vin (max) (V)

20

Vin (min) (V)

3

Current limit (max) (A)

5

Current limit (min) (A)

2

Features

Adjustable current limit, Fault output, Overcurrent protection, Thermal shutdown

UL recognition

UL2367

Overcurrent response

Circuit breaker

Fault response

Auto-retry, Latch-off

Ron (typ) (mΩ)

29.5

Rating

Catalog

Soft start

Adjustable

Quiescent current (Iq) (typ) (A)

0.000025

Quiescent current (Iq) (max) (A)

0.0001

Device type

eFuses and hot swap controllers

Operating temperature range (°C)

-40 to 125

Package

VQFN (RSA)-16-16 mm² 4 x 4

Features

  • Integrated Pass MOSFET
  • Up to 20-V Bus Operation
  • Programmable Fault Timer
  • Programmable Fault Current
  • Programmable Hard Current-Limit
  • Fast Disable
  • Thermal Shutdown
  • Load Fault Alert
  • Latching and Auto-retry Operation
  • 4-mm x 4-mm QFN
  • –40°C to 125°C Junction
    Temperature Range
  • UL2367 Recognized - File Number E169910
  • Integrated Pass MOSFET
  • Up to 20-V Bus Operation
  • Programmable Fault Timer
  • Programmable Fault Current
  • Programmable Hard Current-Limit
  • Fast Disable
  • Thermal Shutdown
  • Load Fault Alert
  • Latching and Auto-retry Operation
  • 4-mm x 4-mm QFN
  • –40°C to 125°C Junction
    Temperature Range
  • UL2367 Recognized - File Number E169910

Description

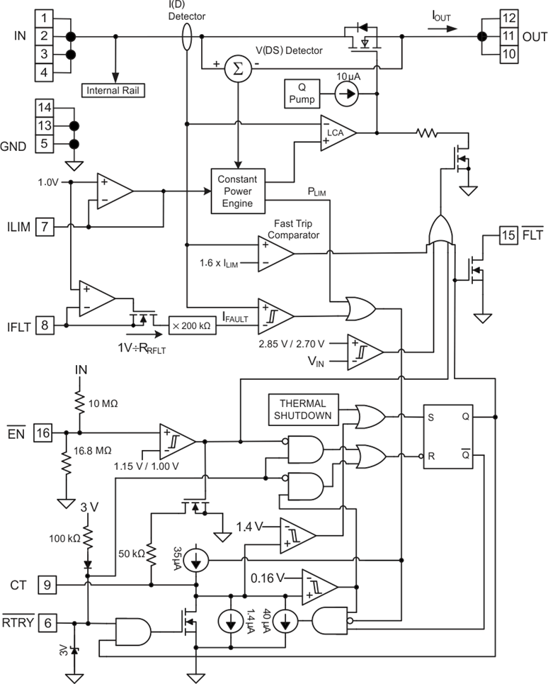
The TPS2590 device provides highly integrated hot-swap power management and superior protection in applications where the load is powered by busses up to 20 V. The maximum UV turn-on threshold of 2.9 V makes the TPS2590 device well suited to standard bus voltages as low as 3.3 V. This device is intended for systems where a voltage bus must be protected to prevent load shorts from interrupting or damaging other system components. The TPS2590 device is in a 16-pin QFN package.

The TPS2590 device has multiple programmable protection features. Load protection is accomplished by a non-current-limiting fault threshold, a hard current-limit threshold, and a fault timer. The dual current thresholds allow the system to draw high current for short periods without causing a voltage droop at the load. An example of this is a disk drive startup. This technique is ideal for loads that experience brief high demand, but benefit from protection levels consistent with average current draw.

Hotswap MOSFET protection is provided by power limit circuitry which protects the internal MOSFET against SOA related failures.

The TPS2590 device provides a fault indicator output and allows latch off or retry on fault.

The TPS2590 device provides highly integrated hot-swap power management and superior protection in applications where the load is powered by busses up to 20 V. The maximum UV turn-on threshold of 2.9 V makes the TPS2590 device well suited to standard bus voltages as low as 3.3 V. This device is intended for systems where a voltage bus must be protected to prevent load shorts from interrupting or damaging other system components. The TPS2590 device is in a 16-pin QFN package.

The TPS2590 device has multiple programmable protection features. Load protection is accomplished by a non-current-limiting fault threshold, a hard current-limit threshold, and a fault timer. The dual current thresholds allow the system to draw high current for short periods without causing a voltage droop at the load. An example of this is a disk drive startup. This technique is ideal for loads that experience brief high demand, but benefit from protection levels consistent with average current draw.

Hotswap MOSFET protection is provided by power limit circuitry which protects the internal MOSFET against SOA related failures.

The TPS2590 device provides a fault indicator output and allows latch off or retry on fault.

Subscribe to Welllinkchips !
Your Name
* Email
Submit a request