0
TPS22998
  • TPS22998
  • TPS22998
  • TPS22998

TPS22998

ACTIVE

5.5-V, 10-A, 4-mΩ On-Resistance load switch

Texas Instruments TPS22998 Product Info

1 April 2026 0

Parameters

Imax (A)

10

Vin (max) (V)

5.5

Vin (min) (V)

0.2

Number of channels

1

Features

Inrush current control, Quick output discharge, Thermal shutdown

Quiescent current (Iq) (typ) (µA)

18

Soft start

Tri-state

Rating

Catalog

Ron (typ) (mΩ)

4

Shutdown current (ISD) (typ) (µA)

3

Current limit type

None

Function

Inrush current control

FET

Internal

Operating temperature range (°C)

-40 to 105

Device type

Load switches

Package

WQFN-HR (RYZ)-10-3 mm² 2 x 1.5

Features

  • Input operating voltage range (VIN): 0.2 V–5.5 V
  • Bias voltage range: 2.2 V–5.5 V
  • Maximum continuous current: 10 A
  • ON-Resistance (RON): 4 mΩ (typ.)
  • Adjustable slew rate with tri-state pin
  • Quick Output Discharge (QOD): 50 Ω
  • Thermal shutdown
  • Low power consumption:
    • ON state (IQ): 15 µA (typ.)
    • OFF state (ISD): 3 µA (typ.)
  • Input operating voltage range (VIN): 0.2 V–5.5 V
  • Bias voltage range: 2.2 V–5.5 V
  • Maximum continuous current: 10 A
  • ON-Resistance (RON): 4 mΩ (typ.)
  • Adjustable slew rate with tri-state pin
  • Quick Output Discharge (QOD): 50 Ω
  • Thermal shutdown
  • Low power consumption:
    • ON state (IQ): 15 µA (typ.)
    • OFF state (ISD): 3 µA (typ.)

Description

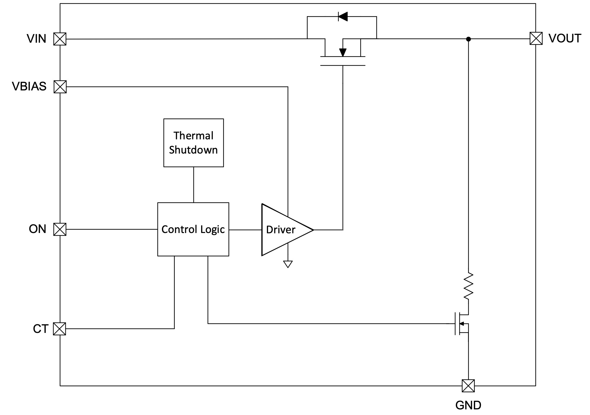
The TPS22998 is a single-channel load switch that provides a configurable rise time to minimize inrush current. The device contains an N-channel MOSFET that can operate over an input voltage range of 0.2 V to 5.5 V and can support a maximum continuous current of 10 A.

The switch is controlled by an on and off input (ON), which is capable of interfacing directly with low voltage control signals (VIH = 0.9 V). The TPS22998 has a fixed quick output discharge when switch is turned off, pulling the output down to ground.

The TPS22998 is available in a 1.5 × 2.0 mm, 0.5 mm pitch, 10-pin WQFN package (RYZ) and is characterized for operation over the free-air temperature range of –40°C to +105°C.

The TPS22998 is a single-channel load switch that provides a configurable rise time to minimize inrush current. The device contains an N-channel MOSFET that can operate over an input voltage range of 0.2 V to 5.5 V and can support a maximum continuous current of 10 A.

The switch is controlled by an on and off input (ON), which is capable of interfacing directly with low voltage control signals (VIH = 0.9 V). The TPS22998 has a fixed quick output discharge when switch is turned off, pulling the output down to ground.

The TPS22998 is available in a 1.5 × 2.0 mm, 0.5 mm pitch, 10-pin WQFN package (RYZ) and is characterized for operation over the free-air temperature range of –40°C to +105°C.

Subscribe to Welllinkchips !
Your Name
* Email
Submit a request