0
TPA6133A2
  • TPA6133A2
  • TPA6133A2

TPA6133A2

ACTIVE

138-mW, stereo, analog input headphone amplifier with GPIO control interface

Texas Instruments TPA6133A2 Product Info

1 April 2026 1

Parameters

Supply voltage (max) (V)

5.5

Supply voltage (min) (V)

2.5

Rating

Catalog

Operating temperature range (°C)

-40 to 85

Package

WQFN (RTJ)-20-16 mm² 4 x 4

Features

  • DirectPath™ Ground-Referenced Outputs
    • Eliminates Output DC Blocking Capacitors
    • Reduces Board Area
    • Reduces Component Height and Cost
    • Full Bass Response Without Attenuation
  • Power Supply Voltage Range: 2.5 V to 5.5 V
  • High Power Supply Rejection Ratio
    (>100 dB PSRR)
  • Differential Inputs for Maximum Noise Rejection
    (69 dB CMRR)
  • High-Impedance Outputs When Disabled
  • Advanced Pop and Click Suppression Circuitry
  • GPIO Control for Shutdown
  • 20 Pin, 4 mm × 4 mm WQFN Package
  • DirectPath™ Ground-Referenced Outputs
    • Eliminates Output DC Blocking Capacitors
    • Reduces Board Area
    • Reduces Component Height and Cost
    • Full Bass Response Without Attenuation
  • Power Supply Voltage Range: 2.5 V to 5.5 V
  • High Power Supply Rejection Ratio
    (>100 dB PSRR)
  • Differential Inputs for Maximum Noise Rejection
    (69 dB CMRR)
  • High-Impedance Outputs When Disabled
  • Advanced Pop and Click Suppression Circuitry
  • GPIO Control for Shutdown
  • 20 Pin, 4 mm × 4 mm WQFN Package

Description

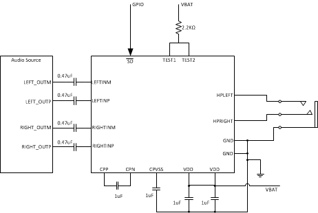
The TPA6133A2 is a stereo DirectPath™ headphone amplifier with GPIO control. The TPA6133A2 has minimal quiescent current consumption, with a typical IDD of 4.2 mA, making it optimal for portable applications. The GPIO control allows the device to be put in a low power shutdown mode.

The TPA6133A2 is a high fidelity amplifier with an SNR of 93 dB. A PSRR greater than 100 dB enables direct-to-battery connections without compromising the listening experience. The output noise of 12 µVrms (typical A-weighted) provides a minimal noise background during periods of silence. Configurable differential inputs and high CMRR allow for maximum noise rejection in the noisy environment of a mobile device.

The TPA6133A2 is a stereo DirectPath™ headphone amplifier with GPIO control. The TPA6133A2 has minimal quiescent current consumption, with a typical IDD of 4.2 mA, making it optimal for portable applications. The GPIO control allows the device to be put in a low power shutdown mode.

The TPA6133A2 is a high fidelity amplifier with an SNR of 93 dB. A PSRR greater than 100 dB enables direct-to-battery connections without compromising the listening experience. The output noise of 12 µVrms (typical A-weighted) provides a minimal noise background during periods of silence. Configurable differential inputs and high CMRR allow for maximum noise rejection in the noisy environment of a mobile device.

Subscribe to Welllinkchips !
Your Name
* Email
Submit a request