0
TPA3255-Q1
  • TPA3255-Q1
  • TPA3255-Q1

TPA3255-Q1

ACTIVE

Automotive, 315-W, 2-ch, 18- to 53.5-V supply analog input Class-D audio amplifier

Texas Instruments TPA3255-Q1 Product Info

1 April 2026 1

Parameters

Output power (W)

315

Power stage supply (max) (V)

53.5

Power stage supply (min) (V)

18

Speaker channels (max)

4

Audio input type

Analog Input

Control interface

Hardware

THD + N at 1 kHz (%)

0.006

Switching frequency (max) (Hz)

450000

Output noise voltage (µV)

85

Rating

Automotive

Operating temperature range (°C)

-40 to 105

Package

HTSSOP (DDV)-44-113.4 mm² 14 x 8.1

Features

  • AEC-Q100 Qualified for Automotive Applications
    • Temperature Grade 2: –40°C to +105°C, TA
  • Differential Analog Inputs
  • Total Output Power at 10% THD+N
    • 315-W Stereo into 4 Ω in BTL Configuration
    • 180-W Stereo into 8 Ω in BTL Configuration
    • 600-W Mono into 2 Ω in PBTL Configuration
  • Total Output Power at 1% THD+N
    • 255-W Stereo into 4 Ω in BTL Configuration
    • 150-W Stereo into 8 Ω in BTL Configuration
    • 495-W Mono into 2 Ω in PBTL Configuration
  • Advanced Integrated Feedback Design with High-speed Gate Driver Error Correction
    • Signal Bandwidth up to 100 kHz for High Frequency Content From HD Sources
    • Ultra Low 0.006% THD+N at 1 W into 4 Ω and <0.01% THD+N to Clipping
    • >65 dB PSRR (BTL, 1 kHz, No Input Signal)
    • <85 µV (A-Weighted) Output Noise
    • >111 dB (A Weighted) SNR
  • Multiple Configurations Possible:
    • Stereo, Mono, 2.1 and 4xSE
  • Click and Pop Free Startup and Stop
  • 90% Efficient Class-D Operation (4 Ω)
  • Wide 18-V to 53.5V Supply Voltage Operation
  • Self-Protection Design (Including Undervoltage, Overtemperature, Clipping, and Short Circuit Protection) With Error Reporting
  • AEC-Q100 Qualified for Automotive Applications
    • Temperature Grade 2: –40°C to +105°C, TA
  • Differential Analog Inputs
  • Total Output Power at 10% THD+N
    • 315-W Stereo into 4 Ω in BTL Configuration
    • 180-W Stereo into 8 Ω in BTL Configuration
    • 600-W Mono into 2 Ω in PBTL Configuration
  • Total Output Power at 1% THD+N
    • 255-W Stereo into 4 Ω in BTL Configuration
    • 150-W Stereo into 8 Ω in BTL Configuration
    • 495-W Mono into 2 Ω in PBTL Configuration
  • Advanced Integrated Feedback Design with High-speed Gate Driver Error Correction
    • Signal Bandwidth up to 100 kHz for High Frequency Content From HD Sources
    • Ultra Low 0.006% THD+N at 1 W into 4 Ω and <0.01% THD+N to Clipping
    • >65 dB PSRR (BTL, 1 kHz, No Input Signal)
    • <85 µV (A-Weighted) Output Noise
    • >111 dB (A Weighted) SNR
  • Multiple Configurations Possible:
    • Stereo, Mono, 2.1 and 4xSE
  • Click and Pop Free Startup and Stop
  • 90% Efficient Class-D Operation (4 Ω)
  • Wide 18-V to 53.5V Supply Voltage Operation
  • Self-Protection Design (Including Undervoltage, Overtemperature, Clipping, and Short Circuit Protection) With Error Reporting

Description

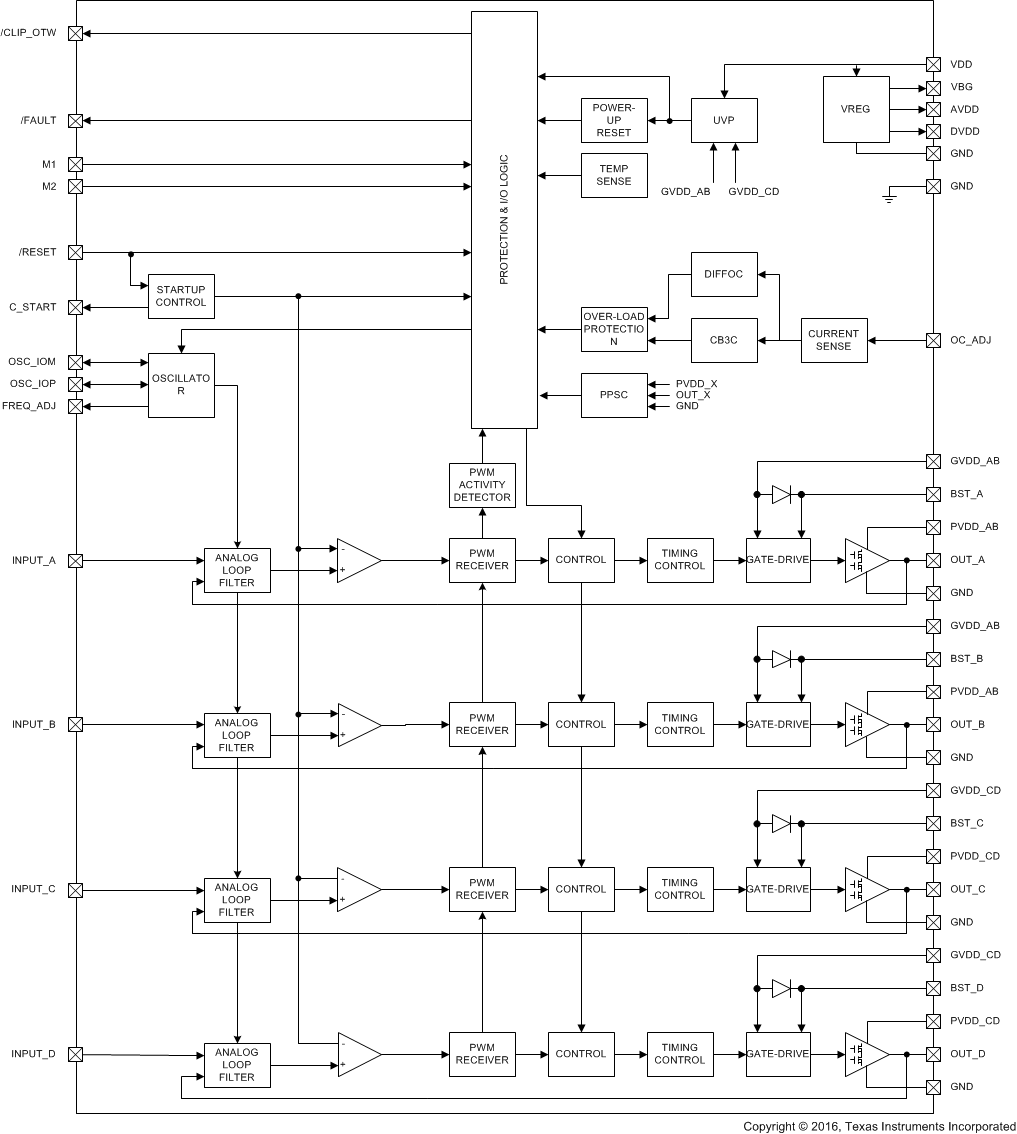
TPA3255-Q1 is a high performance class-D power amplifier that enables true premium sound quality with class-D efficiency. It features an advanced integrated feedback design and proprietary high-speed gate driver error correction (PurePath™ Ultra-HD). This technology allows ultra low distortion across the audio band and superior audio quality. The device is operated in AD-mode, and can drive up to 2 x 315 W into 4-Ω load at 10% THD and 2 x 150 W unclipped into 8-Ω load and features a 2-VRMS analog input interface that works seamlessly with high performance DACs such as TI’s PCM5242. In addition to excellent audio performance, TPA3255-Q1 achieves both high power efficiency and very low power stage idle losses below 2.5W. This is achieved through the use of 85-mΩ MOSFETs and an optimized gate driver scheme that achieves significantly lower idle losses than typical discrete implementations.

TPA3255-Q1 is a high performance class-D power amplifier that enables true premium sound quality with class-D efficiency. It features an advanced integrated feedback design and proprietary high-speed gate driver error correction (PurePath™ Ultra-HD). This technology allows ultra low distortion across the audio band and superior audio quality. The device is operated in AD-mode, and can drive up to 2 x 315 W into 4-Ω load at 10% THD and 2 x 150 W unclipped into 8-Ω load and features a 2-VRMS analog input interface that works seamlessly with high performance DACs such as TI’s PCM5242. In addition to excellent audio performance, TPA3255-Q1 achieves both high power efficiency and very low power stage idle losses below 2.5W. This is achieved through the use of 85-mΩ MOSFETs and an optimized gate driver scheme that achieves significantly lower idle losses than typical discrete implementations.

Subscribe to Welllinkchips !
Your Name
* Email
Submit a request