0
TMUX7212M
  • TMUX7212M
  • TMUX7212M

TMUX7212M

ACTIVE

44V, low RON, 1:1 (SPST) four-channel precision multiplexer with 1.8V logic and extended temperature

Texas Instruments TMUX7212M Product Info

1 April 2026 1

Parameters

Configuration

1:1 SPST

Number of channels

4

Power supply voltage - single (V)

5, 12, 16, 20, 36, 44

Power supply voltage - dual (V)

+/-10, +/-15, +/-18, +/-22, +/-5

Protocols

Analog

Ron (typ) (Ω)

1.7

CON (typ) (pF)

144

ON-state leakage current (max) (µA)

0.0033

Supply current (typ) (µA)

65

Operating temperature range (°C)

-55 to 125

Features

1.8-V compatible control inputs, Break-before-make, Fail-safe logic

Input/output continuous current (max) (A)

0.37

Rating

Catalog

Drain supply voltage (max) (V)

22

Supply voltage (max) (V)

44

Negative rail supply voltage (max) (V)

-22

Package

TSSOP (PW)-16-32 mm² 5 x 6.4

Features

  • Latch-up immune
  • Dual supply range: ±4.5V to ±22 V
  • Single supply range: 4.5V to 44 V
  • –55°C to +125°C operating temperature
  • Low on-resistance: 2Ω
  • High current support: 220mA (maximum)
  • 1.8V logic compatible
  • Integrated pull-down resistor on logic pins
  • Fail-safe logic
  • Rail-to-rail operation
  • Bidirectional operation
  • Latch-up immune
  • Dual supply range: ±4.5V to ±22 V
  • Single supply range: 4.5V to 44 V
  • –55°C to +125°C operating temperature
  • Low on-resistance: 2Ω
  • High current support: 220mA (maximum)
  • 1.8V logic compatible
  • Integrated pull-down resistor on logic pins
  • Fail-safe logic
  • Rail-to-rail operation
  • Bidirectional operation

Description

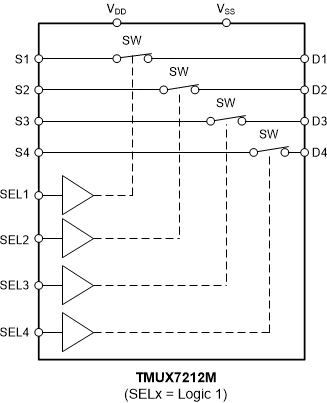
The TMUX7212M is a complementary metal-oxide semiconductor (CMOS) switch with four independently selectable 1:1, single-pole, single-throw (SPST) switch channels. The devices work with a single supply (4.5V to 44 V), dual supplies (±4.5V to ±22 V), or asymmetric supplies (such as VDD = 12 V, VSS = –5V). The TMUX7212M supports bidirectional analog and digital signals on the source (Sx) and drain (Dx) pins ranging from VSS to VDD.

Each switch of the TMUX7212M is controlled with appropriate logic control inputs on the SELx pins. The TMUX7212M is part of the precision switches and multiplexers family of devices and have very low on and off leakage currents allowing them to be used in high precision measurement applications.

The TMUX7212M provides latch-up immunity, preventing undesirable high current events between parasitic structures within the device typically caused by overvoltage events. A latch-up condition typically continues until the power supply rails are turned off and can lead to device failure. The latch-up immunity feature allows the TMUX7212M family of switches and multiplexers to be used in harsh environments. Additionally, the TMUX7212M is rated for extended temperature use down to –55°C, making it an excellent choice for harsh industrial and aerospace applications.

The TMUX7212M is a complementary metal-oxide semiconductor (CMOS) switch with four independently selectable 1:1, single-pole, single-throw (SPST) switch channels. The devices work with a single supply (4.5V to 44 V), dual supplies (±4.5V to ±22 V), or asymmetric supplies (such as VDD = 12 V, VSS = –5V). The TMUX7212M supports bidirectional analog and digital signals on the source (Sx) and drain (Dx) pins ranging from VSS to VDD.

Each switch of the TMUX7212M is controlled with appropriate logic control inputs on the SELx pins. The TMUX7212M is part of the precision switches and multiplexers family of devices and have very low on and off leakage currents allowing them to be used in high precision measurement applications.

The TMUX7212M provides latch-up immunity, preventing undesirable high current events between parasitic structures within the device typically caused by overvoltage events. A latch-up condition typically continues until the power supply rails are turned off and can lead to device failure. The latch-up immunity feature allows the TMUX7212M family of switches and multiplexers to be used in harsh environments. Additionally, the TMUX7212M is rated for extended temperature use down to –55°C, making it an excellent choice for harsh industrial and aerospace applications.

Subscribe to Welllinkchips !
Your Name
* Email
Submit a request