0
LM4431
  • LM4431
  • LM4431
  • LM4431
  • LM4431

LM4431

ACTIVE

Micropower shunt voltage reference Key Specifications Key Specifications

Texas Instruments LM4431 Product Info

1 April 2026 0

Parameters

Rating

Catalog

VO (V)

2.5

Initial accuracy (max) (%)

2

Iz for regulation (min) (µA)

100

VO adj (min) (V)

2.5

VO adj (max) (V)

2.5

Reference voltage (V)

Fixed

Operating temperature range (°C)

0 to 70

Iout/Iz (max) (mA)

15

Package

SOT-23 (DBZ)-3-6.9204 mm² 2.92 x 2.37

Features

  • Small Package: SOT-23
  • No Output Capacitor Required
  • Tolerates Capacitive Loads
  • Fixed Reverse Breakdown Voltage of 2.50V

Key Specifications

  • Output Voltage Tolerance: 25°C: ±2.0% (Max)
  • Low Output Noise (10 Hz to 10 kHz): 35 μVrms (Typ)
  • Wide Operating Current Range: 100 μA to 15 mA
  • Commercial Temperature Range: 0 to +70 °C
  • Low Temperature Coefficient: 30 ppm/°C (Typ)

All trademarks are the property of their respective owners.

  • Small Package: SOT-23
  • No Output Capacitor Required
  • Tolerates Capacitive Loads
  • Fixed Reverse Breakdown Voltage of 2.50V

Key Specifications

  • Output Voltage Tolerance: 25°C: ±2.0% (Max)
  • Low Output Noise (10 Hz to 10 kHz): 35 μVrms (Typ)
  • Wide Operating Current Range: 100 μA to 15 mA
  • Commercial Temperature Range: 0 to +70 °C
  • Low Temperature Coefficient: 30 ppm/°C (Typ)

All trademarks are the property of their respective owners.

Description

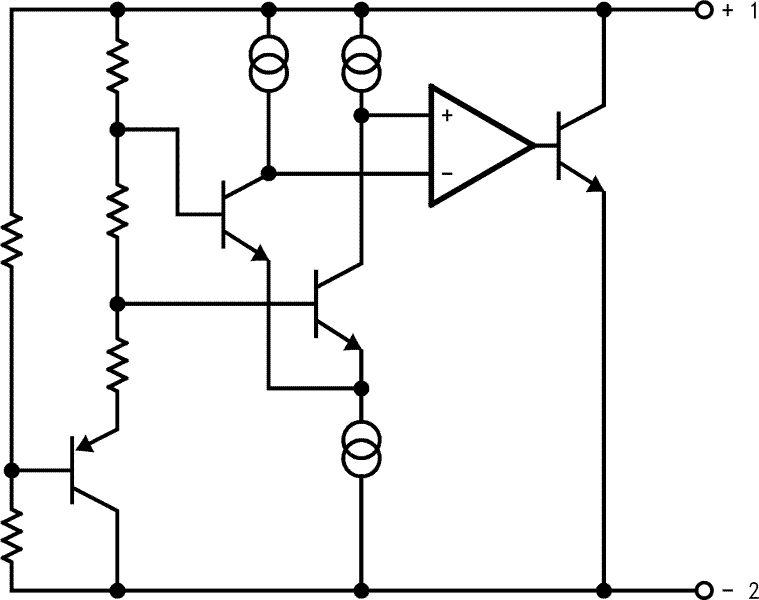
Ideal for space critical applications, the LM4431 voltage reference is available in the sub-miniature (3 mm x 1.3 mm) SOT-23 surface-mount package. The LM4431's advanced design eliminates the need for an external stabilizing capacitor while ensuring stability with any capacitive load, thus making the LM4431 easy to use. The operating current range is 100 μA to 15 mA.

The LM4431 utilizes fuse and zener-zap reverse breakdown voltage trim during wafer sort to ensure that the parts have an accuracy of better than ±2.0% at 25°C. Bandgap reference temperature drift curvature correction and low dynamic impedance ensure stable reverse breakdown voltage accuracy over a wide range of operating temperatures and currents.

Ideal for space critical applications, the LM4431 voltage reference is available in the sub-miniature (3 mm x 1.3 mm) SOT-23 surface-mount package. The LM4431's advanced design eliminates the need for an external stabilizing capacitor while ensuring stability with any capacitive load, thus making the LM4431 easy to use. The operating current range is 100 μA to 15 mA.

The LM4431 utilizes fuse and zener-zap reverse breakdown voltage trim during wafer sort to ensure that the parts have an accuracy of better than ±2.0% at 25°C. Bandgap reference temperature drift curvature correction and low dynamic impedance ensure stable reverse breakdown voltage accuracy over a wide range of operating temperatures and currents.

Subscribe to Welllinkchips !
Your Name
* Email
Submit a request