0
TLC5944
  • TLC5944
  • TLC5944
  • TLC5944

TLC5944

ACTIVE

16-channel, 12-bit PWM LED driver with 6-bit dot correction and pre-charge FET

Texas Instruments TLC5944 Product Info

1 April 2026 0

Parameters

Features

Dot Correction, Error Flag, Fault Detection, LED Open Detection, LED Short to Ground Detection, LED Short to VLED Detection, PWM LED Driver, Power good, Thermal shutdown

Analog dimming steps

64

Data transfer rate (typ) (MHz)

30

Ch to ch accuracy (typ) (±%)

1

Rating

Catalog

Operating temperature range (°C)

-40 to 85

Package

HTSSOP (PWP)-28-62.08 mm² 9.7 x 6.4

Features

  • 16 Channels, Constant Current Sink Output
  • 60-mA Capability (Constant Current Sink)
  • 12-Bit (4096 Steps) Grayscale Control with PWM
  • 6-Bit (64 Steps) Dot Correction with Sink Current
  • Internal Pre-Charge FET to Prevent LED Ghosting Phenomenon on Multiplexed LED Systems
  • LED Power-Supply Voltage up to 15 V
  • VCC = 3.0 V to 5.5 V
  • Constant Current Accuracy:
    • Channel-to-Channel = ±1%
    • Device-to-Device = ±3%
  • CMOS Logic Level I/O
  • 30-MHz Data Transfer Rate
  • 33-MHz Grayscale Control Clock
  • Continuous Base LED Open Detection (LOD):
    • Detect LED opening and LED short to GND during display with auto output off function
  • Thermal Shutdown (TSD):
    • Automatic shutdown at over-temperature conditions
    • Restart under normal temperature
  • Pre-Thermal Warning (PTW):
    • High temperature operation alert
  • Readable Error Information:
    • LED Open Detection (LOD)
    • Thermal Error Flag (TEF)
    • Pre-Thermal Warning (PTW)
  • Noise Reduction:
    • 4-channel grouped delay to prevent inrush current
  • Operating Temperature: -40°C to +85°C
  • APPLICATIONS
    • Monochrome, Multicolor, Full-Color LED Displays Using Multiplexing System
    • LED Signboards Using Multiplexing System

All trademarks are the property of their respective owners.

  • 16 Channels, Constant Current Sink Output
  • 60-mA Capability (Constant Current Sink)
  • 12-Bit (4096 Steps) Grayscale Control with PWM
  • 6-Bit (64 Steps) Dot Correction with Sink Current
  • Internal Pre-Charge FET to Prevent LED Ghosting Phenomenon on Multiplexed LED Systems
  • LED Power-Supply Voltage up to 15 V
  • VCC = 3.0 V to 5.5 V
  • Constant Current Accuracy:
    • Channel-to-Channel = ±1%
    • Device-to-Device = ±3%
  • CMOS Logic Level I/O
  • 30-MHz Data Transfer Rate
  • 33-MHz Grayscale Control Clock
  • Continuous Base LED Open Detection (LOD):
    • Detect LED opening and LED short to GND during display with auto output off function
  • Thermal Shutdown (TSD):
    • Automatic shutdown at over-temperature conditions
    • Restart under normal temperature
  • Pre-Thermal Warning (PTW):
    • High temperature operation alert
  • Readable Error Information:
    • LED Open Detection (LOD)
    • Thermal Error Flag (TEF)
    • Pre-Thermal Warning (PTW)
  • Noise Reduction:
    • 4-channel grouped delay to prevent inrush current
  • Operating Temperature: -40°C to +85°C
  • APPLICATIONS
    • Monochrome, Multicolor, Full-Color LED Displays Using Multiplexing System
    • LED Signboards Using Multiplexing System

All trademarks are the property of their respective owners.

Description

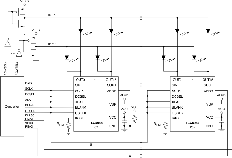
The TLC5944 is a 16-channel, constant current sink driver. Each channel is individually adjustable with 4096 pulse-width modulated (PWM) steps and 64 constant sink current (dot correction) steps. The dot correction (DC) adjusts for brightness variations between LEDs. Both grayscale (GS) control and DC are accessible via a common serial interface port. The maximum current value of all 16 channels can be set by a single external resistor.

The TLC5944 has an internal pre-charge FET to prevent the ghost-lighting phenomenon that occurs on multiplexed LED systems. The TLC5944 has three error detection circuits for LED open detection (LOD), a thermal error flag (TEF), and a pre-thermal warning (PTW). The LOD detects a broken or disconnected LED, and a shorted LED to GND during the display period. The TEF indicates a too-high temperature condition; when the TEF is set, all output drivers are turned off by the thermal shutdown (TSD) protection. Additionally, when the TEF is cleared, all output drivers are restarted. The PTW indicates that the IC is operating in a high temperature condition. The output drivers remain on when PTW is set.

The TLC5944 is a 16-channel, constant current sink driver. Each channel is individually adjustable with 4096 pulse-width modulated (PWM) steps and 64 constant sink current (dot correction) steps. The dot correction (DC) adjusts for brightness variations between LEDs. Both grayscale (GS) control and DC are accessible via a common serial interface port. The maximum current value of all 16 channels can be set by a single external resistor.

The TLC5944 has an internal pre-charge FET to prevent the ghost-lighting phenomenon that occurs on multiplexed LED systems. The TLC5944 has three error detection circuits for LED open detection (LOD), a thermal error flag (TEF), and a pre-thermal warning (PTW). The LOD detects a broken or disconnected LED, and a shorted LED to GND during the display period. The TEF indicates a too-high temperature condition; when the TEF is set, all output drivers are turned off by the thermal shutdown (TSD) protection. Additionally, when the TEF is cleared, all output drivers are restarted. The PTW indicates that the IC is operating in a high temperature condition. The output drivers remain on when PTW is set.

Subscribe to Welllinkchips !
Your Name
* Email
Submit a request