0
TL7712A
  • TL7712A
  • TL7712A
  • TL7712A

TL7712A

ACTIVE

Single-supply supervisor for 12-V systems with programmable delay time

Texas Instruments TL7712A Product Info

1 April 2026 1

Parameters

Rating

Catalog

Number of supplies monitored

1

Threshold voltage 1 (typ) (V)

10.8

Features

Complimentary output, Manual reset capable, Wide input voltage

Reset threshold accuracy (%)

1.9

Iq (typ) (mA)

1.8

Output driver type/reset output

Active-high, Active-low, Open-drain

Watchdog timer WDI (s)

None

Supply voltage (min) (V)

3.5

Supply voltage (max) (V)

18

Operating temperature range (°C)

0 to 70

Package

PDIP (P)-8-92.5083 mm² 9.81 x 9.43

Features

  • Power-On Reset Generator
  • Automatic Reset Generation After Voltage Drop
  • Wide Supply-Voltage Range
  • Precision Voltage Sensor
  • Temperature-Compensated Voltage Reference
  • Externally Adjustable Pulse Duration
  • Power-On Reset Generator
  • Automatic Reset Generation After Voltage Drop
  • Wide Supply-Voltage Range
  • Precision Voltage Sensor
  • Temperature-Compensated Voltage Reference
  • Externally Adjustable Pulse Duration

Description

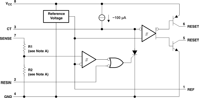
The TL77xxA family of integrated-circuit supply-voltage supervisors is designed specifically for use as reset controllers in microcomputer and microprocessor systems. The supply-voltage supervisor monitors the supply for undervoltage conditions at the SENSE input. During power up, the RESET output becomes active (low) when VCC attains a value approaching 3.6 V. At this point (assuming that SENSE is above VIT+), the delay timer function activates a time delay, after which outputs RESET and RESET go inactive (high and low, respectively). When an undervoltage condition occurs during normal operation, RESET and RESET go active.

The TL77xxA family of integrated-circuit supply-voltage supervisors is designed specifically for use as reset controllers in microcomputer and microprocessor systems. The supply-voltage supervisor monitors the supply for undervoltage conditions at the SENSE input. During power up, the RESET output becomes active (low) when VCC attains a value approaching 3.6 V. At this point (assuming that SENSE is above VIT+), the delay timer function activates a time delay, after which outputs RESET and RESET go inactive (high and low, respectively). When an undervoltage condition occurs during normal operation, RESET and RESET go active.

Subscribe to Welllinkchips !
Your Name
* Email
Submit a request