0
TL4050B50-Q1
  • TL4050B50-Q1
  • TL4050B50-Q1
  • TL4050B50-Q1

TL4050B50-Q1

ACTIVE

Automotive, precision micropower shunt voltage reference

Texas Instruments TL4050B50-Q1 Product Info

1 April 2026 0

Parameters

Rating

Automotive

VO (V)

5

Initial accuracy (max) (%)

0.2

Iz for regulation (min) (µA)

56

VO adj (min) (V)

5

VO adj (max) (V)

5

Reference voltage (V)

Fixed

Temp coeff (max) (ppm/°C)

50

Operating temperature range (°C)

-40 to 125

Iout/Iz (max) (mA)

20

Package

SOT-23 (DBZ)-3-6.9204 mm² 2.92 x 2.37

Features

  • AEC-Q100 qualified with the following results:
    • Device temperature grade 1: -40°C to +125°C
  • Fixed output voltages of 2.048V, 2.5V, 4.096V, 5V
  • Tight output tolerances and low temperature coefficient
    • Maximum 0.1%, 50ppm/°C – A Grade
    • Maximum 0.2%, 50ppm/°C – B Grade
    • Maximum 0.5%, 50ppm/°C – C Grade
  • Low output noise: 41µVRMS typical
  • Wide operating current range: 60µA typical to 15mA
  • Stable with all capacitive loads; no output capacitor required
  • Available in extended temperature range: –40°C to 125°C
  • AEC-Q100 qualified with the following results:
    • Device temperature grade 1: -40°C to +125°C
  • Fixed output voltages of 2.048V, 2.5V, 4.096V, 5V
  • Tight output tolerances and low temperature coefficient
    • Maximum 0.1%, 50ppm/°C – A Grade
    • Maximum 0.2%, 50ppm/°C – B Grade
    • Maximum 0.5%, 50ppm/°C – C Grade
  • Low output noise: 41µVRMS typical
  • Wide operating current range: 60µA typical to 15mA
  • Stable with all capacitive loads; no output capacitor required
  • Available in extended temperature range: –40°C to 125°C

Description

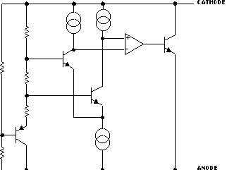
The TL4050-Q1 family of shunt voltage references are versatile easy-to-use references designed for a wide array of applications. The two-terminal fixed-output device requires no external capacitors for operation and is stable with all capacitive loads. Additionally, the reference offers low dynamic impedance, low noise, and low temperature coefficient to maintain a stable output voltage over a wide range of operating currents and temperatures.

The TL4050-Q1 is available in three initial tolerances, ranging from 0.1% (maximum) for the A grade to 0.5% (maximum) for the C grade. Thus, a great deal of flexibility is available to designers in choosing the best cost-to-performance ratio for an application. Packaged in the space-saving SOT-23-3 and SC-70 packages and requiring a minimum current of 45µA (typical), the TL4050-Q1 also is designed for portable applications.

The TL4050x-Q1 characterization is for operation over an ambient temperature range of –40°C to 125°C.

The TL4050-Q1 family of shunt voltage references are versatile easy-to-use references designed for a wide array of applications. The two-terminal fixed-output device requires no external capacitors for operation and is stable with all capacitive loads. Additionally, the reference offers low dynamic impedance, low noise, and low temperature coefficient to maintain a stable output voltage over a wide range of operating currents and temperatures.

The TL4050-Q1 is available in three initial tolerances, ranging from 0.1% (maximum) for the A grade to 0.5% (maximum) for the C grade. Thus, a great deal of flexibility is available to designers in choosing the best cost-to-performance ratio for an application. Packaged in the space-saving SOT-23-3 and SC-70 packages and requiring a minimum current of 45µA (typical), the TL4050-Q1 also is designed for portable applications.

The TL4050x-Q1 characterization is for operation over an ambient temperature range of –40°C to 125°C.

Subscribe to Welllinkchips !
Your Name
* Email
Submit a request