0
ALM2403-Q1
  • ALM2403-Q1
  • ALM2403-Q1
  • ALM2403-Q1
  • ALM2403-Q1
  • ALM2403-Q1
  • ALM2403-Q1

ALM2403-Q1

ACTIVE

Automotive, dual-channel, high-voltage, power op amp with low distortion for resolver applications

Texas Instruments ALM2403-Q1 Product Info

1 April 2026 1

Parameters

Number of channels

2

Total supply voltage (+5 V = 5, ±5 V = 10) (min) (V)

5

Total supply voltage (+5 V = 5, ±5 V = 10) (max) (V)

24

Iout (typ) (A)

0.45

GBW (typ) (MHz)

21

Slew rate (typ) (V/µs)

50

Vos (offset voltage at 25°C) (max) (mV)

25

Offset drift (typ) (V/°C)

0.000015

Iq per channel (typ) (mA)

3.6

Features

Adj Current Limit, EMI Hardened, High Cload Drive, Shutdown

Rating

Automotive

Operating temperature range (°C)

-40 to 125

TI functional safety category

Functional Safety-Capable

Input bias current (max) (pA)

100

CMRR (typ) (dB)

94

Rail-to-rail

In, Out

Architecture

Bipolar

Package

HTSSOP (PWP)-14-32 mm² 5 x 6.4

Features

  • AEC-Q100 qualified for automotive applications:
    • Temperature grade 1: –40°C to +125°C, TA
  • Functional-safety capable
  • High output current drive: 500 mA, peak (per channel)
    • Replaces discrete op amps and transistors
  • Wide supply range for both supplies (up to 24 V)
  • Overtemperature shutdown
  • Current limit
  • Shutdown pin for low IQ applications
  • 21-MHz gain bandwidth with 50-V/µs slew rate
  • Package: 14-pin HTSSOP (PWP)
  • AEC-Q100 qualified for automotive applications:
    • Temperature grade 1: –40°C to +125°C, TA
  • Functional-safety capable
  • High output current drive: 500 mA, peak (per channel)
    • Replaces discrete op amps and transistors
  • Wide supply range for both supplies (up to 24 V)
  • Overtemperature shutdown
  • Current limit
  • Shutdown pin for low IQ applications
  • 21-MHz gain bandwidth with 50-V/µs slew rate
  • Package: 14-pin HTSSOP (PWP)

Description

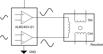
The ALM2403-Q1 is a dual-power op amp with features and performance that make this device preferable for resolver-based applications. The high-gain bandwidth and slew rate of the device, along with a continuous high-output current-drive capability, make this device an excellent choice to provide the low distortion and differential high-amplitude excitation required for exciting the resolver primary coil. Current limiting and overtemperature detection enhance overall system robustness, especially when driving analog signals over wires that are susceptible to faults.

The small HTSSOP package with thermal pad and low RθJA allows high currents to be delivered to loads while minimizing board space. The higher gain bandwidth of the ALM2403-Q1 allows the device to be configured as a filter stage while still providing high output drive, thus significantly reducing the total solution size of a resolver drive signal chain. This reduced solution size is a key advantage offered by the ALM2403-Q1 when used in automotive and industrial applications.

The ALM2403-Q1 is a dual-power op amp with features and performance that make this device preferable for resolver-based applications. The high-gain bandwidth and slew rate of the device, along with a continuous high-output current-drive capability, make this device an excellent choice to provide the low distortion and differential high-amplitude excitation required for exciting the resolver primary coil. Current limiting and overtemperature detection enhance overall system robustness, especially when driving analog signals over wires that are susceptible to faults.

The small HTSSOP package with thermal pad and low RθJA allows high currents to be delivered to loads while minimizing board space. The higher gain bandwidth of the ALM2403-Q1 allows the device to be configured as a filter stage while still providing high output drive, thus significantly reducing the total solution size of a resolver drive signal chain. This reduced solution size is a key advantage offered by the ALM2403-Q1 when used in automotive and industrial applications.

Subscribe to Welllinkchips !
Your Name
* Email
Submit a request